请大虾指点lvds的屏怎么调啊
跑的lvds_wsvga这个驱动,
现象是开机暗灰色宽条纹,
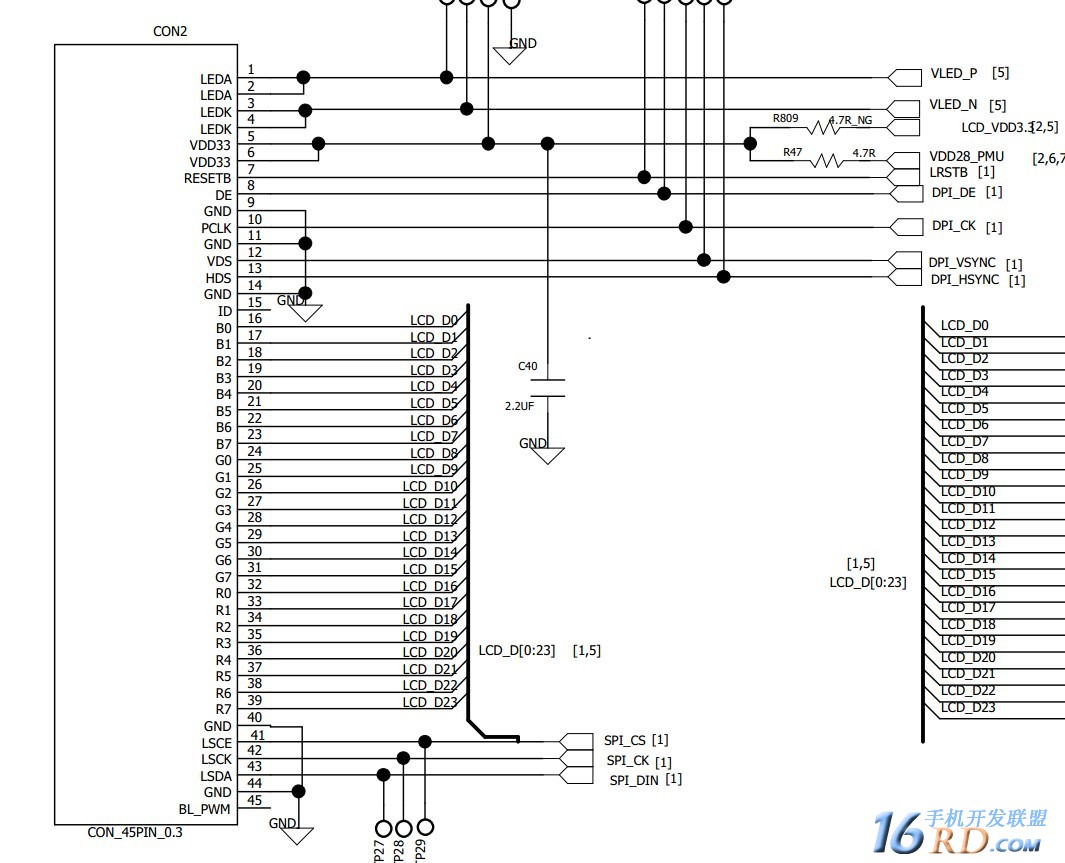
原理图如下:

请大虾指点lvds的屏怎么调啊
MT6589 RGB-LVDS输出花屏(有偿2K)
http://www.16rd.com/forum.php?mo ... =9575&fromuid=4
(出处: 手机开发联盟)
参考一下
我们的图像还看不到
可以参考一下,他们的原理图。
别人的东西都能显示图像的。
有没有参考的代码啊
配置初始化等的代码
这个不是MTK平台有参考代码吗?
恩 6515a的芯片 7.0的尺寸 480x800的分辨率
用平台的现在这个现象
我也没有调过LVDS。
可以查一下硬件。
量一下波形。
恩 不好搞啊
看一下lcd和lvds芯片的硬件接的有没有问题。
然后看供电是不是都正常
驱动主要就是lcm_get_params 这个函数,lvds屏不需要初始化
恩 恩 现在这个现象最可能哪里出了问题啊
看一下lcm_get_params 这个函数里面的参数,修改一下试试
params->dpi.mipi_pll_clk_ref =
params->dpi.mipi_pll_clk_div1 =
params->dpi.mipi_pll_clk_div2 =
params->dpi.dpi_clk_div =
params->dpi.dpi_clk_duty =
params->dpi.clk_pol = LCM_POLARITY_RISING;
params->dpi.de_pol
params->dpi.vsync_pol
params->dpi.hsync_pol
params->dpi.format
params->dpi.rgb_order
params->dpi.is_serial_output = 0;
顺便问一下你们lvds用的哪一个芯片。
ILI6128B
里边的极性配置没弄明白
你还要注意这个ic支持几路lvds
里面参数,多试试吧。
有没有参考的驱动文件
- static void lcm_get_params(LCM_PARAMS *params)
- {
- memset(params, 0, sizeof(LCM_PARAMS));
- params->type = LCM_TYPE_DPI;
- params->ctrl = LCM_CTRL_SERIAL_DBI;
- params->width = FRAME_WIDTH;
- params->height = FRAME_HEIGHT;
- params->io_select_mode = 0;
-
- params->dpi.mipi_pll_clk_ref = 0; //0; //dean //the most important parameters: set pll clk to 66Mhz and dpi clk to 33Mhz
- params->dpi.mipi_pll_clk_div1 = 39;//63; //31;
- params->dpi.mipi_pll_clk_div2 = 4;
- params->dpi.dpi_clk_div = 2;
- params->dpi.dpi_clk_duty = 1;
- params->dpi.clk_pol = LCM_POLARITY_RISING;
- params->dpi.de_pol = LCM_POLARITY_RISING;
- params->dpi.vsync_pol = LCM_POLARITY_FALLING;
- params->dpi.hsync_pol = LCM_POLARITY_FALLING;
- params->dpi.hsync_pulse_width = 128;
- params->dpi.hsync_back_porch = 112;
- params->dpi.hsync_front_porch = 80;
- params->dpi.vsync_pulse_width = 10;
- params->dpi.vsync_back_porch = 12;
- params->dpi.vsync_front_porch = 16;
-
- params->dpi.format = LCM_DPI_FORMAT_RGB666;
- params->dpi.rgb_order = LCM_COLOR_ORDER_RGB;
- params->dpi.is_serial_output = 0;
- //params->dpi.i2x_en= 0;
- //params->dpi.i2x_edge= 0;
- params->dpi.intermediat_buffer_num = 2;
- params->dpi.io_driving_current = LCM_DRIVING_CURRENT_2MA;
- }
我再试试啊
LVDS的比较好调:
首先看看LVDS的PCLK VSYNC HSYNC DE都有东西出来没,尤其注意PCLK满不满足LCM的要求
然后查LCM的各路供电,VCC/RESET/VGH/VGL之类的要看看都符合LCM SPEC里面的规范没,SPEC里面有个typical 什么的表格,里面都是LCM能工作要满足的条件
最后要注意下上电时序,有些屏要求比较严格,最好按照它们的要求来
还有最好在LK/KERNEL的时候就打开LCM的各个供电pin
长供电,电压都正常
估计时序、极性和另外一些参数没有配置好
刚刚屏厂联系芯片厂
看了datasheet信息不太明确,
极性配置了一下,
其他看不出来,
硬件查了下电路,
屏都不亮了,
汗 我不好说什么了。
LVDS的屏还是比较好调的,基本要求都满足了,一般都能出图的
借你吉言哈 能自己测试电路最好
好了吗?
屏坏了呀 暂时进行不了 原厂那边协助可能下周了吧
