停止发送指令但是还是会一直显示之前接收得数据 如何消除 以及如何加入定时发送功能
时间:10-02
整理:3721RD
点击:

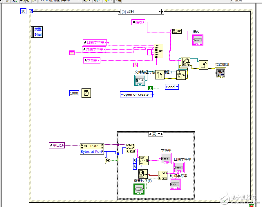
我只需要发送一次指令接收到一组数据,不发送指令接收不到数据,但是现在就是我发送一次指令之后会又数据反馈,后面不发指令还是会一直接收到之前接收到得数据,再就是如何添加一个定时自动发送功能 求大神指点被把接收数据的代码放在超时分支里面,你这样如果没有事件产生的话,会一直运行超时的那个分支。最好是再弄一个响应接收按钮的事件分支,然后将现在超时中的代码放到接收的事件分支中。
我加了接收分支 但是高亮运行发现 不会进行到接收事件 打开串口 发送 就直接到超时分支了
不会运行到接受事件分支,应该是你添加分支方法错误。还有就是你的事件结构超时(左上角)设置的是10ms,也就是如果没有事件发生,超时的分支每隔10ms运行一次
在我这里添加接收事件需要注意那些呢?
