微波EDA网,见证研发工程师的成长!
搜 索
首页
微波射频
射频和无线通信
天线设计
硬件设计
PCB和SI
通信和网络
测试测量
应用设计
研发杂谈
研发问答
首页
>
研发问答
>
测试测量
>
Labview
> 高手在哪里?
高手在哪里?
时间:10-02
整理:3721RD
点击:
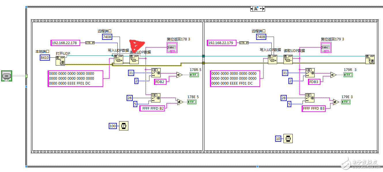
请教各位 条件第一次为真时 运行正常,但第二次为真时老是 标红色的地方出错,貌似是通讯超时,请问哪位大神给指导下? 急求!
UDP是什么东西了?
没人吗,,,,,,,,,,,,,,,,,,,,
上一篇:
客户的balser acA640-120gm相机突然没法拍照,跪求答案!
下一篇:
新手求帮助,大神快点来!
栏目分类
移动通信
微波和射频技术
无线和射频
PCB设计问答
硬件电路设计
嵌入式设计讨论
手机设计讨论
信号完整性分析
测试测量
微电子和IC设计
热门文章
LabVIEW宝典(第2版)配套700
求MAC版的labview安装包,破解
labview中子面板控件问题,向
labview远程访问服务器的mysq
LabVIEW 8.6软件及注册机下载
注册表应用一:动态注册数据源
找个labview高手兼职
labview与PLC通过OPC(UA)通
Copyright © 2017-2020
微波EDA网
版权所有
网站地图
Top