微波EDA网,见证研发工程师的成长!
搜 索
首页
微波射频
射频和无线通信
天线设计
硬件设计
PCB和SI
通信和网络
测试测量
应用设计
研发杂谈
研发问答
首页
>
研发问答
>
测试测量
>
Labview
> 基于labview的交流电路参数的测量有些不懂的地方,希望有好心人能指点一下。。
基于labview的交流电路参数的测量有些不懂的地方,希望有好心人能指点一下。。
时间:10-02
整理:3721RD
点击:
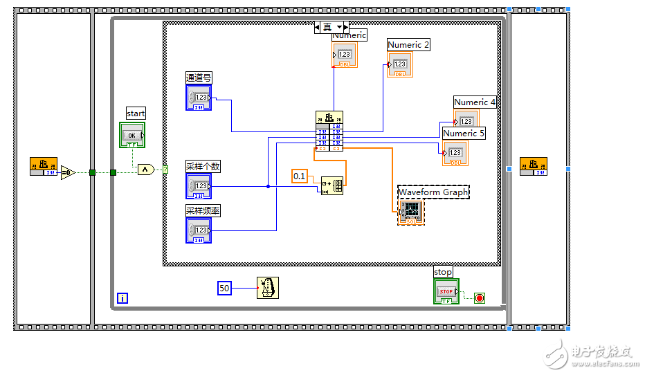
怎么把采集程序放到采集处理里面去?
上一篇:
如何高效的将字符串转二进制数组
下一篇:
labview彩票选号器课设有点儿问题请大神帮忙解答一下吧!
测量
相关文章:
想做一个基于Labview的压力测量平台
labview 瞬态特性测量
用Labview测出的+5V电源电压为什么是脉冲波动?
《基于LabVIEW的电机转速测量与控制》中遇到的几点问题。
自动测量领域必知——DAQ时钟概念
用labview设计测量元器件的电阻值 求大神帮忙
栏目分类
移动通信
微波和射频技术
无线和射频
PCB设计问答
硬件电路设计
嵌入式设计讨论
手机设计讨论
信号完整性分析
测试测量
微电子和IC设计
热门文章
LabVIEW宝典(第2版)配套700
求MAC版的labview安装包,破解
labview中子面板控件问题,向
labview远程访问服务器的mysq
LabVIEW 8.6软件及注册机下载
注册表应用一:动态注册数据源
找个labview高手兼职
labview与PLC通过OPC(UA)通
Copyright © 2017-2020
微波EDA网
版权所有
网站地图
Top