atf34143仿真
时间:10-02
整理:3721RD
点击:
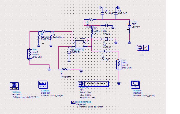
现在做了一个atf34143的仿真,在2.492GHz,通过在放大器前面加π衰,系统已经稳定了。
不过,噪声系数却怎么也降不下了了,怎么整?
请各位大虾帮帮忙,出出主意。
是不是说,这样做根本就不太对,但是我在源极做反馈得不到稳定的系统啊,怎么办?
上图

不过,噪声系数却怎么也降不下了了,怎么整?
请各位大虾帮帮忙,出出主意。
是不是说,这样做根本就不太对,但是我在源极做反馈得不到稳定的系统啊,怎么办?
上图

qq交流一下:三6二710零19
还没有满足全频域稳定,StabF要恒大于1才行,你这个仿真还能看,要是去做实物会有很多低频自激,最后导致各种交调。
