高压产生电路原理分析
时间:10-02
整理:3721RD
点击:
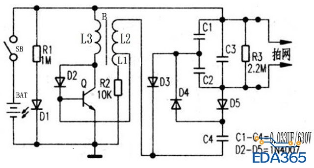
请高手们,帮忙分析下图中电路是怎么实现电池3.7V升压到高压的,变压器反馈绕组如何工作,关断三极管的。请尽量详细点,先谢谢了

mark
跟DC/DC的boost电路类似
能否详细点说明下这个变压器是怎么工作的,搞不清楚这个变压器
这个变压器仅仅一个图片没有规格书没法看出啥,但是boost升压电路原理你可以先查下
早上研究了下,这个是一个典型单管自激振荡电路。谢谢了
僅供參考
阅读权限: 9

阅读权限: 9

阅读权限: 9

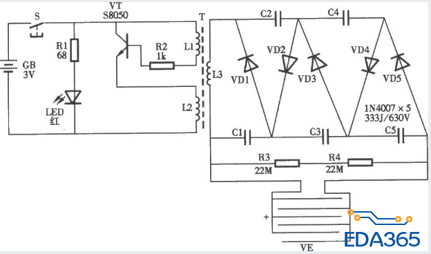
十分感谢,就是需要这样的高压电路。
