单电源运放的偏置
时间:10-02
整理:3721RD
点击:
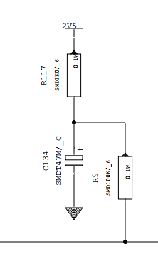
看到一份音频传输的电路设计,单电源5V供电,偏置2.5V用两个电阻串联后上拉,在两个电阻中间用一个电容接地。这样设计和直接用一个电阻上拉对比,优点是什么?
请各位大神发表意见,谢谢!
请各位大神发表意见,谢谢!

RC滤波后供电
偏置电源更干净。
路过,谢谢。
