请大家帮忙看一下这个小问题?
时间:10-02
整理:3721RD
点击:
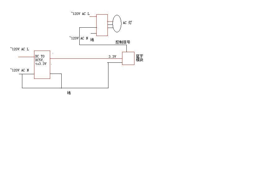
我AC的N可以直接接模块的地吗?如附档
再说明一下,我实际上那样接了,是测试OK。但是就想再请大神帮我确认一下,是否可行或者说有什么大的影响。
我觉得不安全
在电路设计中,一般不会把AC的地和DC的地,接到一起。当AC出现问题后,会出现烧毁电路板。
冷热地最好分开
版大们 现身吧
其实你的120V AC-5V-3.3V 前级这块AC-DC已经隔离了 所以可以的 况且 AC_N 又不是GND 很明显不能接
谢谢 版大大 这种做法是出美国的,之前一家就是这么做量产的。我觉得不放心,所以还是想让大家确认确认。担大多数的声音是不可以,我AC进来是用的一个二极管
然后就是DC TO DC 5V-----再到----3.3V这样。 版大大 你说的凑合用是指可以过哪些认证吗?
AC_N 对于交流来说 不是GND AC-DC已经隔离了 你后面GND完全可以接到一起
AC to DC的时候,地直接跟蓝牙模块接,不用再接到AC地吧。 还有你那块蓝牙怎么控制灯的,没看明白,控制信号直接接到ACN了,表示不理解,用可控硅吗?
