请帮忙看一下,微弱电流检测T型电阻网络补偿电容应该加在哪?
时间:10-02
整理:3721RD
点击:
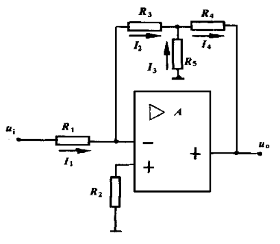
如图:在微弱电流检测前置放大电路中,为放大电路稳定会在反馈电阻并联补偿电容

那么在把大电阻Rc用T型电阻网络替换后,补偿电容怎么接?和原来一样接在放大器的反相端与输出端吗?


那么在把大电阻Rc用T型电阻网络替换后,补偿电容怎么接?和原来一样接在放大器的反相端与输出端吗?

嗯…啊…耶…

补充一下:信号源是1KHz的,之前1MΩ电阻的时候,补偿电容是1Pf~68Pf之间调整,改成T型网络后补充电容加在什么位置?容值大概多少?
