请帮忙分析一下电路图
时间:10-02
整理:3721RD
点击:
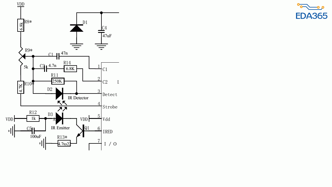
请帮忙分析一下以下电路:

1. 电阻R11和红外接收二极管是什么关系?
2. 红外接收二极管是怎么导通的?图上二极管正级接电源,是不是就直接导通了?还是有光才导通?
谢谢!

1. 电阻R11和红外接收二极管是什么关系?
2. 红外接收二极管是怎么导通的?图上二极管正级接电源,是不是就直接导通了?还是有光才导通?
谢谢!
1 并联关系,没有信号的时候,DET通过R11偏置。当有信号的时候,R11被旁路掉。
2 有光导通。
3 具体看你的芯片的规格书。
谢谢!
言简意赅
学习了,谢谢
