菜鸟求BAT3.7V/DC5V切换电路---急急急--在线等
时间:10-02
整理:3721RD
点击:
本菜鸟现求以下电路:
现有一功放,功耗比较大,要求输入3v-5.5v,2A的供电。这个电源要求默认从3.7v电池直供,但当外电适配器DC5V插入时,即切换为DC5V直供给这个功放。用PMOS做个切换电路。
在线跪求!谢谢!
现有一功放,功耗比较大,要求输入3v-5.5v,2A的供电。这个电源要求默认从3.7v电池直供,但当外电适配器DC5V插入时,即切换为DC5V直供给这个功放。用PMOS做个切换电路。
在线跪求!谢谢!
FYI,仅做参考。
如图,,这样子够明白了吧?图里的BOOTS-IN就相当于于你的功放

类似这样的MOS管隔断,压降也小

第一:肯定是需要切换了。DC5V和电池间的切换供电方案。
第二:应该还需要想办法进行升压供电吧,不然当电池电压下降的话,芯片工作可能不太理想。
一,你倒是给出切换方案图啊。谢谢!二,不需要升压。功放IC的输入比较宽3v-5v,电池电压不会下降到这个范围以外。
只要整个适配器的插入检测电路即可,切换方案不复杂
本人是菜鸟啊,请直接给出截图,不胜感激!
一个二极管搞定的问题要那么复杂吗。
省钱两个二极管搞定,有那么复杂吗
在2A,随便选一个MOS管就OK了。像SI2301、AO3401都足矣,SOT23封装。
但是你这个需要表面需求是电池和外部供电切换,但是实际需要考虑的功能不止这些功能。电池的充放电管理你不用考虑了吗。
感谢指导!
电池的充放电由另一个单元电路管理。
这里只考虑从DC5V和3.7V电池,二选一地给PAM供电,初始默认电池直供,当插入DC5V,断开电池直供改DC5V直供。
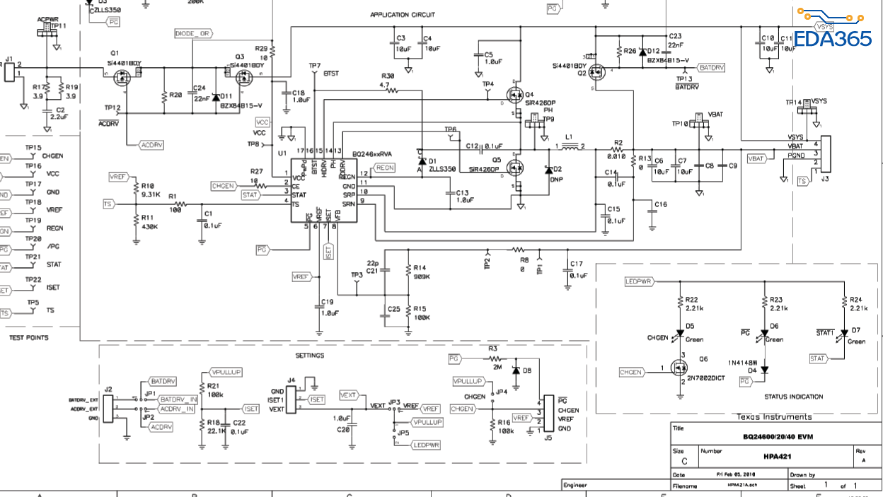
不客气,这都不是事儿。TI的充电芯片参考设计电路,已经具备你需要的功能。仔细看看便知
没有5V时候,怎么导通的,栅极是地,可是源极是负载啊,漏极是输入,怎么导通啊
这是PMOS,有5V的时候,G极是高,不导通。没有5V的时候,G就是低,导通。
