新人求助,器件差分输入问题
时间:10-02
整理:3721RD
点击:
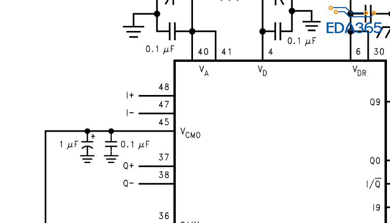
请教比较有经验的大侠,有的IC 输入端是差分输入,即一个+,一个-,当用作单端输入时要如何连接呢?是把输入接+,-接地吗?看到有的设计是这样接的但是不是很确定,希望大侠帮忙解释一下?(如下图片+- 输入)
还有有的输出为差分输出,但是当需要使用单端线时,是只取输出的+吗?
谢谢。
还有有的输出为差分输出,但是当需要使用单端线时,是只取输出的+吗?
谢谢。


个人觉得不一定是“-”接地,“+”接信号。差分电压在内部转换为单端信号时,正负信号之间的差值有一个阈值,大于阈值,为正,小于阈值,为负。如果按照小编所说,就有可能不满足上面的条件。
一般芯片资料里面都有讲这样的端口在差分信号和单端情况下的使用。
要看你这是什么芯片,差分音频放大器的,可以用电容隔开,一个电容接地做伪差分。 如果是射频的,加巴伦可单端转差分,也可以用单入双出的放大器
你好,感谢回复。
有一点不太明白,查了下伪差分,就是把 接收器的负端 接到信号源的参考地,减小地之间的压差。如果中间加了电容,信号地还能连接到 接收器吗?
也可以加个单端输入差分输出的电路
一个接信号,一个接地
情况一:音频信号大多使用伪差分进行处理了。这个可以随便找找手机主板电路,车机电路,导航器什么的设计 里面应该有很多你想看到的东西。或者找找什么codec芯片,和很多处理器的片子有很多典型应用的,可以都查查。情况二:ADC的时钟信号之类的。这情况一般在射频中比较多,就会采用巴伦进行单端转差分。或者是专门的单端转差分的时钟buffer芯片。关于这类的情况可以看看亚德诺半导体官网的很多资料,里面有很多介绍的。
谢谢回复,正在看
你的第一幅图片是中频信号IQ对吧,如果单端接入,那么接+,-的话用电容接GND,软件里面可以设置内部ADC的接入方式。
第二副图片就是一个运放的吧。
第一张图片是一个ADC ,第二张图片取的不好,确实是个运放的图
