lvds差分输入是3对信号,用DS90CF364没问题,是否可接到DS90CF384上,空着一对
时间:10-02
整理:3721RD
点击:
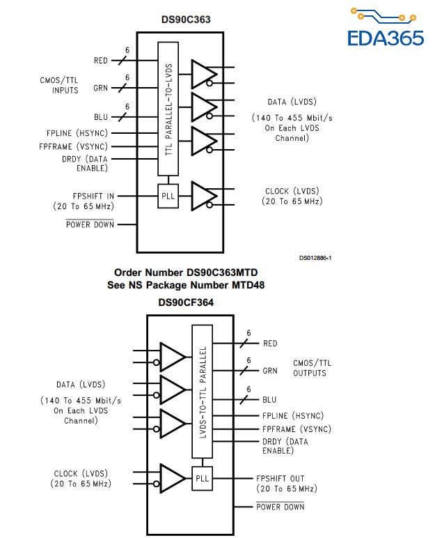
1、lvds差分输入3对信号,用DS90CF364没问题,是否可接到DS90CF384上,空着一对差分,直接悬空可以吗?DS90CF384这个芯片能兼容单通道6位吗?因为设计的4对差分线传输的,采用的DS90CF384,但是也有3对的需求,这样用会丢帧吗?
2、芯片进行串并转换后,再经过DS90CF383(与384配对的)还可以还原出来吗?
请大神解答。
2、芯片进行串并转换后,再经过DS90CF383(与384配对的)还可以还原出来吗?
请大神解答。


顶一个,求回复
口以啦!RGB 接口的安排,在業界是有標準的。bit 6 和 bit 7 會被安排在第四對差分訊號上,第四對差分訊號丟棄不用,RGB 8:8:8 就會變成 RGB 6:6:6。因為 bit 6 和 bit 7 在最小分量,所以人眼感覺不太出來。RGB 6:6:6 和 RGB 8:8:8 擺在一起比較才會有感覺,分開看的話就不容易察覺。
狗大,那是不是表示,可以使用6bits的LVDS驱动8bits的液晶屏。
是要這樣嗎?

如果是接收端的 bit 數比發射端的 bit 數多,我以前接觸到一款群創(Innolux)屏幕,是上面有一個管腳可以 Pull-High 或 Pull-Low 以選擇 18 bit 或 24 bit 的輸入。其他廠牌的屏幕是不是能夠自動調適,我就不太清楚了。希望能有使用屏幕的高手來指導大家!
谢谢狗大,下次找几款屏试下!
为啥一定要悬空Y3呢
