请教一个232转485芯片的问题
时间:10-02
整理:3721RD
点击:
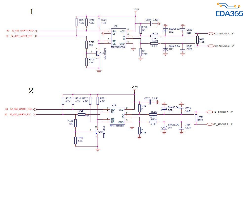
最近初次接触232转485的事情,因为目前MCU的IO口都用完了,所用的芯片max3485使能引脚只能自己做了,所以发送数据的时候高电平就靠外面的120的匹配电阻来搞定发送差分1的事情。如图1 后面使用中因为不知道设备到底有没有匹配的120 Ohm电阻,有时候分压也可能会不准确,所以就想将芯片的发送使能一直拉高,然后发送信号的反向控制接收使能,不知道这样子会不会有问题啊,我怕接收信号的时候,有没有可能一直接收到1啊,因为我发送使能一直发送,这个时候发送信号一直为高。 如图2
各位有什么好的建议吗?
各位有什么好的建议吗?
TI 的485芯片可以省掉外围的TVS和电阻。
实现自动收发网上都有的,多找找看
当发送端DI=O时,DE/RE=1发送O电平,接收端RO=O;当发送端DI=1时,DE/RE=0,VA=VB=2.5V,接收端由于上拉电阻的作用RO=1。此电路不仅能实现自动转发,还能实现零延时,
自动收发转换的RS-4t85接口电路和零延时的RS-485接口电路都有不足之处,即在发送端发送连续的高电平时,逻辑上发送端是处于发送状态,接收端处于接收状态;但实际上,此时所有AZR3082接口的DE/RE=0,所以,所有的发送端和接收端都处于接收状态。这在对等的网络结构中是不能忽视的,因为在这段时间内,总线是空闲的,是允许节点发送数据的。

希望能帮助你
非常感谢你的解释,不过“所有AZR3082接口的DE/RE=0,所以,所有的发送端和接收端都处于接收状态”,因为RS485是半双工通信,只要软件设定好发送的时候不接不就可以了吗。 不过有一点我感觉怀疑,当DI=1时,DE/RE=0,VA=VB=2.5V,怎么就确定接收端的状态是高阻态,靠上拉电阻的电平确定呢?是芯片规格书上面的吗? 谢谢!
是的,靠上啦电阻的电平来确定,当DI=1时,根绝485的工作方式(详见芯片DATASHEET)485芯片为发射状态,接收端为高阻。
不懂吖
你把第二张图的RE#和DE连接在一起就可以 了
哪方面不懂,或者说你遇到了什么问题?
