主备份板遇到的互连问题
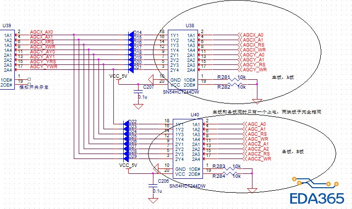
在如图所示的原理图中(示意图),增加了很多二极管防止主备之间的影响。
我想知道:
1.二极管增加之后是否可以消除U38对U40的影响?
2.二极管如果不加,会不会对器件(U38或U40)的寿命造成影响?
3.增加了二极管之后,信号路径上增加了二极管还能否驱动U39。
U38 U40 输出Voh=4.5V Vol=0.2V(典型值)输出驱动能力8mA
原理图(示意)

二极管参数

个人感觉,对于这种情况,我们要考虑的主要问题一般是热插拔以及互相信号的影响
你这里主要考虑后者,从严格意义来说,这里之所以有影响,就是另一个不应该工作的芯片的逻辑门误触发,那就应该着重考虑输入端的控制,所以如果设计时候能把OE用起来,就完全不用担心这个影响了。 从严格意义上来说,加二极管并不能达此效果。
这个问题主要是因为两块板子一个供电一个断电,,某一时刻只有一个板子供电的特殊情况,而且必须要保证两个板子完全的一致。上面这是必须得保证的。
至于二极管我感觉没有用途,听身边的硬件设计师说,如果不增加二极管,在U38供电,而U40不供电的情况下,U38的输出连接到了U40,会影响U40的寿命,因此特意增加了二极管。
不知道上面的说法对不对。
还有就是我不知道增加了二极管之后能否驱动U39。
接上二极管 ,就是二极管或门
小编,建议在OE上做功夫,把二极管都删除掉,换成电阻。
两个244的OE用同一个IO控制(或者电源控制),当主板工作的时候,备板的244使能关闭;反之,备板工作,主板的244关闭。
两个三态门并联的时候,最好使能端用一个控制,达到非此即彼的效果。
恩,OE信号的确欠考虑了。
我想知道,如果 U38供电,而U40断电的情况下,U40会误触发吗,既然U40断电了,为什么还会误触发啊?
在两个板子(主板和背板)同时供电的情况下,利用OE可以做到非此即彼的情况。
但是,如果U40不供电了(假设在背板上,背板完全断电后),将主板上的控制信号引到U40的OE管脚还有用吗?
断电状态下,OE没用。
建议两个244都供电。
这个因为是主备板子的设计问题,这里不能同时供电。
如果一个供电,一个不供电的话,是不是OE就可以不用了?
恩,可以
但是要保证1个244断开后,另外一个再开。
是这样 所以这个问题是从设计时候就考虑的 利用OE 配合其他简单的手段 肯定可以做到的
恩。这个可以保证,谢谢了
你这两个芯片 只是示意图? 是分别位于两个插卡上的 还是在背板? 如果同时位于背板上 那就是我先前说的 如果2芯片是分开位于2个板子上 而不在背板上 那考虑方式肯定就不一样了 而且这样的话 的确就是你所说的 断电后还会有电压加在不工作芯片输出口上 二极管是有用的 驱动能力不成问题 因为驱动能力对应电流 而你就1个负载 很轻松正常的 输出是mA基本 而逻辑门输入是uA基本 这个二极管 完全增加的负载可以忽略
主要关心下电平吧 这么加二极管 后级应该有个下拉电阻的 不然你低电平不正常
怪我一开始没有表达好意思,两个芯片是位于两个插卡上的。只是个示意图。
没有想到后级的下拉电阻的问题,应该加。多谢了 。
