求助,DM9162IEP芯片工作异常
最近画了一块电路,原来使用的是DM9162IEP 1305NL芯片,后来换成DM9162IEP 1345MS芯片后,发现会出现网络芯片偶尔出现异常的现象。
异常时如搭载系统其表现如下:
1、不管是否插上网线,LED0/OP0、LED1/OP1引脚为高电平,LED2/OP3引脚为低电平。
2、CABLESTS/LINKSTS引脚插上网线引脚1.3V,不插网线引脚0V。
3、出现以上现象无法上网。
4、另外当插上网线时也会出现识别为10M半双工。LED2/OP2为高电平,CABLESTS/LINKSTS引脚电平为1.3V。
如不搭载没有CPU控制,出现以下现象:
1、不管是否插上网线,LED0/OP0、LED1/OP1、LED2/OP3引脚为高电平。
2、CABLESTS/LINKSTS引脚插上网线引脚0.3V~0.5V跳跃,不插网线引脚0V。
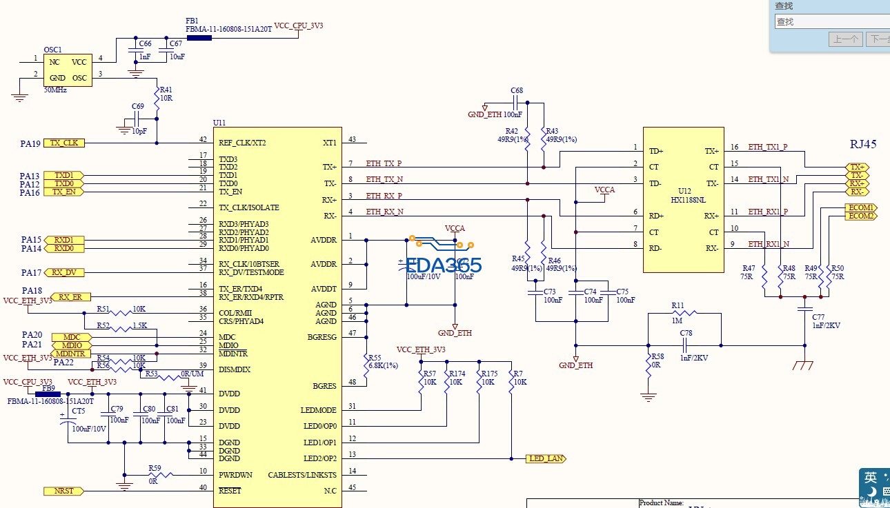
请大神帮忙分析,看看是什么原因引起的。原理图如下图所示。
DM9162原理图

@超级狗,大神帮忙呀,跪求帮忙分析下。
1 不用CPU控制,也许复位都不行。所以这些现象不分析也行。
2 异常的情况,是什么时候出现的,是工作一段时间,还是开始的时候就会偶尔出现?这个要分清楚。
可能是由于DM9162复位时间不够,在异常状态下短接RESET到地手动复位试一下。如果复位后状态正常的话就应该是这个问题了,想办法在RESET引脚端接RC电路延长复位时间。
上面的情况只会出现在系统刚上电时,如果异常情况是在系统正常运行中出现的,则不在上面的问题之列。
异常情况是刚上电的时候出现的,如果开始异常就会一直异常,且一段时间内重启也许也没有用。如果开始正常,则一直正常。工作几天也没有问题。
出现异常时,手动复位尝试过,没有作用。
手动复位尝试过,没有作用。
相同的型号1305NL没有出现过这样的现象,但是1345MS就有。不会买到次品了吧,还是不同批次时序有所变化,而厂商没有通知?
OK,如果是上电的时候出现的异常情况,通常考虑复位,软件配置,上电时序等。
复位的方法有:1 延长复位时间 2 软件复位与硬件复位结合 3 硬件两次复位
软件配置 : 让软件工程师查查看上电的时候没有配置到的会出现异常。
上电时序: 复位与电源的关系,50MHZ与电源的关系等。
谢谢,我按照您的方式处理下看看。
恩,好的。
另外,出现异常后,复位该模块是不行的,因为你这个不是完整的系统,如果是完整的系统的话可以。你这个属于模块,单独复位该模块,软件没有跟上是没用的。
因为网络芯片的复位和CPU及其外围一些芯片的复位引脚连在一起的。所以复位的时候是整个系统都复位了。
原理图设计是参考AT91SAM9G20开发板设计的。其复位引脚是也是连在一起的,且无复位芯片或RC电路。
如果连接在一起了,就是整个系统复位了。
你之前描述,出现异常的时候再重新复位也无果,是吧,必须重新断电再上电才可以,是吧?
有些出了问题就算是重新上电也不行,但是搁置一段时间,再上电可能又可以了。
现在问题解决了么?
估计是电源那块没做好吧
还没有,出差了一周,事情搁在那,现在又重新捡起来检查,按官方的电路也试过,但是没有好转。
问题出现时系统打印如下:
atmel_nand atmel_nand: No DMA support for NAND access.
NAND device: Manufacturer ID: 0xec, Chip ID: 0xd3 (Samsung NAND 1GiB 3,3V 8-bit)
Scanning device for bad blocks
Bad eraseblock 2709 at 0x0000152a0000
Bad eraseblock 7103 at 0x0000377e0000
Creating 3 MTD partitions on "atmel_nand":
0x000000000000-0x000004000000 : "system0"
0x000004000000-0x000008000000 : "system1"
0x000008000000-0x000040000000 : "data"
atmel_spi atmel_spi.1: Atmel SPI Controller at 0xfffcc000 (irq 13)
macb macb: invalid hw address, using random
MACB_mii_bus: probed
eth0: Atmel MACB at 0xfffc4000 irq 21 (a6:ac:7f:b8:05:7a)
eth0: attached PHY driver [Davicom DM9161A] (mii_bus:phy_addr=ffffffff:1f, irq=-1)
PPP generic driver version 2.4.2
PPP BSD Compression module registered
PPP Deflate Compression module registered
ohci_hcd: USB 1.1 'Open' Host Controller (OHCI) Driver
at91_ohci at91_ohci: AT91 OHCI
at91_ohci at91_ohci: new USB bus registered, assigned bus number 1
at91_ohci at91_ohci: irq 20, io mem 0x00500000
hub 1-0:1.0: USB hub found
hub 1-0:1.0: 2 ports detected
如果是正常仪器启动,加色那段信息为:
eth0: Atmel MACB at 0xfffc4000 irq 21 (a6:ac:7f:b8:05:7a)
eth0: attached PHY driver [Davicom DM9161A] (mii_bus:phy_addr=ffffffff:00, irq=-1)
但是不知道这个代表这什么意思。
