问题咨询
时间:10-02
整理:3721RD
点击:
各位好,我设计了一个S5PV210的板子,但是每次上电都要复位好多次系统才能从Nand启动u-boot,曾经复位了70多次才启动。这会是什么原因呢?
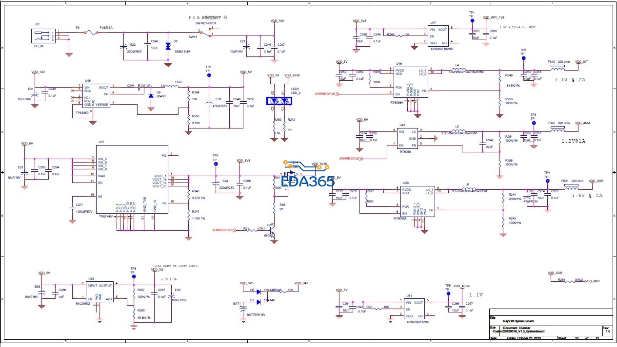
上电顺序的话,CPU可以睡眠,我就把所有睡眠的电源引脚,电压一样的话就统一供电,用CPU的XPWRRGTON管脚使能它。其他的就是通过电源IC直接转换的。下面是电源方案:

知道原因了,板子PCB设计有问题。
上电时序不对的可能性最大,把规格书上电书序部分仔细瞅瞅看看。
从Nand启动u-boot之后,不能使用nand read命令读取Nand的数据,会报错。如果将u-boot直接下载到内存运行,就可以使用Nand read命令。而且都不能启动Linux内核,u-boot下其他的命令正常,内存读写都没问题。这个现象很奇怪。
估计不是上电顺序问题,有可能是nand Flash的电压不对,应该查一查CPU的io电压和nand的电压有没有一样。
都是供的3.3V电压,CPU的Nand部分电压和Nand Flash都供了3.3V
