锁存器问题
时间:10-02
整理:3721RD
点击:
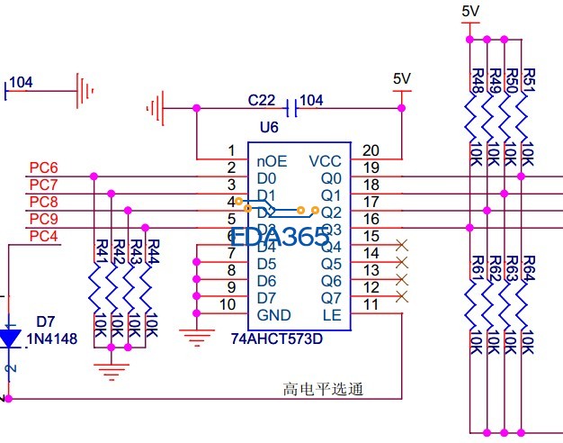
1、设计电路图如图所示;PC4以及PC6-9均为I/O口;
2、测试中采用以下两种方式,Q0~Q4均输出4.5V;
PC4(I/O)输出高电平选通锁存器,PC6~PC9均输出高电平,锁存器数据透传,输出均为1(此时为2.0V左右)
第一种,采用万用表探测nOE引脚电压,Q0~Q4输出电压为4.5V左右;
第二种,复位IC(PC4以及PC6~9复位后均默认输出0),Q0~Q4输出电压为4.5V左右;
3、大侠们,能帮小弟解释一下这两种情况么
2、测试中采用以下两种方式,Q0~Q4均输出4.5V;
PC4(I/O)输出高电平选通锁存器,PC6~PC9均输出高电平,锁存器数据透传,输出均为1(此时为2.0V左右)
第一种,采用万用表探测nOE引脚电压,Q0~Q4输出电压为4.5V左右;
第二种,复位IC(PC4以及PC6~9复位后均默认输出0),Q0~Q4输出电压为4.5V左右;
3、大侠们,能帮小弟解释一下这两种情况么

更正一下,是Q0~Q3这四个引脚输出为4.5V。Q4都没接
有没有人晓得捏
你输出有上拉也下拉是什么意思
下拉电阻是预留调试用的,跟那个问题没多大关系吧
