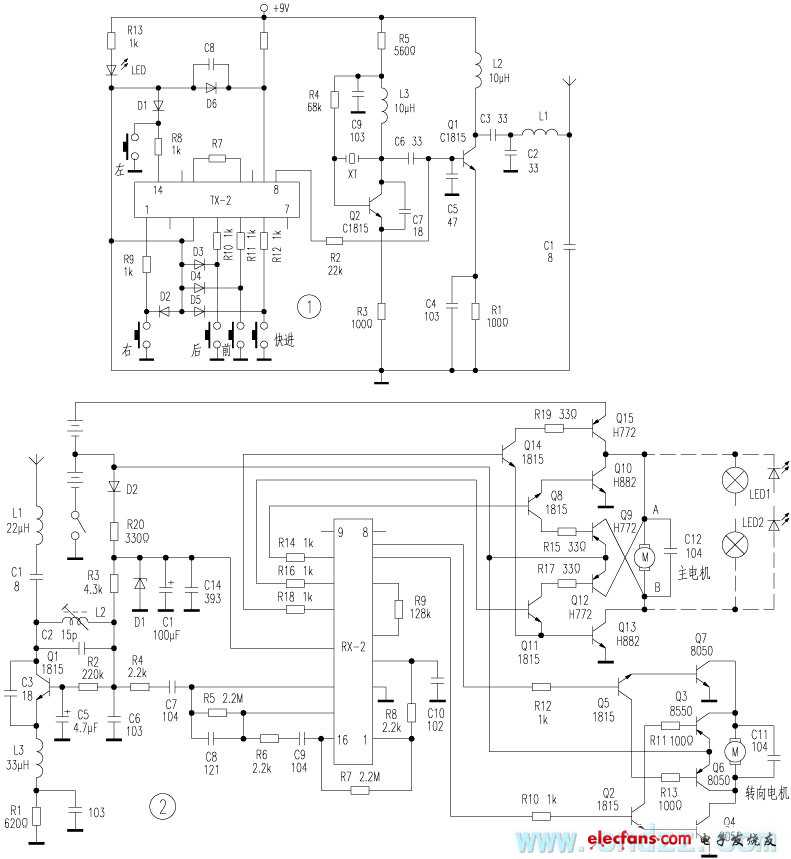
遥控汽车上面的接收装置
时间:10-02
整理:3721RD
点击:
遥控汽车上面的接收装置坏了只能控制左右,前后不起作用,换遥控器也不行,我是个新手,想自己修理,想问一下有没有 有关书籍,或者其他教程


我有

前后没有,高频是好的只看一下驱动部分就好了
kkkkkkk
kkkkkk
学些
我也有

受教了 谢谢各位
来看看
学习谢谢分享。
顶,学习学习
来学习学习
学习学习
来学习学习。
谁有详细资料啊
我也喜欢玩玩具
你确定是电路的问题而不是电机的问题?我昨天也遇到了,电机烧坏了
最多可以控制几路呢
