求强人解答LM339比较器电路的问题
时间:10-02
整理:3721RD
点击:
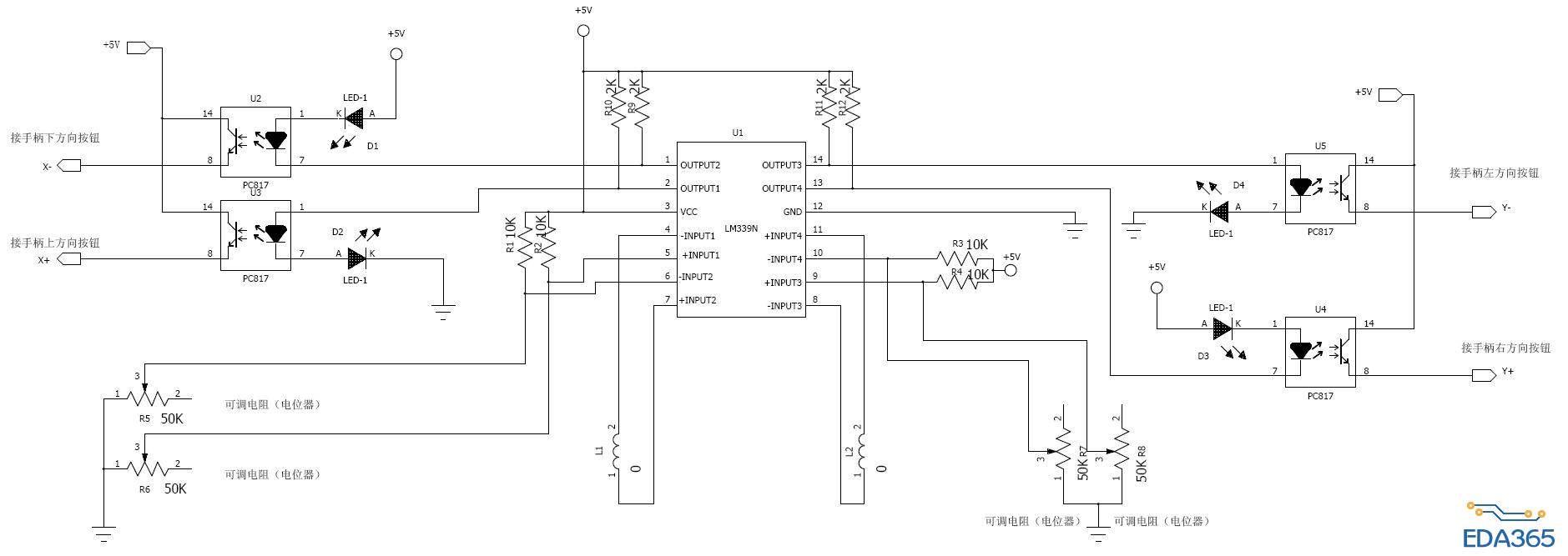
1,下方的电感L1位于设备内部(L1是个复杂的线圈,可以看为一个电感),正常情况下,这个电感无感应电流,但设备偶尔工作不在稳态时,L1两端会有压差(可正可负)
2,L2跟L1相同的情况。
3,LM339比较之后通过光耦变成开关量。
原理图如下,实际工作中总是达不到预想的要求,求强人指点迷津。
2,L2跟L1相同的情况。
3,LM339比较之后通过光耦变成开关量。
原理图如下,实际工作中总是达不到预想的要求,求强人指点迷津。
