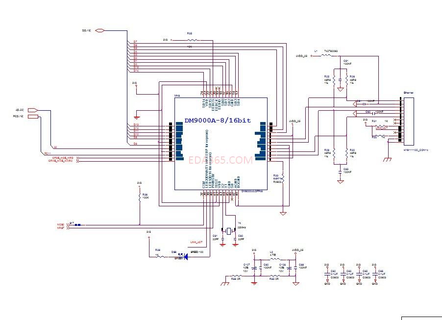
求at91sam9261与DM9000A硬件连接
时间:10-02
整理:3721RD
点击:
如题
请哪位大侠提供下at91sam9261与DM9000A硬件连接
以及DM9000A的负载匹配
不胜感激
请哪位大侠提供下at91sam9261与DM9000A硬件连接
以及DM9000A的负载匹配
不胜感激
我用s3c2440是把dm9000a直接挂总线上,负载匹配就不知道了,你说的是ibs模型吗?
我的是和厂商提供的标准图差不多的

用总线直接跟ARM芯片连过去~~
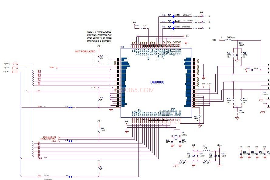
之前用的是DM9000
现在要改成9000A
不知道除了9000上的信号线要改动外
还有什么要改动的
个人怎么觉得把9000A上的引脚根据9000以前连的改下就好了

不用改什么的
改完了~~~~
