为何异步复位那要加2个D触发器才能保证无亚稳态?
时间:10-02
整理:3721RD
点击:
为何异步复位那要加2个D触发器才能保证无亚稳态?
其中P是一个触发器发生亚稳态错误的概率。标准的方法是采用至少两个触发器(有时采用3个)
进行同步串联。
3:使用能克服亚稳态的触发器。这些器件内部的触发器电压低且速度快,具有很大的K值,
输出驱动同普通触发器是一样的,具有很好的亚稳态性能。
4:尽量降低采样频率(如果可能)。较宽的时钟周期使得触发器有充分的时间进行反应,
使得采样到亚稳态的机率减少。如果时钟频率降低,失效率会比指数速率下降得还要快。
5:如果输入信号的变化很慢,一些触发器的亚稳态性能会变差。采用边沿速度快的输入信号可以克服这个问题
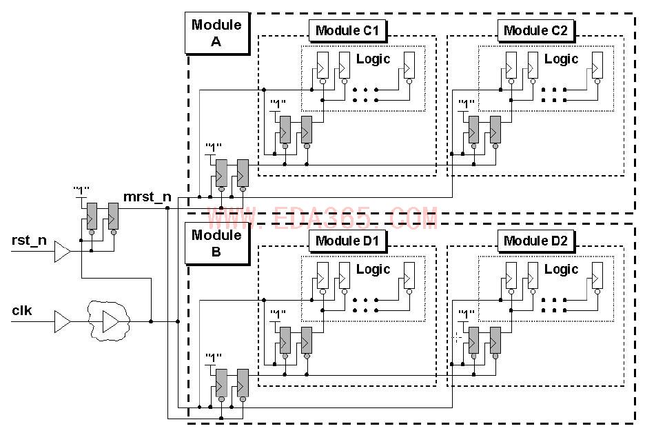
适当延时,给复位稳定的触发信号!
(转摘)
如果遇到亚稳态问题,下面的建议可能会有帮助:
1:采样快速触发器,这种触发器可能有较窄的亚稳态时间窗。
2:将两个(或多个)触发器串联,用同一个时钟驱动。N个触发器发生错误的概率是
其中P是一个触发器发生亚稳态错误的概率。标准的方法是采用至少两个触发器(有时采用3个)
进行同步串联。
3:使用能克服亚稳态的触发器。这些器件内部的触发器电压低且速度快,具有很大的K值,
输出驱动同普通触发器是一样的,具有很好的亚稳态性能。
4:尽量降低采样频率(如果可能)。较宽的时钟周期使得触发器有充分的时间进行反应,
使得采样到亚稳态的机率减少。如果时钟频率降低,失效率会比指数速率下降得还要快。
5:如果输入信号的变化很慢,一些触发器的亚稳态性能会变差。采用边沿速度快的输入信号可以克服这个问题
很好 很强大
解释得比较清楚,不错
很清晰的问题和解释,学习了
en 说不不错
呵呵 不错学习!
