从零学运放—08 积分电路_开关电源等一些电路讲解
从零学运放—08 积分电路_开关电源等一些电路讲解
这一节课我们来讲下积分放大,积分放大是非常有用的一个东西,但是一般来说大家比较陌生,它实际上在开关电源中大量使用,那么下图就是一个开关电源电路

最常用的手机充电器啊,还有一些5W到10W甚至20W的 一些小的开关电源一般都采用上图RCC的开关电源。他里边用到了一个反馈系统,就是下图(上图的部分电路)

这个管子的型号叫TL431,那么输出的电压经过两个分压之后产生的信号过来给这个芯片,之后当高于2.5伏的时候那么就控制像二极管似的负端一个低电平,然后通过RC反馈回来,那么高于2.5伏让它变低,低于2.5伏让这变高这样一个电路。反馈回路我们看到串了一个电容,按照放大来说,反馈一个电阻就可以了,但这里串了一个电容,这个电容就构成了积分,所以这是个积分放大电路,那么积分放大电路一般用在哪个地方呢,一般用于系统延时比较长的电路中。典型的案例就是工控(工业控制自动化),自控系统里往往反馈周期比较长,那么需要引入PID的一个算法,P是比例,I是积分,D叫微分。那么延时比较长的系统呢,典型我们生活中的案例是什么呢,我们洗澡的时候调节水温,尤其冬天,我们水是冷的,那么需要一个热水器把水加热,那么我们加热的时候刚开始的时候我们肯定是加的最热的。那么我们先出的热水,那么热水又太烫了,那么我们要调节热水跟冷水的比例关系,最后不停的调节达到我们想要的温度。那么这个过程我们需要十几到二十秒过程都有可能,那么这就是个很滞后的一个系统,所以一般PID算法适应于响应速度很慢的,用于滞后系统很长的系统中。
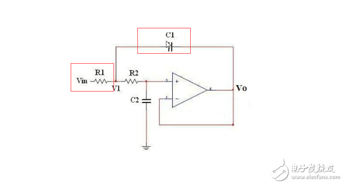
那么开关电源呢,对于线性电源来说或者运放来说是一个响应速度比较慢的系统,那么这个时候普通的也就像运放一样直接反馈回去的方式有一些失效,那么要采用PID算法尤其这里的I算法(积分算法)。PID算法还是很复杂的,那么我们为了简化一下,我们把开关电源图变成下图

上图是开始开关电源的等效电路图,刚才我们讲了,开关电源里用了一个TL431芯片(比较器),它的参考电压是2.5伏,我可以看到上图,我们把开关电源用了一个模块来表示了
这个电路刚开始就是通过这个电容,把电压锁住了,电压上升过程很慢,慢慢之后让参考点逐渐逼近2.5伏,输出端电压掉下来,从而让开关电源有个稳定的输出。这个过程中类似于IOC串上一个电阻,跟阻尼震荡一样,慢慢慢慢逼近5伏。
那么具体这方面大家参考下PID算法,D算法很少用到,但是I算法非常非常重要,因为自动控制里边特别强调的,以前都是用模拟运放搭的,比如一些积分电路,微分电路搭的。那今天来说用单片机之后,用模拟实现积分放大很少,但在开关电源中还是在大量使用。

下面讲一下,差分转单端。因为这个地方用的也是比较多的,典型的案例就是电子称。电子称一般采用桥式的四个电阻取出来,之后把输入变成单端信号,就是电桥取样。那么我们可以看到这种电路如何分析呢。我们假设同相、反相输入信号为零,那么反相输入端R4接地为0,输出通过R5接地,也为零。输入输出都是零,就可以组成方程来解,输入和输出关系。那么就满足个平衡。这里我们看到R1是2K,R2是100K,那么R2和R1之间的比例关系是50倍,R3是2K、R4是100K,那么看到同相端、反相端是对称的。那么R2和R1的比例关系决定了运放的放大倍数。比如说这个差分电路,同相输入1伏,反相输入-1伏的话,那么误差就是2伏了,那么R2和R1产生的放大倍数50倍,一乘起来就很大了。当然电压不可能超过Vcc电压(电源轨)。那这个就是电子称一类的差分电路。注意电阻必须对称。

上边这个电路图是非常有意思的。这个芯片运用于一些电力方面比如说我一个工作的电路板,参考电压是0—3.3伏附近就是工作低压,但是我采样的电压呢有可能工作在200-300伏上,那么200-300伏变成差分信号,比如说我们某一个电路上通过一个小电阻测量电流是多少,那采样部分的电压跟我控制部分的电压落差可能有100-200伏,那怎么办呢,那么我们就可以通过上边的芯片AD629,内部把电阻都做进去了,它是专用的一个,可以抗很高共模的一个差分转单端的芯片,什么意思呢,你可以看到3脚输入,输入很高的电压通过380千欧姆和20千欧串联分压了,5脚一般接地,1脚也接地,380和20分压就是19:1了,也就是说190伏,经分压也就是10伏了,所以说3脚就可以接一些高压的地方。那么同样的2脚经过一个380K欧与21.1K进行分压,那电压也就下来了,那么横向的380K(6引脚,输出上内部连的电阻)其实和21.1K是并连起来,因为默认情况下加入输入电压为0(同相反相),1脚也为0,6脚也0,5脚也0,恰好是个方程的解。1脚上电阻和6脚上电阻并联,它恰好是等于5脚上20K的电阻的,实现完全的对称,那么这个就转形成电子称电路图了。那么这个芯片内部电路放大倍数是多少呢,因为信号进来电阻可以认为把信号分压了,分压成小电压了,比如2脚和3脚之间信号差分是1伏,但是通过分压,分压之后很小很小了,所以必须通过反馈接一个380K欧的电阻把这个信号再放大起来,最后实现这个芯片放大倍数为1,那就实现了抗共模取差模的功能。这个芯片还是不错的。

常用的二阶低通滤波器呢用的还是比较多的,比如PIM单片机想得到一个D/A信号,就是得到一个模拟量,一种方式用D/A转换来做,D/A转换之后,再加些运算放大。第二种方式就用PDM来实现,因为现在单片机都有PDM,DAC到不见得有,所以PDM之后呢,再通过上边电路的二阶滤波就可以得到一个比较好的模拟信号。
可以先看作一级RC

下边是二级RC

这样就得到2级的RC滤波,C1脚接到了输出端,输出端对交流来说它是虚短的,那么C1与输出接的脚完全等价于接地和C2是等价的。你可以认为R1与C1、R2与C2信号经过这两级滤波然后进入运放输出。二阶低通滤波用的是比较多的。

这个图是BTL电路,现在接触的人不多,但是以前是很多很多的。最典型的就是汽车上的功放,汽车上的功放用的就是BTL电路,它很适合于电瓶之类的单电源供电的音响场合。实际就是两路功率型的功放,10引脚信号经过功放,通过电阻桥接到1引脚在通过电容进入6引脚进入下方功放的反相输入,上边一路是正相输入,之后输出信号经过电容通过另外一个功放反相输入,当上路功放输出为同相端高的时候,到下边是反相端输入恰好2脚位低,实现了BTL也就是推挽输出。还有一个地方用的非常广泛,我们锂电池供电的手机、MP3很大程度上都是用的这种电路。这种电路最大好处是没有输出电容,没有输出隔直电容,因为大功率输出有隔直电容针对外放来说是非常头疼的,比如说常用于手机上的芯片。
好这部分就讲到这里。
接下里我们快速浏览下LM358芯片手册
1、内部有频率补偿电容,也就是之前提到的相位补偿,就是下图中的Cc电容

2、大的直流电压增益,有100dB,100dB大概是100/20那就是5,10的5次方也就是100K,10万倍的放大。
3、宽带宽,1.1MHz(带有温度补偿)
4、非常低的供电电流(500uA),依赖于电压,不同电压下电流是不一样的。
5、低的输入偏置电流,10nA(带温度补偿)
6、低的失调电压,大概2mV,其实这个2mV是很大的了,所以说LM358只能用于普通场合
7、低的输入失调电流,2nA,这个值其实不算很大
8、输入共模电压范围,包括地(就是输入电压可以到地)
9、差分输入电压范围可以等值为电源电压,比如电源电压是20伏,那么差分的电压可以达到20伏
10、最大输出电压是从0伏到Vcc-1.5伏,之前见过这个电路里边Q5和Q6导通分别有0.5的压降,那么合起来就是1,加上100uA的恒流源它也有个压降,所以这就减掉了1.5,但实际上呢,一般的讲,比如说Vcc是10伏的话,输出一般不要超过5伏吧,是比较好的(如果是线性区的话)。如果不考虑线性区无所谓。之前讲过低电压的时候,虽然电压输出可以0伏,但是输出如果跟的是容性负载的话,0伏不是马上就能够到0的。之前讲过,比如说Q12完全导通,那就是0.3伏,0.3伏加上Q13的0.5伏压降,那么输出最低0.8伏,因为低于0.8伏的话,电流吸不走的,对于容性负载来说,电压就一直保留着。如果是电阻性负载的话那问题不太大,上边Q5、Q6关闭,电流没下来必然是0伏了,但是所有的东西必然带有电容特性,所以说为了加快它到0伏的话,一般输出端下拉一个几百到1K的电阻,让它快速的哪怕有容性的把电容的点给吸收掉,可以输出为0伏。
11、封装来说SO-8是最常见的,DIP8现在很少有人用了。
下图是极限参数

电压范围双电源+/-16伏,单电源32伏
输入电压范围-0.3到+32伏,现在任何一个芯片内部都有二极管保护,那么这个0.3其实就是二极管保护,输入电压低不能低于内部二极管导通,二极管就是为了保护一些静电啊,如果Non-inverting input低于超过0.5伏,那么就会导致保护二极管会烧坏,所以说不能低于负0.3伏。
差分输入电压范围,可以全电源范围就是32伏
功耗500mW,因为SO-8封装体积非常小,功耗只能做到这么大,500mW其实手摸上去就已经发热了。这是最大,如果供电电压越高发热量就越大。
输出短路持续时间,无限大,因为内部有保护短路电阻
输入电流,50mA
接下来讲下应用,如下图是条件

这是供电5伏下测的特性,我们这里只看LM358

输入失调电压,典型值是2mV Vos
输入失调电流,2nA Ios
输入偏置电流, 20nA Ib
增益放大,100K,

电源抑制比(SVR),当电源有纹波波动的时候,那么对输出是有影响的。条件是负载为10K欧情况下,这个值越高越好。
输入共模电压范围(Vcm),Vcc-1.5
共模抑制比(CMR),85dB。就是差模的放大倍数除以共模的放大倍数,之后取log,这个值越高越好。

输出电流(Isource),可以达到40mA
输出吸收的电流(Isink),可以达到20mA
输出电压的摆幅(Vopp),可以Vcc-1.5V

压摆率表示了芯片的频响特性,这个值越大,带宽值就越高。1uS电压可以达到0.6伏

带宽增益积(GBP),极限带宽1.1MHz
交越失真(THD)0.02%,这个值对HIFI音响来说是很重要的,比如我们一个正弦波,信号过来给芯片,输出不可能百分之百正弦波,那基频是正弦波,那么把三次、五次的叠加的信号能量和基频能量这个比例关系,其实就叫交越失真。
噪声(en),55nV/(根号Hz),单位为什么是这样呢,因为噪声没办法在有一个频点有噪声,这是没法做的,没办法说某个频点上有多少噪声,只能说某个频带上有多少噪声。比如说1KHz到101Hz这区间内,有多少噪声的能量,我无法说幅度,因为这个幅度是随机波动的。
输入失调电压温漂(DVio),7uV/℃
输入失调电流温漂(DIIio),10pA/℃
Vo1/Vo2,这个是LM358是双通道的,120dB,这个值很少有人关心,可以认为是理想的

电压增益和频率之间的关系

频率和电压输出幅度之间的关系

输入信号和输出信号延时关系

输出电压和输出电流关系
到此本章内容结束!
交流讨论,加我微信:17717546924
受教了,正好最近在选开关电源,和这个LM358
