光电电路分析
时间:10-02
整理:3721RD
点击:
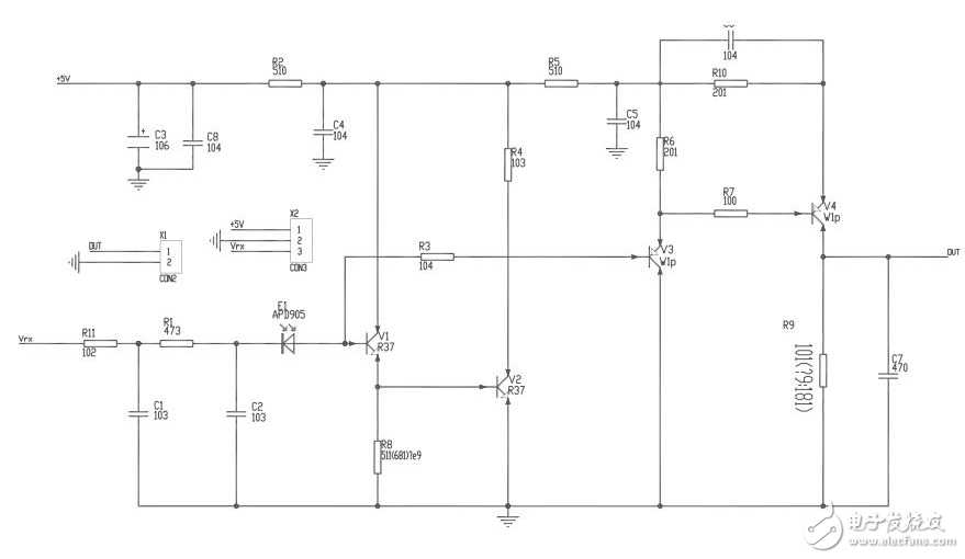
请问这个电路中,光电二极管是怎么工作的,它怎样影响输出?V1V2的作用是什么,V3V4的作用是什么,R1C1C2那部分又有什么作用?非常感谢!

这个线路有些复杂呀 双态转化有些复杂呀
请问什么是双态转化啊?
不知小编你输入的信号是多少
感觉电路图是错的
我输入直接接了+5V直流电压源,Vrx没有用,光电二极管接收周期性变化的光信号,示波器检测输出。V1,V2是同一种NPN管,V3,V4也是相同的PNP管。
好多人都说这电路有问题,我也很郁闷,都要毕业了!请问你认为哪里不对呢?谢谢!
怎么说那 个人感觉这个线路图有些错误
个人感觉啊。
你把V2集电极与V3的基极交叉点连起来试试。
光电二极管是通过光来导通,反向不导通,还是在校生,也不太懂,希望有有能之士来帮助你哈
