请高手赐教该差分模拟开关中VT11和VT14如何导通?
时间:10-02
整理:3721RD
点击:
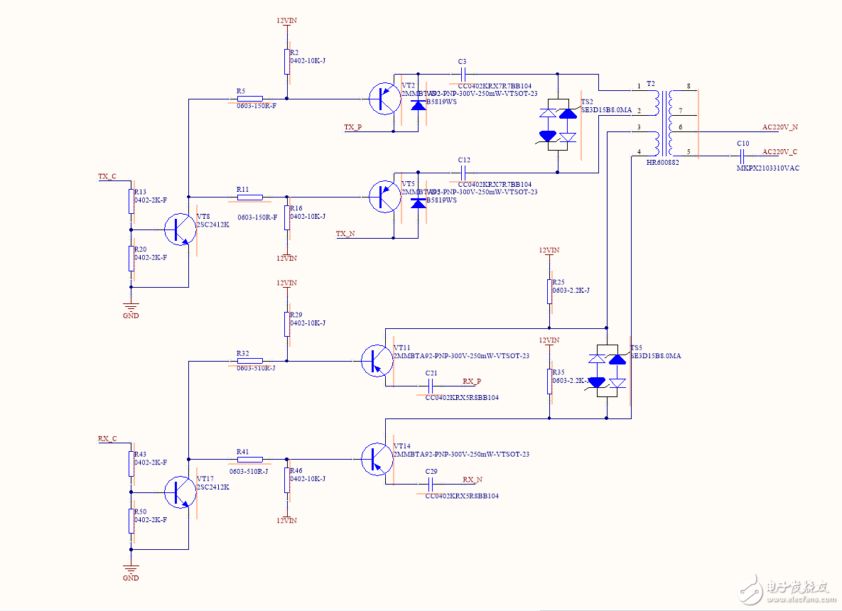
信号从变压器5、6脚输入,从3、4脚输出,输入到VT11、VT14的集电极,然后从发射极输出,VT17用来控制VT11和VT的通断。当三极管VT17导通时,VT11和VT14是不是处于饱和导通状态,此时VT11和VT14是如何导通的,PNP三极管在饱和导通时,C极信号能够传输到E极吗?
模拟开关原理

是滴,当vt17通入一个弱电流时,vt17就会导通,一导通了vt11和14就跟着导通,原理跟17一样咯。这只是我个人观点,不对的请指出来让我改正。
嗯 主要疑问在VT11和VT14这两个PNP三极管导通时,是从集电极到发射机导通,正常的情况是不是应该是从发射机到集电极。
没看出来这是干什么用的电路图
HomePlug 用于切换信号路径,本来是有A、B、C三相电路的,这里只是A相电路。
之前忙考试 一直没登这个app,不知道你解决没有。我个人观点是:三极管导通方向看它射级的箭头。
