8550三极管驱动5V直流电机
时间:10-02
整理:3721RD
点击:
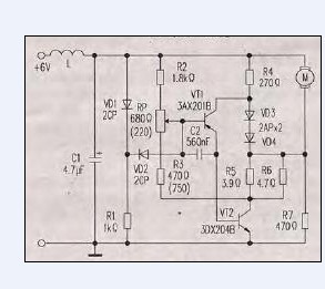
各位大侠,小弟要用2051单片机控制一个8050和一个8550组成的放大电路去控制一个5v5w的直流电机要怎么设计啊?我用直流电源看到电机电流是0.54A。
file:///E:/8550驱动.png
这是自己弄的一个图带不动,三极管发热,麻烦看看要怎么改。图左边是输出,右边是单片机输入。

你所要做的是放电流放大,三极管接对!
用大功率的管子!

看看吧
我搞不懂你为什么要用两个管子.用一个管子就可以了,
如果你的电机电流是0.54A, 那么根据V8 的放大倍数,约为200左右,那么R13的取值约为1.4K到1.8K左右.
改好后电路在原来的基础上只有 V8, R13, V8的集电极上串上电机,注意正反. 其他统统取消.
当然,如果你有二级管, 在电机上面反向串一个二极管,将起到一个保护V8作用.
再有问题,请加我QQ 70035130
在电机上面反向并一个二极管,将起到一个保护V8作用
看看吧
有学习到了知识了
我感觉有点不对吧
受教育了!学习学习!

学习一下,到时有用的着的时候
学习学习学习学习
不知道这个v7是干嘛的 直接接个射极输出器就可以了啊
hoho,刚刚接触,学习一下
你用的三极管最大电流0.5安,小了。
小编,用一个三级管驱动的话,只能控制电机正转,不能反转,是不是这样啊?小弟愚见
