这是一个三角波发生器吗?
时间:10-02
整理:3721RD
点击:
这是个三角波发生器吗?仿真结果没波形啊,跟常用的波形发生器也不一样。

三角波 发生最好的办法就是把方波通过积分电路变成三角波。
显然 U1 通过正反馈是目的是产生方波,而U2用C2反馈构成了积分电路。
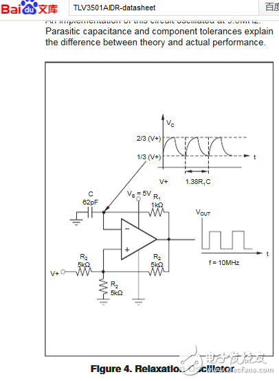
你没有波形的原因是,U1没有生成方波,你可以参考下 TLV3501A规格书里面的震荡电路
小编用的仿真软件是那一款?
书里有,自己去找。
你这是Psim软件么?
Multisim,还可以
multisim
谢谢谢谢~~~~~我在好好看下datasheet
