30. 四位数数字温度计
时间:11-18
来源:互联网
点击:
1. 温度传感器AD590基本知识
AD590产生的电流与绝对温度成正比,它可接收的工作电压为4V-30V,检测的温度范围为-55℃-+150℃,它有非常好的线性输出性能,温度每增加1℃,其电流增加1uA。
AD590温度与电流的关系如下表所示
摄氏温度
AD590电流
经10KΩ电压
0℃
273.2uA
2.732V
10℃
283.2uA
2.832V
20℃
293.2uA
2.932V
30℃
303.2uA
3.032V
40℃
313.2uA
3.132V
50℃
323.2uA
3.232V
60℃
333.2uA
3.332V
100℃
373.2uA
3.732V
AD590引脚图
2. 实验任务
利用AD590温度传感器完成温度的测量,把转换的温度值的模拟量送入ADC0809的其中一个通道进行A/D转换,将转换的结果进行温度值变换之后送入数码管显示。
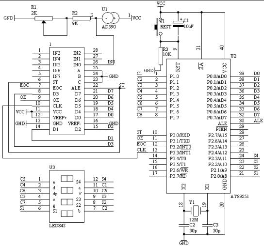
3. 电路原理图

图4.30.1 4. 系统板上硬件连线
(1).把“单片机系统”区域中的P1.0-P1.7与“动态数码显示”区域中的ABCDEFGH端口用8芯排线连接。
(2).把“单片机系统”区域中的P2.0-P2.7与“动态数码显示”区域中的S1S2S3S4S5S6S7S8端口用8芯排线连接。
(3).把“单片机系统”区域中的P3.0与“模数转换模块”区域中的ST端子用导线相连接。
(4).把“单片机系统”区域中的P3.1与“模数转换模块”区域中的OE端子用导线相连接。
(5).把“单片机系统”区域中的P3.2与“模数转换模块”区域中的EOC端子用导线相连接。
(6).把“单片机系统”区域中的P3.3与“模数转换模块”区域中的CLK端子用导线相连接。
(7).把“模数转换模块”区域中的A2A1A0端子用导线连接到“电源模块”区域中的GND端子上。
(8).把“模数转换模块”区域中的IN0端子用导线连接到自制的AD590电路上。
(9).把“单片机系统”区域中的P0.0-P0.7用8芯排线连接到“模数转换模块”区域中的D0D1D2D3D4D5D6D7端子上。
5. 程序设计内容
(1).ADC0809的CLK信号由单片机的P3.3管脚提供
(2).由于AD590的温度变化范围在-55℃-+150℃之间,经过10KΩ之后采样到的电压变化在2.182V-4.232V之间,不超过5V电压所表示的范围,因此参考电压取电源电压VCC,(实测VCC=4.70V)。由此可计算出经过A/D转换之后的摄氏温度显示的数据为:
如果(D*2350/128)<2732,则显示的温度值为-(2732-(D*2350/128))
如果(D*2350/128)≥2732,则显示的温度值为+((D*2350/128)-2732)
6. 汇编源程序
(略)
7.C语言源程序
#include
#include
unsignedcharcodedispbitcode[]={0xfe,0xfd,0xfb,0xf7,
0xef,0xdf,0xbf,0x7f};
unsignedcharcodedispcode[]={0x3f,0x06,0x5b,0x4f,0x66,
0x6d,0x7d,0x07,0x7f,0x6f,0x00,0x40};
unsignedchardispbuf[8]={10,10,10,10,10,10,0,0};
unsignedchardispcount;
unsignedchargetdata;
unsignedlongtemp;
unsignedchari;
bitsflag;
sbitST=P3^0;
sbitOE=P3^1;
sbitEOC=P3^2;
sbitCLK=P3^3;
sbitLED1=P3^6;
sbitLED2=P3^7;
sbitSPK=P3^5;
voidmain(void)
{
ST=0;
OE=0;
TMOD=0x12;
TH0=0x216;
TL0=0x216;
TH1=(65536-4000)/256;
TL1=(65536-4000)%256;
TR1=1;
TR0=1;
ET0=1;
ET1=1;
EA=1;
ST=1;
ST=0;
getdata=148;
while(1)
{
;
}
}
voidt0(void)interrupt1using0
{
CLK=~CLK;
}
voidt1(void)interrupt3using0
{
TH1=(65536-4000)/256;
TL1=(65536-4000)%256;
if(EOC==1)
{
OE=1;
getdata=P0;
OE=0;
temp=(getdata*2350);
temp=temp/128;
if(temp<2732)
{
temp=2732-temp;
sflag=1;
}
else
{
temp=temp-2732;
sflag=0;
}
i=3;
dispbuf[0]=10;
dispbuf[1]=10;
dispbuf[2]=10;
if(sflag==1)
{
dispbuf[7]=11;
}
else
{
dispbuf[7]=10;
}
dispbuf[3]=0;
dispbuf[4]=0;
dispbuf[5]=0;
dispbuf[6]=0;
while(temp/10)
{
dispbuf =temp%10;
temp=temp/10;
i++;
}
dispbuf =temp;
ST=1;
ST=0;
}
P1=dispcode[dispbuf[dispcount]];
P2=dispbitcode[dispcount];
dispcount++;
if(dispcount==8)
{
dispcount=0;
}
}
AD590产生的电流与绝对温度成正比,它可接收的工作电压为4V-30V,检测的温度范围为-55℃-+150℃,它有非常好的线性输出性能,温度每增加1℃,其电流增加1uA。
AD590温度与电流的关系如下表所示
摄氏温度
AD590电流
经10KΩ电压
0℃
273.2uA
2.732V
10℃
283.2uA
2.832V
20℃
293.2uA
2.932V
30℃
303.2uA
3.032V
40℃
313.2uA
3.132V
50℃
323.2uA
3.232V
60℃
333.2uA
3.332V
100℃
373.2uA
3.732V
AD590引脚图
2.
利用AD590温度传感器完成温度的测量,把转换的温度值的模拟量送入ADC0809的其中一个通道进行A/D转换,将转换的结果进行温度值变换之后送入数码管显示。
3.

(1).把“单片机系统”区域中的P1.0-P1.7与“动态数码显示”区域中的ABCDEFGH端口用8芯排线连接。
(2).把“单片机系统”区域中的P2.0-P2.7与“动态数码显示”区域中的S1S2S3S4S5S6S7S8端口用8芯排线连接。
(3).把“单片机系统”区域中的P3.0与“模数转换模块”区域中的ST端子用导线相连接。
(4).把“单片机系统”区域中的P3.1与“模数转换模块”区域中的OE端子用导线相连接。
(5).把“单片机系统”区域中的P3.2与“模数转换模块”区域中的EOC端子用导线相连接。
(6).把“单片机系统”区域中的P3.3与“模数转换模块”区域中的CLK端子用导线相连接。
(7).把“模数转换模块”区域中的A2A1A0端子用导线连接到“电源模块”区域中的GND端子上。
(8).把“模数转换模块”区域中的IN0端子用导线连接到自制的AD590电路上。
(9).把“单片机系统”区域中的P0.0-P0.7用8芯排线连接到“模数转换模块”区域中的D0D1D2D3D4D5D6D7端子上。
5.
(1).ADC0809的CLK信号由单片机的P3.3管脚提供
(2).由于AD590的温度变化范围在-55℃-+150℃之间,经过10KΩ之后采样到的电压变化在2.182V-4.232V之间,不超过5V电压所表示的范围,因此参考电压取电源电压VCC,(实测VCC=4.70V)。由此可计算出经过A/D转换之后的摄氏温度显示的数据为:
如果(D*2350/128)<2732,则显示的温度值为-(2732-(D*2350/128))
如果(D*2350/128)≥2732,则显示的温度值为+((D*2350/128)-2732)
6.
(略)
7.C语言源程序
#include
#include
unsignedcharcodedispbitcode[]={0xfe,0xfd,0xfb,0xf7,
0xef,0xdf,0xbf,0x7f};
unsignedcharcodedispcode[]={0x3f,0x06,0x5b,0x4f,0x66,
0x6d,0x7d,0x07,0x7f,0x6f,0x00,0x40};
unsignedchardispbuf[8]={10,10,10,10,10,10,0,0};
unsignedchardispcount;
unsignedchargetdata;
unsignedlongtemp;
unsignedchari;
bitsflag;
sbitST=P3^0;
sbitOE=P3^1;
sbitEOC=P3^2;
sbitCLK=P3^3;
sbitLED1=P3^6;
sbitLED2=P3^7;
sbitSPK=P3^5;
voidmain(void)
{
ST=0;
OE=0;
TMOD=0x12;
TH0=0x216;
TL0=0x216;
TH1=(65536-4000)/256;
TL1=(65536-4000)%256;
TR1=1;
TR0=1;
ET0=1;
ET1=1;
EA=1;
ST=1;
ST=0;
getdata=148;
while(1)
{
;
}
}
voidt0(void)interrupt1using0
{
CLK=~CLK;
}
voidt1(void)interrupt3using0
{
TH1=(65536-4000)/256;
TL1=(65536-4000)%256;
if(EOC==1)
{
OE=1;
getdata=P0;
OE=0;
temp=(getdata*2350);
temp=temp/128;
if(temp<2732)
{
temp=2732-temp;
sflag=1;
}
else
{
temp=temp-2732;
sflag=0;
}
i=3;
dispbuf[0]=10;
dispbuf[1]=10;
dispbuf[2]=10;
if(sflag==1)
{
dispbuf[7]=11;
}
else
{
dispbuf[7]=10;
}
dispbuf[3]=0;
dispbuf[4]=0;
dispbuf[5]=0;
dispbuf[6]=0;
while(temp/10)
{
dispbuf
temp=temp/10;
i++;
}
dispbuf
ST=1;
ST=0;
}
P1=dispcode[dispbuf[dispcount]];
P2=dispbitcode[dispcount];
dispcount++;
if(dispcount==8)
{
dispcount=0;
}
}
四位数数字温度 相关文章:
- Windows CE 进程、线程和内存管理(11-09)
- RedHatLinux新手入门教程(5)(11-12)
- uClinux介绍(11-09)
- openwebmailV1.60安装教学(11-12)
- Linux嵌入式系统开发平台选型探讨(11-09)
- Windows CE 进程、线程和内存管理(二)(11-09)
