磁阻角度与线性位置测量系统设计方案
传感元件的中央部分相交。
选择磁体时,需考虑传感器和磁体之间的气隙,如图6所示。如果磁体未靠近传感器放置(即距离d极大),则可能需要更强或更大的磁体才能确保达到最小磁场强度要求。

图6.用于转轴角度测量的磁体方向与气隙
传感器基础知识
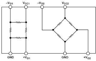
标准AMR传感器由两个惠斯登电桥组成,互相之间的相对角度为45°,如图7所示。

图7. ADA4571双惠斯登电桥配置
旋转磁场产生正弦和余弦输出信号,如图8所示。两个信号在180°范围内均为周期信号,因此没有额外元件或参考点就无法进行全方位360°测量检测。

图8.磁阻传感器输出电压
通道灵敏度
ADA4571传感器标称灵敏度为每通道52 mV/°,这意味着磁化矢量和传感器方向之间的每一度变化都会产生52 mV的输出电压改变。角度的灵敏度并非常量。灵敏度下降的部分是线路斜率接近零时的输出部分。
如图8所示,余弦输出(绿线)在磁化矢量角度接近0°、90°、180°或270°时损失灵敏度。类似地,正弦输出(红线)在磁化矢量角度接近45°、135°、225°和315°时损失灵敏度。幸运的是,当一个通道的灵敏度降低时,另一个通道处于高灵敏度区域。
系统带宽、磁场旋转
磁场角度矢量是理解电路带宽的重要内容。ADC每微秒转换一个样本。为了获得1°分辨率,磁场1 ms只能移动1°(2.778 kHz),否则ADC无法以足够高的速度进行采样,以便跟上磁场变化的速度。对于1 MSPS ADC,这表示磁场的最大可用角速度为2.778 kHz.
旋转测量测试结果
将直径方向的N42磁体(直径= 0.5英寸,厚度= 0.125英寸)连接至金属杆的末端。精密直流电机可对金属杆进行精细角度控制。传感器精确安装在磁体正面。气隙设为2 mm.只要磁铁激励使传感器完全饱和,则结果便与气隙基本无关。
电机转动,创造出与传感器相交的旋转磁场,进而产生重复性正弦和余弦输出电压,适合进行角度计算和数据采集。
图9显示了该设置的功能框图。图10是该设置的照片,可用来采集轴尾配置的数据。该设置由无刷直流电机、物理安装、磁体和集成相应ADA4571传感器的PCB组成。

图9.数据采集测试设置——轴尾配置

图10.无刷直流电机基准测试设置照片
图11通过磁体的多次转动,将电机的机械角与传感器的计算磁场角相比较。该计算利用两个输出之比的反正切函数。未进行校准时,误差接近±1°。

图11.失调校正前的角误差与机械角之间的关系
图12显示仅有一次失调校正的误差。无需针对正弦和余弦的幅度失配、非线性度或正交性校正进行额外调节。使用每个通道的峰峰值或平均值可确定失调值,因为它贯穿整个机械旋转。从对应通道中减去失调,以获得线性传感器响应。最大误差接近±0.2°,而该范围内的绝大部分误差小于±0.1°。

图12.仅针对失调进行校正后的角误差与机械角的关系
PCB布局考虑
CN-0368系统的PCB采用4层板堆叠而成,具有较大面积的接地层和电源层多边形。
在任何注重精度的电路中,必须仔细考虑电路板上的电源和接地回路布局。PCB应尽可能隔离数字部分和模拟部分。有关布局和接地的详细论述,请参见MT-031指南;有关去耦技术的信息,请参见MT-101指南。
所有IC的电源应当用1μF和0.1μF电容去耦,以适当抑制噪声并减小纹波。这些电容应尽可能靠近器件。对于所有高频去耦,建议使用陶瓷电容。
电源走线应尽可能宽,以提供低阻抗路径,并减小电源线路上的毛刺效应。通过数字地将时钟及其它快速开关数字信号屏蔽起来,使之不影响电路板的其它器件。图13为PCB的照片。

图13. EVAL-CN0368-SDPZ板的照片
常见变化
如需1 MSPS以上采样速率,应考虑使用下列同步采样ADC;
如需12位或14位以上的分辨率,可使用AD7655(1 MSPS时为16位)。
电路评估与测试
本电路使用EVAL-SDP-CB1Z系统演示平台(SDP)板和EVAL-CN0368-SDPZ电路板。这两片板具有120引脚的对接连接器,可以快速完成设置并评估电路性能。
EVAL-SDP-CB1Z板与CN0368评估软件一同使用,捕获EVAL-CN0368-SDPZ电路板的数据。
设备要求
需要以下设备:
带USB端口和Windows XP(32位)、Windows Vista(32位)或Windows 7(32位)PC
EVAL-CN0368-SDPZ电路板
EVAL-SDP-CB1Z SDP板
6 V电源或壁式电源适配器
CN0368评估软件
传感器封装处磁场强度不低于25 kA/m的钕磁体
开始使用
将CN0368评估软件光盘放入PC,加载评估软件。打开我的电脑,找到包含评估软件光盘的驱动器,打开Readme文件。按照Readme文件中的说明安装和使用评估软件。
功能框图
图14所示为测试设置的功能框图。

图14.测试设置框图
设置
将EVAL-CN0368-SDPZ上的120引
- 尽可能提高测试系统利用效率的三种策略(10-22)
- 一种气动人工肌肉运动位移测量系统的实现(03-07)
- 核辐射剂量场实时成像测量系统的研究(01-10)
- 基于数字移相的高精度脉宽测量系统及其FPGA实现(08-22)
- 嵌入式系统的远程参数测量的设计(09-12)
- 基于J2ME的脉搏波测量系统设计(01-15)
