labview---字符串自动依次顺序输出
时间:12-27
来源:互联网
点击:
应用场景:

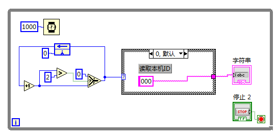
用条件结构来选择,对应条件时的字符串。
使用反馈节点,

当自动累加到2时, 如果大于2,

数值条件对应的顺序为:
0-----------------字符串“000”
1-----------------字符串“111”
2-----------------字符串“222”
...
这里仅用0,1,2做为实例, 如果有更多,后面依次可以添加。



将这一模块添加到串口发送里去:
这里显示接收到的数据效果。
labview字符串顺序输 相关文章:
- 频宽、取样速率及奈奎斯特定理(09-14)
- 为什么要进行信号调理?(09-30)
- IEEE802.16-2004 WiMAX物理层操作和测量(09-16)
- 为任意波形发生器增加价值(10-27)
- 基于PCI 总线的高速数据采集系统(09-30)
- 泰克全新VM6000视频测试仪助力数字电视等产品测试 (10-06)
