广义软开关串并联补偿在线UPS
,根据基尔霍夫节点电流为零的定律,在节点A负载所需的电流iL=ip+iq+ih,因而逆变器Ⅱ的输出电流为iL-i=ip+iq+ih-ip=iq+ih。
7 在线UPS所采用的广义软开关
上面以单相串并联补偿在线USP为例,介绍了它的组成,各部分功能,原理与控制方式。下面介绍在线UPS中逆变器Ⅰ和Ⅱ的广义软开关电路。
串并联补偿在线UPS中的逆变器Ⅰ和Ⅱ,实际普遍采用的电路是单相半桥、单相全桥、三相半桥和三相全桥电路。下面选用具有代表性的单相半桥、单相全桥或三相半桥电路为例进行介绍。
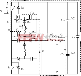
7.1 单相半桥逆变器的广义软开关电路
单相半桥逆变器的广义软开关电路如图2所示,其中图2(a)为电路图,图2(b)为开关波形图。在图2(a)中,S1、S2为主逆变开关,S1的无损关断缓冲电路由二极管Ds1、Ds2、Ds3、缓冲电容Cs1、Cs2(Cs1=Cs2)和谐振电感Ls1组成。LF为滤波电感,Z_为负载(阻性或感性),Cd1=Cd2为直流分压电容,Ud为直流电源电压,us为S1两端的电压,is为流过S1的电流。

(a) 电 路 图

(b) 开 关S1的 开 关 波 形
图2 单 相 半 桥 逆 变 器 的 无 损 缓 冲 电 路
电路的原始状态为:S1、S2关断,Cs1、Cs2上电压ucs1=ucs2=0。当开关S1开通后,Cd1上电压Ud/2通过S1、LF向负载供电,直流电源Ud通过开关S1、谐振电感Ls1、二极管Ds2,沿着虚线所示路径,对缓冲电容Cs1、Cs2充电。其等效电路如图3(a)所示,其中ucs1=ucs2为缓冲电容Cs1、Cs2上的电压,uL为Ls1上电压,RL为Ls1中的电阻,iL为流过Ls1的电流。在选定的电压和电流方向下,根据基尔霍夫定律(考虑Cs1=Cs2)可得
uL+uRL+ucs1+ucs2=uL+uRL+2ucs1=Ud
由于iL=
=
uRL=iLRL=RL
uL=Ls1
=Ls1
则
Ls1
+RL
+2ucs1=Ud
由于RL2
,所以电路是谐振的。
对上式求解可得
2ucs1=Ud-Ude-δt((δ/ω)sinωt+cosω t)
式中:δ=
;ω=
;ω0=
。
当ω t=π时,sinωt=0;cosωt=-1
则2ucs1=Ud+Ude-δt
当RL=0时,2ucs1=2Ud,ucs1=Ud。
充电过程中,ucs1和iL的波形如图3(c)所示。当ω t=π时,ucs1=Ud,iL=0。
当S1关断时,由于Cs1、Cs2上电压ucs1=ucs2=Ud,开关S1上电压us=Ud-ucs1=0,所以S1是零电压关断。S1关断后,Cs1、Cs2上电压ucs1=ucs2=Ud通过滤波电感LF、负载ZL和直流分压电容Cdz,沿着图2(a)中点划线所示的路径放电,其等效电路如图3(b)所示。由基尔霍夫定律得
-ucs1+uL+uR-Ud/2=0
设R为负载电阻,LFZ为滤波与负载电感,由于iz=-2Cs1
;uR=Riz=-2RCs1![]()
uL=LFZ
=-2LFZCs1![]()
代入上式得
2LFZCs1
+2RCs1
+ucs1-Ud/2=0
对于多数情况R2
,所以电路是谐振的。
求解上式可得ucs1-Ud/2=
e-δ′t(
sinωt+cosω t)
式中:δ′=
;ω=
;ω0=
。
当ω t=π时,sinωt=0;cosωt=-1
则ucs1-Ud/2=-
e-δ′t
当R=0时,ucs1-Ud/2=-Ud/2,ucs1=0
放电过程中ucs1和iz的波形如图3(c)所示。

(a) 充 电 过 程 (b) 放 电 过 程

(c) 波 形 图
图 3 Cs1、Cs2充 电 与 放 电 过 程 等 效 电 路 与 波 形
当ω t=π时,ucs1=0,iz=0
当R=2
时,ucs1=
(1+δ′t)e-δ′t
由于δ′=
很大,Cs1较小,故ucs1按非谐振规律很快下降到零。
当R>2
,LFZ≈0时,τ=2RCs1,当t=τ时,ucs1=0.368Ud/2,当t=2τ时,ucs1=0.135Ud/2,当t=3τ时,ucs1=0.050Ud/2,由于Cs1很小,所以ucs1下降速度很快。
7.2 单相半桥逆变器广义软开关的工作过程
单相半桥逆变器无损关断缓冲电路的工作过程如图2(a)、(b)所示。在t0时,S1饱和导通,ucs1=ucs2已充电到Ud。当S1关断时,通过S1的电流is逐渐下降,S1两端的电压us=Ud-ucs1。Cs1、Ds3、Cs2、Ds1支路通过直流电源与S1并联,相当于在S1上并联了一个已充电到ucs1=ucs2=Ud的缓冲电容Cs=Cs1+Cs2,此时Ds2反偏置,Ls1中电流iL=0,Cs1和Cs2通过LF、zL和Cd2放电,ucs1=ucs2逐渐下降到零,S1上的电压us=Ud-ucs1逐渐上升到Ud。假定逆变器按单极性工作,在S1再一次开通之前由于LF与zL中电感的作用,与S2并联的二极管D2续流,iD2=iZL。当S1开通时,is逐渐上升,负载电流IZL=is+iDZ,S1上电压受D2导通的牵制,仍保持Ud不变。当is上升到is=IZL时,iD2=0,D2反偏置,S1进入饱和导通状态,S1上电压us迅速下降到零,相当于一个跃变电压Ud突然加到Cs1、Ls1、Ds2、Cs2支路上,Ds2导通,Cs1、Cs2充电。半个谐振周期后,Cs1、Cs2上电压ucs1=ucs2=Ud,iL=0,Ds2反偏置。
- 电源设计小贴士 1:为您的电源选择正确的工作频率(12-25)
- 用于电压或电流调节的新调节器架构(07-19)
- 超低静态电流电源管理IC延长便携应用工作时间(04-14)
- 电源设计小贴士 2:驾驭噪声电源(01-01)
- 负载点降压稳压器及其稳定性检查方法(07-19)
- 电源设计小贴士 3:阻尼输入滤波器(第一部分)(01-16)
