用于动态电源控制型DAC的高瞬态电流5 V稳压器(CN0198)
启用通道电流输出时,转换器将VBOOST_X电源调节至7.4 V (±5%)或(IOUT × RLOAD + 裕量)(取较大值)。电压裕量值约为3 V。在电压输出模式下,若输出被禁用,转换器将把VBOOST_X电源调节至+15 V (±5%)。在电流输出模式下,若输出被禁用,转换器将把VBOOST_X电源调节至7.4 V (±5%)。
在通道内部,VOUT_X级和IOUT_X级共用一个VBOOST_X电源,因此IOUT_X级和VOUT_X级的输出可以连在一起。
DC-DC转换器建立时间
在电流输出模式下,步长大于约1 V (IOUT × RLOAD)的建立时间将以DC-DC转换器的建立时间为主。当IOUT_X引脚需要的电压与顺从电压之和低于7.4 V (±5%)时除外。负载越小,建立时间越快。当电流步长小于24mA时,建立时间也会更快。
DC-DC转换器VMAX功能
最大VBOOST_X电压在DC-DC控制寄存器中设置。达到该最大电压时,DC-DC转换器被禁用,VBOOST_X电压则下降约0.4 V。当VBOOST_X电压下降时,DC-DC转换器被重新启用,电压斜坡再次升到VMAX(若仍有必要)。

图3. VMAX工作原理
从图3可以看出,当AD5755上升到VMAX值时,状态寄存器中的DC-DCx位置位,但当电压下降到VMAX − 0.4 V时,DC-DCx位解除置位。
AVCC电源静态电流要求
DC-DC转换器设计用于提供此数值的VBOOST_X电压:VBOOST = IOUT × RLOAD + Headroom
这意味着,对于固定负载和输出电压,DC-DC转换器的输出电流可以通过下式计算:

其中:
IOUT是IOUT_X的输出电流(单位:A)。
ηVBOOST为VBOOST_X的效率,表示为小数。
AVCC电源的压摆电流要求
AICC在压摆期间的电流要求大于静态工作模式,因为输出功率会增大,以便给DC-DC转换器的输出电容充电。如果无法提供足够的AICC电流,AVCC电压会下降。受AVCC下降影响,压摆所需的AICC电流会进一步增加。这意味着AVCC端的电压会继续下降,VBOOST_X电压以及输出电压可能永远无法达到目标值。由于该AVCC电压为所有通道共用,所以这也可能会影响其他通道。
ADP2300 AVCC电源
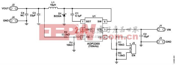
ADP2300和某些分立元件用于创建简单的5 V电轨,满足AD5755如前所述的电源电流要求。通过输出电压与FB引脚之间的一个电阻分压器(见图4),可从外部设置输出电压。

图4. ADP2300典型应用(ADP2300评估板)
测试数据与结果
所有测试数据均来自EVAL-AD5755SDZ、EVAL-SDP-CB1Z和ADP2300-EVALZ板。使用ADP2300的系统积分非线性(INL)、差分非线性(DNL)和总非调整误差(TUE)分别见图5、图6和图7。AD5755升压调节器在所有测量过程中均处于工作状态。
该系统的完整文档位于CN0198设计支持包中。

图5. 电压输出的INL

图6. 电压输出的DNL

图7. 电压输出的TUE
常见变化
AD5755-1与AD5755性能相近,但前者提供HART连接。AD5755-1各通道均有一个相应的CHARTx引脚,因此HART信号可以耦合到其电流输出端。
电路评估与测试
本电路使用EVAL-AD5755SDZ电路板和EVAL-SDP-CB1Z系统演示平台(SDP)评估板。这两片板具有120引脚的对接连接器,可以快速完成设置并评估电路性能。
EVAL-AD5755SDZ电路板包含待评估的电路,且SDP评估板与AD5755评估软件一起使用,可获取数据。
设备要求
需要以下设备:
带USB端口和Windows® XP、Windows Vista®(32位)或Windows 7(32位)PC
EVAL-AD5755SDZ电路板
EVAL-SDP-CB1Z SDP评估板
ADP2300-EVALZ评估板
AD5755评估软件
电源:±15 V
数字万用表(即Agilent 34401A)
GPIB转USB电缆(仅在捕捉DAC模拟数据并将其传送到PC时才需要)
开始使用
将AD5755评估软件光盘放入PC中,加载评估软件。打开我的电脑,找到包含评估软件光盘的驱动器,打开Readme文件。按照Readme文件中的说明安装和使用评估软件。
功能框图测试设置框图见图8,电路原理图见EVAL-CN0198-SDPZ-SCH-RevX.pdf文件。此文件位于CN0198设计支持包中。

图8. 测试设置框图
设置
将EVAL-AD5755SDZ上的120引脚连接器连接到EVAL-SDP-CB1Z上的CON A连接器。使用尼龙五金配件,通过120引脚连接器两端的孔牢牢固定这两片板。
在关断电源的情况下,执行下列操作:
将±15 V电源连接至EVAL-AD5755SDZ的J5端子板。
将15 V电源连接至ADP2300-EVALZ的输入端。
将输出引脚连接至EVAL-AD5755SDZ的J6连接器。
将±15 V电源连接至EVAL-AD5755SDZ的J5连接器。
SDP板附带的USB电缆连接到PC上的USB端口。注意:此时请勿将该USB电缆连接到SDP板上的微型USB连接器。
测试
为ADP2300-EVALZ和EVAL-AD5755SDZ电源供电。
通过USB电缆将PC连接到SDP板上的微型USB连接器,并启动评估软件。
一旦USB通信建立,就可以使用SDP板来发送和接收来自EVAL-AD5755SDZ的
- 基于CAN通信的电源监控系统的设计(04-06)
- 一种基于Intel8253与L298N电机PWM调速法(06-09)
- GPIB芯片TNT4882在多路程控电源中的应用(06-08)
- 用作测试负载的数字可编程电阻(07-15)
- 关于光电转换电源控制系统的设计(07-24)
- 基于DSP的单相精密电源硬件设计(07-24)
