快速充电电路图集锦
取出感应电压,加到开关管的基极上,以维持振荡。
TOP7 bq2004搭建的镍氢电池快速充电电路模块
电路原理:用bq2004搭建了一个镍氢电池的快速充电电路,给10节镍氢电池充电,快充电流最大为 2.25A,电路如图所示。是电路开始对电池进行快速充电后,很快就跳到充满的状态了(不管电池是否充满)。快速充电模式持续时间很短,均没有超过封锁时间;电路中热敏电阻部分接入了6.2K定值电阻,可以保证任意时刻引起的快速充电终止;电路是根据DV2004S1的电路设计的,没有MTP23P06V 这款PMOSFET,用AO4606的N管代替了2N7000。

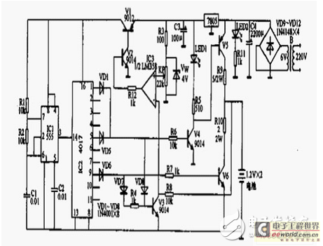
脉冲式快速充电器电路
电路原理:如图为脉冲式快速充电器电路。本镍镉电池充电器采用大电流脉冲放电的形式,以达到快速充电的效果并能减少不良的极化作用,增加电池使用寿命。脉冲充电器的电路结构由电路滤波、一次整流滤波、PWM变换、二次整流滤波、脉冲电路、充放电电路和反馈控制。该电路与普通开关电源电路相比,多了脉冲产生电路与充放电电路部分。为了提高该电路的变换效率,PWM控制采用贵生动力专用研发的集成控制器件;脉冲产生电路采用了555时基电路与十进位计数器/分频电路。DC/DC变换部分是使用贵生动力专用研发的反激式电路。除了PWM控制本身的特性,如工作在准谐振模式、空载降频、动态自供电、无载功耗低等特色外,均与常规反激式电路相似。

TOP8 基于单片机的锂电池快速充电电路模块
单片机电路
单片机芯片为Atmel公司的AT89C52单片机,B1为蜂鸣器,单片机的P2.0口输出控制光耦器件,可以在需要时及时关断充电电源。

图2 52单片机电路原理图
充电电路控制模块
充电状态输出引脚/CHG经反相器74LS04后与单片机的P3.2口连接,触发外部中断。PNP为P沟道的场效应管或三极管。D1为绿色发光二极管,处于通电状态时亮;D2为红色放光二极管,电源接通时亮。R1设置充电电流的电阻,阻值为2.8千欧,设置最大充电电流为500mA;C2为设置充电时间的电容,容值为100μF,设置最大充电时间为3小时。

图3 充电电路控制部分
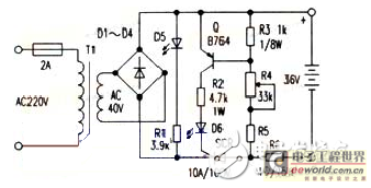
TOP9 电动车快速充电器电路
电路原理:AC220V市电经变压器T1降压,经D1-D4全波整流后,供给充电电路工作。当输出端按正确极性接入设定的被充电瓶后,若整流输出脉动电压的每个半波峰值超过电瓶的输出电压,则可控硅SCR经Q的集电极电流触发导通,电流经可控硅给电瓶充电。脉动电压接近电瓶电压时,可控硅关断,停止充电。调节R4,可调节晶体管Q的导通电压,一般可将R4由大到小调整到Q导通能触发可控硅(导通)即可。图中发光管D5用作电源指示,而D6用作充电指示。

电路特点:输出电压设定好后(例如36V),若被充电瓶极板脱落断开,造成某组电池不通,或出现短路,则电瓶端电压即降低或为零,这时充电器将无输出电流;若被充电瓶电压偏离设定电压,如设定电压为36V,误接24V、12V、6V电瓶等,充电器也无输出电流,若设定为24V误接为36V电瓶,由于充电器输出电压低于电瓶电压,因而也不能向电瓶充电:充电器两输出端若短路时,由于充电器中可控硅SCR的触发电路不能工作,因而可控硅不导通,输出电流为零:若使用时误将电瓶正负极接反,则可控硅触发电路反向截止,无触发信号,可控硅不导通,输出电流为零:采用脉冲充电,有利于延长电瓶寿命。由于低压交流电经全波整流后是脉动直流,只有当其波峰电压大于电瓶电压时,可控硅才会导通,而当脉动直流电压处于波谷区时,可控硅反偏截止,停止向电瓶充电,因而流过电瓶的是脉动直流电;。快速充电,充满自停。由于刚开始充电时电瓶两端电压较低,因而充电电流较大。当电瓶即将充足时(36V电瓶端电压可达44V),由于充电电压越来越接近脉动直流输出电压的波峰值,则充电电流也会越来越小,自动变为涓流充电。当电瓶两端电压被充到整流输出的波峰最大值时,充电过程停止。经试验,三节电动车蓄电池36V(12V/12Ah三节串联),用该充电器只需几个小时即可充满;电路简单、易于制作,几乎不用维护及维修。
采用单个智能电路的智能电池快速充电器电路
电路原理:图中所示电池自动充电器利用单个三极管作为最简单的窗口比较器。当电池电压低于预设值时,开始对电池充电,当电池电压超过预设值时,自动断电。因该电路带有精确可变电源压,可精确地设定电池电压的上、下限。采用15V直流电压源对该电路供电,但电压源与继电器的NC引脚隔开,以便阻止电压通过电池引脚。首先,可变电源被固定在13.3V 并接至电路中被充电电池的两端。VR1的滑动块按与电池正极相连之引脚方向被推至最末端。 VR2滑动块按与VR1相连之引脚方
快速充电电路图集 相关文章:
- 电源设计小贴士 1:为您的电源选择正确的工作频率(12-25)
- 用于电压或电流调节的新调节器架构(07-19)
- 超低静态电流电源管理IC延长便携应用工作时间(04-14)
- 电源设计小贴士 2:驾驭噪声电源(01-01)
- 负载点降压稳压器及其稳定性检查方法(07-19)
- 电源设计小贴士 3:阻尼输入滤波器(第一部分)(01-16)
