用于轻负载应用的电容压降离线电源使一切变得简单
时间:11-27
来源:互联网
点击:
诸如电子仪表的低功耗应用经常需要一款简单的离线电源,其中的3.3V为一个微控制器供电,并且将一个锂离子电池的电压充电至4.2V。你可以用电源频率电力变压器或者使用复杂的AC/DC离线电源来实现这一功能。这两种方法都有广为人知的重量、尺寸和/或复杂程度方面的缺点。另外两个相对简单的选择是全波和半波电容压降电路。

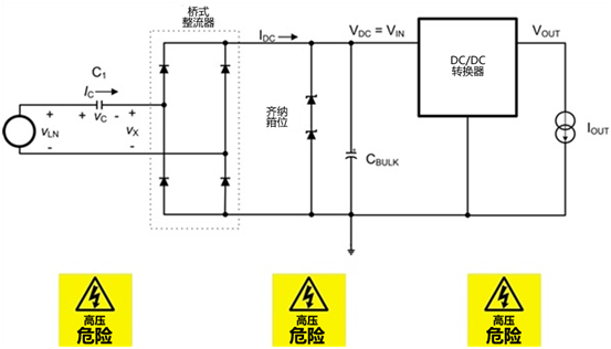
图1:基本全波电路原理图
前端是众所周知的“电容压降器”或“电容压降”。这个电路的全波和半波实现方式的思路,是将线路电容器,C1,用作一个无损耗电阻,而电容器的电抗将设定最大电流,此最大电流可作为DC/DC稳压器的输入。齐纳二极管将DC/DC转换器的输入电压限制在无负载条件以下,从而将电源电压转换为一个中间DC电压轨 (VDC)。DC/DC转换器的输入电压 (VDC= VIN) 被设定为相对比较高的值,这样的话,电容压降所需的电流可以保持在较低的水平上。然后,通过使用一个宽VIN降压稳压器,你可以将中间未经稳压DC电压轨 (VDC) 降压转换为负载所需要的经稳压DC电压。
可用TI的LMR14006,LMR16006和LM46000降压稳压器实现高降压比,从而实现较低的稳压器输入电流。这让你能够使用电容值更小的C1,使汲取自电网的表现功率更低。由于对最大表现功率的严格控制,诸如智能电网电子电表的应用可以得益于这一特性;典型最大值被限制在8VA。

图2:基本半波电路原理图
图2显示的是用半波电容压降电路的实现方式。由于半波电路不考虑线路电压的负周期,这将使传送到宽VIN降压的电流要低于传递到全波电路的电流。因此,对于电池充电等应用(更快速充电要求DC/DC稳压器提供相对较高的负载电流),全波电路更加合适。在图1中,全波电路原理图显示的是桥式整理器的实现方式。
这些电路的最大优势在于它们的大小。近些年,智能电子电表的尺寸在不断缩小,这使得电路板空间十分有限。要尝试和安装一个更加传统的AC/DC电路,不但需要增加PCB面积,而且也是十分复杂的。而电路板面积的增加也直接与成本相关。电容压降电路具有高很多的成本有效性,这是因为C1电容器是唯一一个需要以AC电压为额定电压的组件。
虽然这些电路易于配置,在创建工作台原型机和添加适当的滤波和保护电路时,你还是应当十分小心,以避免有可能出现的致命伤害。

图1:基本全波电路原理图
前端是众所周知的“电容压降器”或“电容压降”。这个电路的全波和半波实现方式的思路,是将线路电容器,C1,用作一个无损耗电阻,而电容器的电抗将设定最大电流,此最大电流可作为DC/DC稳压器的输入。齐纳二极管将DC/DC转换器的输入电压限制在无负载条件以下,从而将电源电压转换为一个中间DC电压轨 (VDC)。DC/DC转换器的输入电压 (VDC= VIN) 被设定为相对比较高的值,这样的话,电容压降所需的电流可以保持在较低的水平上。然后,通过使用一个宽VIN降压稳压器,你可以将中间未经稳压DC电压轨 (VDC) 降压转换为负载所需要的经稳压DC电压。
可用TI的LMR14006,LMR16006和LM46000降压稳压器实现高降压比,从而实现较低的稳压器输入电流。这让你能够使用电容值更小的C1,使汲取自电网的表现功率更低。由于对最大表现功率的严格控制,诸如智能电网电子电表的应用可以得益于这一特性;典型最大值被限制在8VA。

图2:基本半波电路原理图
图2显示的是用半波电容压降电路的实现方式。由于半波电路不考虑线路电压的负周期,这将使传送到宽VIN降压的电流要低于传递到全波电路的电流。因此,对于电池充电等应用(更快速充电要求DC/DC稳压器提供相对较高的负载电流),全波电路更加合适。在图1中,全波电路原理图显示的是桥式整理器的实现方式。
这些电路的最大优势在于它们的大小。近些年,智能电子电表的尺寸在不断缩小,这使得电路板空间十分有限。要尝试和安装一个更加传统的AC/DC电路,不但需要增加PCB面积,而且也是十分复杂的。而电路板面积的增加也直接与成本相关。电容压降电路具有高很多的成本有效性,这是因为C1电容器是唯一一个需要以AC电压为额定电压的组件。
虽然这些电路易于配置,在创建工作台原型机和添加适当的滤波和保护电路时,你还是应当十分小心,以避免有可能出现的致命伤害。
电子 电压 变压器 电容 电路 电容器 电阻 电流 二极管 智能电网 PCB 相关文章:
- 超低静态电流电源管理IC延长便携应用工作时间(04-14)
- 负载点降压稳压器及其稳定性检查方法(07-19)
- 高效地驱动LED(04-23)
- 适合高效能模拟应用的线性电压稳压器(07-19)
- 低功耗嵌入式实现的方方面面(04-30)
- 电源设计小贴士5:降压-升压电源设计中降压控制器的使用(03-18)
