Boost ZVT-PWM变换器在光伏逆变器中的应用
时间:06-09
来源:互联网
点击:
能源是人类赖以生存和发展的主要物质基础, 是世界经济的支柱,也是影响国家安全的重要因素。目前世界能源的利用仍以煤炭、石油、天然气和水与核能等一次能源为主,然而这些有限的能源储量正在日趋枯竭。能源问题是制约人类社会不断地可持续发展的最重要因素之一。此外,大量使用化石燃料已经给人类生存环境带来了严重的后果。因此,在有限资源和环保严格要求的双重制约下,人类要解决能源问题,实现可持续发展,只能依靠科技进步,大规模地开发利用可再生洁净能源。
太阳能是人类取之不尽用之不竭的可再生能源,具有储量的无限性、存在的普遍性、开发利用的清洁性以及逐渐显露出的经济性等优势, 它的开发利用是解决常规能源特别是化石能源带来的能源短缺、环境污染和温室效应等问题的有效途径,是人类理想的替代能源。
太阳能利用有两个重要途径光热和光伏发电。光伏发电是利用半导体材料的光生伏打效应原理直接将太阳辐射能转换为电能的技术。太阳能光伏发电是太阳能发电技术中最有可能大规模经济利用的技术,它具有一许多其他发电方式无法比拟的优点。而逆变器是光伏发电系统中最主要的关键性平衡部件,其质量的好坏对光伏发电系统的安全性和可靠性起着至关重要的作用。
1 光伏逆变器的简介
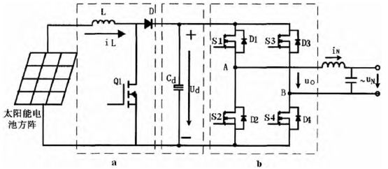
逆变器的主电路结构按照输出的隔离形式分为工频变压器隔离方式,高频变压器隔离方式,非隔离3 方式种。采用工频变压器进行隔离的逆变器,具有良好的抗雷击和消除尖波的性能,电路简单,变换只有一级,但是主变压器和滤波电感体积大。采用高频变压器的逆变器比工频变压器隔离的逆变器体积小,重量轻,成本低。但是,经多级变换,回路较为复杂,效率问题比较突出。了进一步降低成本,提高效率,采用无变压器无隔离方式逆变器主电路,如图1 所示,其中(a)部分电路为为boost 升压电路,(b)部分电路为全桥逆变电路。

图1 非隔离型逆变器主电路
2 Boost ZVT-PWM 变换器基本原理
随着技术的进步和对投资收益比的追求,在光伏发电系统中不仅追求太阳能组件的转换效率,而且还追求逆变器转换效率。图1 所示电路虽然能提高逆变转换效率,但是由于功率管Q1 工作在硬开关状态,不仅其开关损耗较大,而且增大了电路中开关管的电压和电流应力,另外,还会带来了电磁干扰(EMI)问题。
本文的零转换(Zero transition)变换电路将解决上述电路中诸多问题,其主要特点是把辅助谐振网络从主功率通路中移开,变为与主功率开关管并联。在主功率开关管变换的很短一段时间间隔内,导通辅助开关管使辅助谐振网络起作用, 使主功率开关管在零电压下完成开关过程,完成这种过程的PWM 变换器称为零电压转换(ZVT-PWM)变换器。
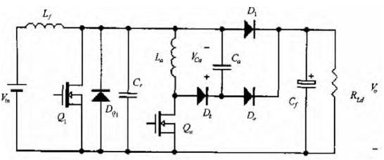
图2 所示为基本的零电压转换PWM 变换电路拓扑结构的改进电路,该电路不仅主功率开关管工作于零电压转换状态,而且其辅助功率开关管也能在软开关条件下完成开关过程。该电路在工程实际应用中具有重要意义,进一步提高了整个电路的效率。

图2 ZVT Boost 主电路拓扑
图2 中Q1为变换器的主开关管,Qa为辅助开关管,D1为主二极管,其他电路器件(二极管Dt、Da,电感La,电容Cr、Ca)为构成辅助谐振回路的元器件, 其中DQ1和Cr分别是主开关管Q1的反并联二极管和输出结电容。该电路具有如下特点:
a.实现主功率开关管Q1的零电压开通(ZVS);
b.实现主功率二极管D1的零电流关断;
c.辅助开关管Qa零电流开通、零电压关断;Ca对Qa的关断起缓冲作用。
ZVT Boost 电路的主辅开关管驱动时序及主要节点波形图如图3所示,由波形图中可以看出Q1开通时期两端电压为零,达到了零电压开通的效果。

图3 ZVT Boost 主辅管驱动时序和主要节点波形
ZVT Boost 电路主要有8 种工作模态, 各工作模态对应的等效电路如图4 所示。

图4 ZVT Boost 电路不同开关模态下的等效电路
(1)开关模态1 [t0, t1],对应图4(a)
在t0时刻前,主开关管Q1和辅助开关管Qa处于关断状态,升压二极管D1导通。在t0时刻,开通Qa,此时辅助电感电流iLa从0 开始线性上升,其上升斜率为(diLa/ dt )= (V0/La),而D1 中的电流开始线性下降,其下降斜率为(diD1/ d>t )= (V0/La)。在t1时刻,iLa上升到升压电感电流Ii,D1的电流减小到0,D1自然关断,开关模态1 结束。该模态的持续时间为:
t01=( La Ii)/ V0 (1)
(2)开关模态2 [t1, t2],对应图4(b)
在此开关模态中,La开始与电容Cr谐振,iLa继续上升, 而Cr的电压vCr开始下降。iLa和vCr分别为:

当Cr的电压下降到0 时,Q1的反并联二极管DQ1导通,将Q1的电压钳位在零,此时辅助电感电流ILa(t2)=Ii+Vo/Za。该模态持续的时间为:

(3)开关模态3 [t2, t3],对应图4(c)
在该模态中,DQ1导通,La电流通过DQ1续流,此时开通Q1就是零电压开通。Q1的开通时刻应该滞后于Qa的开通时刻,滞后时间为:

(4)开关模态4 [t3, t4],对应图4(d)
在t3时刻,ILa(t2)=Ii+Vo/Za,VCa(t3)=0。此时关断Qa,ILa给Ca充电,由于有Ca,Qa是零电压关断。在此开关模态中,iLa和vCa分别为:

在t4时刻,VCa(t4)=Vo,Da导通,将vCa钳位Vo,此时ILa(t4)为:

(5)开关模态5 [t4, t5],对应图4(e)
在此模态中,加在La上的电压为-Vo,iLa线性下降。

在t5时刻,iLa下降到0。此模态的持续时间为:

(6)开关模态6 [t6, t7],对应图4(g)
在t6时刻,主开关管Q1关断,升压电感电流同时给Cr充电,给Ca放电,由于有Cr和Ca,Q1是零电压关断。

在t7时刻,vCr上升到Vo,vCa下降到0,D1自然导通,Da自然关断。此开关模态的持续时间为:

从上面的分析中可以看出,Ca起到两个作用;1)当辅助管Qa关断时,Ca充电,给Q1的关断起到缓冲作用;2)而当主开关管Q1关断时,Ca放电, 给Q1的关断起到缓冲作用, 因此Q1的缓冲电容Cr可以很小,只利用其结电容就足够了,不必另加缓冲电容。
从上述工作原理推导可看出:图2 所示电路使主功率开关管完成零电压导通和关断的同时,辅助开关管在零电流下导通,零电压下关断,而不是零电流关断,这种方式不仅减小了主开关管的开关损耗,而且有效的减少了辅助开关管的开通和关断损耗,提高了电路的整体效率。
3 关键电路参数设计
(1)滤波电感Lf 设计
ZVT Boost 的输入电压范围是Uin=125V~360V, 输出电压Vo=360V,输入最大电流为Iimax=15A,开关频率fs=20kHz,boost 电路工作在连续导电模式下。由:

其中ΔiL表示电感电流纹波, 取15%的电感电流纹波, 则ΔiL=2.25A,将ΔiL代入式(14),可以算出Lf=2mH,实际取2mH。
(2)辅助钳位电容Ca设计
Ca既作为主开关管的Q1的缓冲电容, 又作为辅助开关管的缓冲电容。一般选择在最大负载时,Vca从Vo下降到0 的时间为(2~3)tf,tf为Q1的关断下降时间。则Ca可以由式(15)计算:

主、辅功率开关管采用fairchild 公司的IGBT FGH40N65UFD 作为ZVT Boost 电路的主开关管和辅助开关管,该开关管的最大tf=80ns。
因此,计算得Ca=10nF。考虑一定的裕量,选择Ca为22nF/1000V。
(3)辅助电感La 设计
辅助电路只是在主开关管Q1开通的时候起作用, 其他时候停止工作。为不影响主电路的工作时间,辅助电路的工作时间不能太长,假设该时间为taa,一般可选择为开关周期Ts的1/10,即t01+t12s/10,可得:

由于Cr是主开关管的输出结电容,故可以忽略,上式简化为:

取taa=1us,可得Laa=20uH。
4 实验结果
根据以上图2 硬件设计方案和电路参数,在相同条件下在样机上分别进行如下两个逆变效率测试试验。
试验1,DSP 控制芯片输出PWM 驱动信号只控制主功率开关管Q1,使Q1 工作于“硬开关”状态。在直流输入开路电压300V、输入短路电流6A 下,功率分析仪测试出样机逆变输出效率是95%。
试验2,DSP 控制芯片输出两路PWM 驱动信号分别控制主功率开关管Q1和辅功率开关管Qa, 使Q1 和Qa 分别工作工作于“零转换”开关状态。在直流输入开路电压300V、输入短路电流6A 下,功率分析仪测试出样机逆变输出效率是96%。
通过上述两个对比试验,可以看出,本文介绍的设计方案在非隔离型光伏并网逆变器实际应用中具有主要意义,不仅能提高其逆变转换效率,而且对有利于简化整机热设计。
5 结束语
本文介绍了一种Boost ZVT-PWM 变换器在光伏逆变器中的应用,对Boost ZVT-PWM 变换器电路拓扑结构、工作原理及关键电路参数设计进行详细地叙述。理论分析和试验结果都表明,本文提出的设计方案在光伏逆变器设计中具有重要的实际价值。
太阳能是人类取之不尽用之不竭的可再生能源,具有储量的无限性、存在的普遍性、开发利用的清洁性以及逐渐显露出的经济性等优势, 它的开发利用是解决常规能源特别是化石能源带来的能源短缺、环境污染和温室效应等问题的有效途径,是人类理想的替代能源。
太阳能利用有两个重要途径光热和光伏发电。光伏发电是利用半导体材料的光生伏打效应原理直接将太阳辐射能转换为电能的技术。太阳能光伏发电是太阳能发电技术中最有可能大规模经济利用的技术,它具有一许多其他发电方式无法比拟的优点。而逆变器是光伏发电系统中最主要的关键性平衡部件,其质量的好坏对光伏发电系统的安全性和可靠性起着至关重要的作用。
1 光伏逆变器的简介
逆变器的主电路结构按照输出的隔离形式分为工频变压器隔离方式,高频变压器隔离方式,非隔离3 方式种。采用工频变压器进行隔离的逆变器,具有良好的抗雷击和消除尖波的性能,电路简单,变换只有一级,但是主变压器和滤波电感体积大。采用高频变压器的逆变器比工频变压器隔离的逆变器体积小,重量轻,成本低。但是,经多级变换,回路较为复杂,效率问题比较突出。了进一步降低成本,提高效率,采用无变压器无隔离方式逆变器主电路,如图1 所示,其中(a)部分电路为为boost 升压电路,(b)部分电路为全桥逆变电路。

图1 非隔离型逆变器主电路
2 Boost ZVT-PWM 变换器基本原理
随着技术的进步和对投资收益比的追求,在光伏发电系统中不仅追求太阳能组件的转换效率,而且还追求逆变器转换效率。图1 所示电路虽然能提高逆变转换效率,但是由于功率管Q1 工作在硬开关状态,不仅其开关损耗较大,而且增大了电路中开关管的电压和电流应力,另外,还会带来了电磁干扰(EMI)问题。
本文的零转换(Zero transition)变换电路将解决上述电路中诸多问题,其主要特点是把辅助谐振网络从主功率通路中移开,变为与主功率开关管并联。在主功率开关管变换的很短一段时间间隔内,导通辅助开关管使辅助谐振网络起作用, 使主功率开关管在零电压下完成开关过程,完成这种过程的PWM 变换器称为零电压转换(ZVT-PWM)变换器。
图2 所示为基本的零电压转换PWM 变换电路拓扑结构的改进电路,该电路不仅主功率开关管工作于零电压转换状态,而且其辅助功率开关管也能在软开关条件下完成开关过程。该电路在工程实际应用中具有重要意义,进一步提高了整个电路的效率。

图2 ZVT Boost 主电路拓扑
图2 中Q1为变换器的主开关管,Qa为辅助开关管,D1为主二极管,其他电路器件(二极管Dt、Da,电感La,电容Cr、Ca)为构成辅助谐振回路的元器件, 其中DQ1和Cr分别是主开关管Q1的反并联二极管和输出结电容。该电路具有如下特点:
a.实现主功率开关管Q1的零电压开通(ZVS);
b.实现主功率二极管D1的零电流关断;
c.辅助开关管Qa零电流开通、零电压关断;Ca对Qa的关断起缓冲作用。
ZVT Boost 电路的主辅开关管驱动时序及主要节点波形图如图3所示,由波形图中可以看出Q1开通时期两端电压为零,达到了零电压开通的效果。

图3 ZVT Boost 主辅管驱动时序和主要节点波形
ZVT Boost 电路主要有8 种工作模态, 各工作模态对应的等效电路如图4 所示。

图4 ZVT Boost 电路不同开关模态下的等效电路
(1)开关模态1 [t0, t1],对应图4(a)
在t0时刻前,主开关管Q1和辅助开关管Qa处于关断状态,升压二极管D1导通。在t0时刻,开通Qa,此时辅助电感电流iLa从0 开始线性上升,其上升斜率为(diLa/ dt )= (V0/La),而D1 中的电流开始线性下降,其下降斜率为(diD1/ d>t )= (V0/La)。在t1时刻,iLa上升到升压电感电流Ii,D1的电流减小到0,D1自然关断,开关模态1 结束。该模态的持续时间为:
t01=( La Ii)/ V0 (1)
(2)开关模态2 [t1, t2],对应图4(b)
在此开关模态中,La开始与电容Cr谐振,iLa继续上升, 而Cr的电压vCr开始下降。iLa和vCr分别为:

当Cr的电压下降到0 时,Q1的反并联二极管DQ1导通,将Q1的电压钳位在零,此时辅助电感电流ILa(t2)=Ii+Vo/Za。该模态持续的时间为:

(3)开关模态3 [t2, t3],对应图4(c)
在该模态中,DQ1导通,La电流通过DQ1续流,此时开通Q1就是零电压开通。Q1的开通时刻应该滞后于Qa的开通时刻,滞后时间为:

(4)开关模态4 [t3, t4],对应图4(d)
在t3时刻,ILa(t2)=Ii+Vo/Za,VCa(t3)=0。此时关断Qa,ILa给Ca充电,由于有Ca,Qa是零电压关断。在此开关模态中,iLa和vCa分别为:

在t4时刻,VCa(t4)=Vo,Da导通,将vCa钳位Vo,此时ILa(t4)为:

(5)开关模态5 [t4, t5],对应图4(e)
在此模态中,加在La上的电压为-Vo,iLa线性下降。

在t5时刻,iLa下降到0。此模态的持续时间为:

(6)开关模态6 [t6, t7],对应图4(g)
在t6时刻,主开关管Q1关断,升压电感电流同时给Cr充电,给Ca放电,由于有Cr和Ca,Q1是零电压关断。

在t7时刻,vCr上升到Vo,vCa下降到0,D1自然导通,Da自然关断。此开关模态的持续时间为:

从上面的分析中可以看出,Ca起到两个作用;1)当辅助管Qa关断时,Ca充电,给Q1的关断起到缓冲作用;2)而当主开关管Q1关断时,Ca放电, 给Q1的关断起到缓冲作用, 因此Q1的缓冲电容Cr可以很小,只利用其结电容就足够了,不必另加缓冲电容。
从上述工作原理推导可看出:图2 所示电路使主功率开关管完成零电压导通和关断的同时,辅助开关管在零电流下导通,零电压下关断,而不是零电流关断,这种方式不仅减小了主开关管的开关损耗,而且有效的减少了辅助开关管的开通和关断损耗,提高了电路的整体效率。
3 关键电路参数设计
(1)滤波电感Lf 设计
ZVT Boost 的输入电压范围是Uin=125V~360V, 输出电压Vo=360V,输入最大电流为Iimax=15A,开关频率fs=20kHz,boost 电路工作在连续导电模式下。由:

其中ΔiL表示电感电流纹波, 取15%的电感电流纹波, 则ΔiL=2.25A,将ΔiL代入式(14),可以算出Lf=2mH,实际取2mH。
(2)辅助钳位电容Ca设计
Ca既作为主开关管的Q1的缓冲电容, 又作为辅助开关管的缓冲电容。一般选择在最大负载时,Vca从Vo下降到0 的时间为(2~3)tf,tf为Q1的关断下降时间。则Ca可以由式(15)计算:

主、辅功率开关管采用fairchild 公司的IGBT FGH40N65UFD 作为ZVT Boost 电路的主开关管和辅助开关管,该开关管的最大tf=80ns。
因此,计算得Ca=10nF。考虑一定的裕量,选择Ca为22nF/1000V。
(3)辅助电感La 设计
辅助电路只是在主开关管Q1开通的时候起作用, 其他时候停止工作。为不影响主电路的工作时间,辅助电路的工作时间不能太长,假设该时间为taa,一般可选择为开关周期Ts的1/10,即t01+t12s/10,可得:

由于Cr是主开关管的输出结电容,故可以忽略,上式简化为:

取taa=1us,可得Laa=20uH。
4 实验结果
根据以上图2 硬件设计方案和电路参数,在相同条件下在样机上分别进行如下两个逆变效率测试试验。
试验1,DSP 控制芯片输出PWM 驱动信号只控制主功率开关管Q1,使Q1 工作于“硬开关”状态。在直流输入开路电压300V、输入短路电流6A 下,功率分析仪测试出样机逆变输出效率是95%。
试验2,DSP 控制芯片输出两路PWM 驱动信号分别控制主功率开关管Q1和辅功率开关管Qa, 使Q1 和Qa 分别工作工作于“零转换”开关状态。在直流输入开路电压300V、输入短路电流6A 下,功率分析仪测试出样机逆变输出效率是96%。
通过上述两个对比试验,可以看出,本文介绍的设计方案在非隔离型光伏并网逆变器实际应用中具有主要意义,不仅能提高其逆变转换效率,而且对有利于简化整机热设计。
5 结束语
本文介绍了一种Boost ZVT-PWM 变换器在光伏逆变器中的应用,对Boost ZVT-PWM 变换器电路拓扑结构、工作原理及关键电路参数设计进行详细地叙述。理论分析和试验结果都表明,本文提出的设计方案在光伏逆变器设计中具有重要的实际价值。
半导体 逆变器 电路 变压器 电感 PWM 电压 电流 二极管 电容 IGBT DSP 相关文章:
- 电源设计小贴士 1:为您的电源选择正确的工作频率(12-25)
- 负载点降压稳压器及其稳定性检查方法(07-19)
- 高效地驱动LED(04-23)
- 电源SOC:或许好用的“疯狂”创意(07-24)
- 实现智能太阳能管理的微型逆变器应运而生(05-06)
- 以太网供电芯片:合规与超规(07-25)
