一种新型的改善多路输出电源交叉调整率的解决方案
时间:12-16
来源:互联网
点击:
多路输出的开关电源因其体积小、性价比高广泛应用于小功率的各种复杂电子系统中。然而伴随着现代电子系统发展,其对多路输出电源的要求越来越高,如体积、效率、输出电压精度、负载能力(输出电流)、交叉调整率、纹波和噪声等。其中,交叉调整率是指当多路输出电源的一路负载电流变化时整个电源各路输出电压的变化率,是考核多路输出电源的重要性能指标。受变压器各个绕组间的漏感、绕组的电阻、电流回路寄生参数等影响,多路输出电源的交叉调整率一直以来是多路输出开关电源的设计重点。
目前改进交叉调整率的方法可分为无源和有源两类。有源的方法需要增加额外的线性稳压或开关稳压电路,虽然可以得到较高的交叉调整率,但却是以牺牲电源的效率、成本为代价的,且从可靠性和复杂性也不如无源的方法好。提起无源交叉调整率优化方法,有经验的工程师首先会想到输出电压加权反馈控制,其次如果选用反激电路还会通过优化变压器各绕组耦合以及优化嵌位电路来进一步优化交叉调整率,如果选用的是正激电路则会将各路输出滤波电感耦合在一起来进一步优化交叉调整率。可是当以上优化措施均已采用了,还是无法满足设计要求时,通常只好无奈地添加假负载用效率来换取交叉调整率,或改选为成本较高的有源的优化设计方案。
下面介绍一种TDK-Lambda新型的改善交叉调制率的多路输出解决方案,此方案可以使得用无源方法进一步提高交叉调整率。
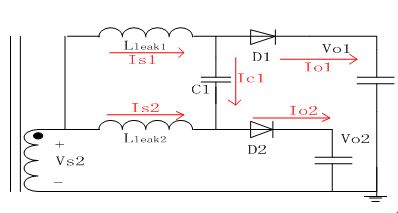
如图1所示,对于匝数相等的两个输出绕组(Ns1=Ns2),我们在两个跳变的同名端跨接一个电容C1,这样可以很好地改善交叉调整率。

图1
对于图1所示的反激变换器,考虑其各绕组的漏感,可等效为图2所示电路,Lleak1、Lleak2和Lleak3分别绕组Ns1、Ns2和Np的漏感。

图2
由于Ns1=Ns2,在电源整个工作过程中,始终有Vs1=Vs2,所以电路可以等效为图3所示,其中Is1和Is2分别为流过绕组Ns1和Ns2的电流。

图3
电源稳定工作时,电感Lleak1和Lleak2两端的平均电压为0V,所以电容C1两端的平均直流电压也为0V。随着电容C1容值的增大,电容上的纹波电压会越来越小,所以Vo1会越来越接近Vo2,即电源的交叉调整率随着C1容值的增大会越来越好。
为了便于分析,我们做出如下假设:
1、忽略电路中二极管的压降,认为压降为0V。
2、电容C1的容值很大,使得C1和漏感Lleak1和Lleak2的谐振周期大于SW1的开关周期。
3、Vo2输出电压为反馈检测电压,保持不变,Vo2负载较重,Vo1为轻负载,Vo1>Vo2。
基于上面假设,电源工作期间副边各元件的电流将如图4所示,Is1和Is2分别为流过绕组Ns1和Ns2的电流,Ip为变压器原边电流,ID1和ID2分别为流经D1和D2的电流,Vc1是电容C1上的电压。

图4 (注:本图仅示意电压电流的变化方向)
为了便于确定电路的初始状态,我们以t5时刻作为电源工作周期的开始,在t5时刻二极管D1的电流变为0,电容C1上的电压Vc1此时处于最高值,且有:
Vo2 + Vc1 = Vo1
在二极管D1截止后,副边电路可进一步等效为图5所示电路。因为Vs
到t6时刻原边开SW1关闭合后,Vs电压被感应为负值(如图6所示)。在SW1闭合期间电源分两个阶段工作:变压器电流由副边绕组向原边绕组换流(t6~t7)阶段和变压器储能(t7~t9)阶段。

图6
在t6~t7期间,ID2>0,二极管D2继续导通,由关系式

可知,电流Is1和Is2都快速下降,直到t7时刻ID1=Is2+Is1=0时,二极管反向截止,副边绕组向原边绕组换流阶段结束。
在t7~t9阶段,二极管D2反向截止,电流Is1与Is2大小相等,反向相反。
Is2=-Is1
电容C1与漏感Lleak1+Lleak2谐振放电,由于变压器副边到原边换流后Is2仍较大,所以Vc1很快在t8时刻有正电压变为负电压,并反向充电,同时电流Is2=-Is1开始减小,直到t9(也就是t0)时刻SW1关断。
在t0时刻SW1关断,变压器进入由原边向副边的换流阶段,Vs>Vo2>Vo2+Vc1(此时Vc1
图8为SW1关断期间副边各支路平均电流流向图。绕组Ns1和Ns2在输出的平均电流分别为:
Is1=Io1+Ic1
Is2=Io2-Ic1
由图4中Vc1的波形可知,在开关SW1关断期间,电容C1的电压Vc1负变值为了正值,所以 Ic1>0, 所以可以得出:绕组间跨接电容C1后,在开关SW1关断期间,输出轻负载的绕组Ns1的实际负载加重了,而输出重负载的绕组Ns2的实际负载减轻了,所以会使得交叉调整率得以改善。

图8
目前此方案已经成功地应用到了TDK-lambda 的CUT75系列产品上。
以CUT75-522为例,电源使用环境如下:
输入电压:85 ~ 265VAC或 120 ~ 370VDC。
负载范围: 5V: 0 ~ 8A;
+12V: 0 ~ 3A;
-12V: 0 ~ 1A。
工作温度:-20 ~ 70℃。
通过采在绕组间跨接电容,用无源的方法成功地将+12V和-12V的交叉调整率做到了±5%以内。下面表1为电源在各种输出负载情况下,实测的各路输出电压的最高值和最低值,以及基于实测值计算的交叉调整率。
表1

同时因为在绕组间跨接电容,可以使得CUT75系列电源在满足交叉调整率的情况下,能够把电源内部的假负载降到了几乎为零,所以有效的提高了电源的效率,从而使得电源的体积可以做的更小。CUT75系列电源在输入电压200VAC时满载效率实测值已经做到了85%,比市场上同类产品提高了约5%,其体积自然也比市场上同类产品要小。
市场上能够满足±5%交叉调整率的同类产品,多采用有源的方法来优化交叉调整率,而CUT75系列电源采用的是无源的方法,相比之下CUT75系列电源在可靠性方面更具优势。

CUT75系列电源实物图
郑重声明:
此文章仅供学习使用,文章中讲述的交叉调整率优化方案TDK-Lambda公司已经申请了专利,受法律保护,请勿侵权!
开关电源 电子 电压 电流 变压器 电阻 电路 电感 电容 二极管 相关文章:
- 超低静态电流电源管理IC延长便携应用工作时间(04-14)
- 负载点降压稳压器及其稳定性检查方法(07-19)
- 电源设计小贴士 3:阻尼输入滤波器(第一部分)(01-16)
- 高效地驱动LED(04-23)
- 开关电源要降低纹波主要要在三个方面下功夫(06-24)
- 超宽输入范围工业控制电源的设计(10-15)
