电路设计师指导手册(2):电源返回路径与I/O信号接地
时间:12-16
来源:互联网
点击:
[第一部分开始对接地有了初步了解:何时考虑接地,机箱材料如何影响接地,以及接地环路问题]
1.1.5 电源返回路径
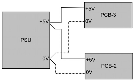
从图1.2可以看出,输出电源0V连线(0V(B))是与0V(A)分开的,只在电源本身上有链接。如果比方说因为走线经济方面的原因,你没有按照这个操作,而是在PCB3和PCB2处将0V轨接在一起,如图1.6所示,将会发生什么情况呢?

图1.2 典型的单元内部走线机制。

图1.6:公共电源返回路径。
来自PSUB/PCB3和PSUA/PCB2的电源返回电流I0V现在共享相同长度的导线(或单块PCB系统中的走线)。这根导线显著具有某个非零的阻抗,比如出于直流目的其值为RS。在原始电路中,这根导线只承载I0V(2),因此上面产生的电压是:
VS = RS × I0V(2)
但在经济型电路中,
VS = RS × (I0V(2) + I0V(3))
这个电压与连接两块电路板的电源电压串联在一起,因此要从电源电压中减去这个值。将一些典型数值代入公式,
VB+为24 V 时,I0V(3) = 1.2 A,因为它是一个大功率输出电路板;
VA+为3.3 V 时,I0V(2) = 50 mA,因为它是一个微处理器板,上面有一些CMOS逻辑:
现在假设,因为多种原因,电源与电路板有一定的距离,你只能用2米长的7/0.2mm设备导线连接,这根导线在室温下的电阻约为0.2Ω。那么电压VS将是:
VS = 0.2 × (1.2 + 0.05) = 0.25 V
在虑及供电电压容差和其它压降之前,上述导线将使PCB2上的电源电压下降到3.05V,低于3.3V逻辑电路工作的下限。一种错误的导线连接将使你的电路工作岌岌可危!当然,也要从24V电源中减去0.25V,但这个电源减小约1%基本上不会影响到正常工作。
【系列文章】
第一部分:[ 电路设计师指导手册(1):接地与布线]
第三部分:[电路设计师指导手册(3):板间互连、星形接地及屏蔽]
第四部分:[电路设计师指导手册(4):安全地以及电线/电缆]
第五部分:[电路设计师指导手册(5):射频电缆、双绞线与串扰]
不断改变的负载
如果PCB3上的1.2A负载在变化——比方说几个大电流继电器可能在不同时间切换,从全关到全开——那么PCB2上的VS压降也会发生变化。这种情况通常比静态压降要糟糕,因为它会在0V线上引入噪声,最终造成的后果包括:处理器工作不可靠,设置的电压阈值发生变化,以及奇怪的反馈效应,比如继电器的颤动,或者在音频电路中产生低频“次声频”振荡。
为了进行比较,将相同的数字应用于图1.2,并且采用分开的0V返回线。现在有两个压降需要考虑:针对3.3V电源的VS(A)和针对24V电源的VS(B)。VS(B)是1.2A乘上0.2Ω的值,与前面算的值(0.24V)相同,但只从24V电源中减掉。现在VS(A)是50mA乘以0.2Ω,或10mV,对于PCB2的3.3V电源来说压降几乎是0V,可以忽略。规则是:每次都要把电源返回路径分开来,以便每个电源的负载电流在分开的导体中流动(图1.7)。

图1.7 连接电源返回路径的方式。
值得注意的是,当不同电源具有不同的0V线(如图1.2)中所示)时,这个规则最容易满足。但是,如果使用公共的0V线,上述规则也应该满足,如上图所示。为求内心的平静,对布线的额外付出总是值得的。
【系列文章】
第一部分:[ 电路设计师指导手册(1):接地与布线]
第三部分:[电路设计师指导手册(3):板间互连、星形接地及屏蔽]
第四部分:[电路设计师指导手册(4):安全地以及电线/电缆]
第五部分:[电路设计师指导手册(5):射频电缆、双绞线与串扰]
电源轨馈线
上述规则同样适用于电源轨馈线及其返回路径,事实上当电流要在多个电路之间共享时任何连接都要满足这个规则。比方说PCB3上的大功率负载也从+5V电源VA+得到供电,那么更好的连接方法是两个分开的馈电线(图1.8)。

图1.8:分开的电源轨馈线。
这样的理由与0V返回路径是相同的:当采用单根供电线时,会出现与供电电压串联的公共压降,这次这个压降是注入电源轨而不是0V轨。故障症状也是相似的。
当然,上述例子多少是有些人为的,因为为了得到期望的电流通常要使用尺寸更加合适的导线。在长导线中流经大电流要求低的电阻,因此要求使用厚的导体。如果你预测有显著的压降,那么你就得劳烦计算在给定线径、长度和电流条件下的压降值。第24页上的表1.3给出了普通导线的电流承载能力供参考。前面这个例子的要点是,压降具有当你不希望见到它们时突然出现的习惯。
表1.3

导体阻抗
需要注意的是,在前面的例子以及后面几页的例子中,为了简单起见,都假设导线阻抗是纯电阻。事实上,实际的导线既有电阻也有电感,当导线承载交流信号时电感就会起使用,并且随着信号频率的增加电感效应愈加明显。
一米长的16/0.2规格设备导线具有38mΩ的电阻和1.5μH的自感量。在流经4A直流电流时,这段导线上的压降为152mV。而变化率为4 A/μs的交流电流将在上面产生6V的电压。注意这个差别是很大的!后面对导线类型的讨论包含了详细的电感方面内容。
【系列文章】
第一部分:[ 电路设计师指导手册(1):接地与布线]
第三部分:[电路设计师指导手册(3):板间互连、星形接地及屏蔽]
第四部分:[电路设计师指导手册(4):安全地以及电线/电缆]
第五部分:[电路设计师指导手册(5):射频电缆、双绞线与串扰]
1.1.6 输入信号地
图1.2显示输入信号被直接连线到了PCB1,没有在PCB外面接地。为了在此基础上作进一步扩展,两线单端输入连接的优选方案是将接地回路直接接到输入放大器的参考点,如图1.9(a)所示。

图1.9:输入信号接地。
找到单端输入上的参考点通常并不容易:输入电压必须在这个点上生成,以便放大器增益单独作用于这个点。这样,通过公共阻抗的方式就不会引入与有害信号串接在一起的额外信号。在图1.9的不良输入布线例子中,从(b)到(d)情况越来越糟糕,阻抗X-X将成为一个有害的输入信号源,因为除了输入电流外,还有其它电流在上面流动。
连接到PCB上其它地方的0V
对印刷电路版图控制的不充分是导致方案(b)的最常见理由,特别是如果使用了自动布线版图软件的时候。大多数CAD版图软件都假设0V轨是一个单节点,能够在走线的任何点连接0V轨。为了克服这个问题,要么将输入返回点规定为独立的节点,然后在以后连接,要么根据要求对最终版图进行编辑。人工设计版图也会犯完全相同的错误,虽然在这种情况下导致错误的原因是设计师和版图起草人之间缺少沟通。
连接到装置内的0V
方案(c)也经常遇到,这种情况经常发生在输入连接器的一个极点自然地与金属外壳接触,比如使用标准BNC同轴连接器时发生的情况,或者由于节省连接器的原因,在分布于多块电路板的多个输入、输出或控制信号之间共享公共地导体之时。如果是敏感性高的输入信号,那么后者是错误的节约了。如果你必须使用BNC类型的连接器,你可以选用带绝缘垫圈的版本,或者将它安装在金属外壳孔洞中的绝缘子面板上。
还有种偶然的情况,那就是将同轴线从未绝缘的BNC插座经内部连接到PCB,而同轴外壳与BNC外壳及PCB 0V连接在一起,这时会引入地环路(见1.1.4小节),除非这是走地电流的唯一路径。但在射频频率时,这种效应会由于同轴电缆能够集中信号并在电缆内返回电流而解决,因此地环路只是低频时会出现的问题。
外部地连接
尽管方案(d)是可以想像的最可怕的输入接地方式,但不幸的是并不少见。现在,不仅装置内部的噪声信号会耦合进信号路径,而且所有方式的外部地噪声都包含在内。局部地电位差高达50Vat的工频会存在于特别糟糕的地方,比如发电站,而几伏的电位差较为常见。
使用这种版图的唯一可以想到的理由是,输入信号已经被固定连接到装置外部的远程地。如果确实是这种情况,最好是使用图1.9(e)中的差分放大器,对低电平信号来说这通常是唯一可行的解决方案,而且对单端信号来说是正确方法的合理演进(a)。如果由于某种原因你无法接受来自输入信号的地返回连接,那么你将遭受到地注入噪声。
如果目标输入信号的幅度比地注入干扰高好几个数量级,那么图1.9(b)到(d)所示的所有方案都将完美工作,而这是经常发生的情况,也是它们最早成为习惯做法的原因。如果具有很好的实用性采纳理由(比如连接器或走线成本限制),而且你能肯定干扰电平不是个问题,那么就这样做吧。但你在确保现场不会发生问题之前,你需要确保所有可能的连接路径都能受控。
【系列文章】
第一部分:[ 电路设计师指导手册(1):接地与布线]
第三部分:[电路设计师指导手册(3):板间互连、星形接地及屏蔽]
第四部分:[电路设计师指导手册(4):安全地以及电线/电缆]
第五部分:[电路设计师指导手册(5):射频电缆、双绞线与串扰]
1.1.7 输出信号地
基于相反的理由,输出信号也需要同样的防范措施。输入响应不利于外部干扰,而输出是干扰之源。通常在电子电路中,输入和输出之间存在某种形式的功率放大,因此输出将工作在比输入更高的电流值,因此存在有害反馈的可能性。
输出至输入接地耦合的经典问题是,输入和输出在哪里共享公共阻抗,这与前面讨论的电源轨公共阻抗是相同的方式。在这种情况下,输出电流将经过与输入信号返回连接相同的导体循环流动(图1.10(a))。

图1.10 输出到输入耦合。
可将一种剪裁后的反馈机制通过RS的方式插入这个电路。放大器端子处的输入电压应该是Vin,但实际值为:
Vin' = Vin - (Iout × RS)
重新画这个电路,将所有对象都以放大器接地端子为参考(图1.10(b))可以看得更清楚。这个电路的增益计算公式是:
Vout/Vin = A/(1 + [A × RS/(RL + RS)])
这个公式表明,当[A × RS/(RL + RS)]这个项的值远小于-1时,电路将发生振荡。换句话说,对于反相放大器而言,负载阻抗与公共阻抗之比必须小于增益才能避免出现不稳定性。
即使电路保持稳定状态,但由于RS引起的额外耦合也会影响期望的响应。同时要记住,上面的所有项都会随频率而改变,而且改变方式非常复杂,因此在高频时的响应是不可预测的。注意,虽然这种现象存在于模拟系统方面(例如音频放大器),但只要是有输入-输出增益的任何系统都会受到同样的影响。对于具有模拟输入和数字输出并且受控的数字系统来说这个理论同样成立。
【系列文章】
第一部分:[ 电路设计师指导手册(1):接地与布线]
第三部分:[电路设计师指导手册(3):板间互连、星形接地及屏蔽]
第四部分:[电路设计师指导手册(4):安全地以及电线/电缆]
第五部分:[电路设计师指导手册(5):射频电缆、双绞线与串扰]
避免公共阻抗
更好的解决方案是通过仔细设计输出和输出接地版图完全规避公共阻抗。我们已经讨论了输入接地,而输出接地方案实际上是相似的:将输出接地回路直接连到提供输出电流的点,两者之间再无其它连接(或至少没有其它易感连接)。
正常情况下输出电流来自电源,因此最好的解决方案是将返回路径直接接回电源。这样图1.2中PCB3的版图应该像图1.11(a)中那样给大电流输出提供一个独立的接地走线,或者大电流输出端子应绕过PCB3直接返回电源(b)。

图1.11 输出信号返回路径。
如果PCB3只包含对RS上产生的电压不敏感的电路,那么第一种解决方案是可以接受的。关键点是要提前确定返回电流将流向何方,并确保它们不影响其余电路的工作。要做到这一点,必须分析理解任何公共连接的交流和直流阻抗、输出电流的幅度和带宽以及对可能受影响电路的易感性。
【系列文章】
第一部分:[ 电路设计师指导手册(1):接地与布线]
第三部分:[电路设计师指导手册(3):板间互连、星形接地及屏蔽]
第四部分:[电路设计师指导手册(4):安全地以及电线/电缆]
第五部分:[电路设计师指导手册(5):射频电缆、双绞线与串扰]
PCB 电流 电路 电压 CMOS 电阻 射频 继电器 电感 放大器 连接器 电子 相关文章:
- 适合高效能模拟应用的线性电压稳压器(07-19)
- 构建一个低成本的9V电池电压监控器(07-28)
- 主动“ORing”方案降低了功率损耗和设备尺寸(06-24)
- 开关电源要降低纹波主要要在三个方面下功夫(06-24)
- TI以独特的芯片结构和散热封装叩关功率MOSFET市场(01-26)
- DC/DC电源管理应用中的功率MOSFET的热分析方法(12-10)
