超级电容器后备电路提供可靠的不间断电源
时间:12-16
来源:互联网
点击:
对于众多的应用而言,常常需要一种在主电源突然不能使用时承担供电任务的临时后备电源。具体的实例包括数据备份应用 (从服务器到固态驱动)、工业或医疗应用中的电源故障报警、以及一系列其他可承受 “电源濒临崩溃” 的功能 (其必须确保有序的断电并将系统状态信息传送至一部受电的主机)。过去,此类高可靠性系统采用电池以在主电源供电不足或者不能使用时提供一种不间断电源。然而,这种电池后备的方式伴随着诸多的权衡取舍,包括漫长的充电时间、有限的电池使用寿命和循环寿命、安全性和可靠性问题、以及物理尺寸庞大等。随着高值双电层电容器 (更多地被称为 “超级电容器” ) 的出现,人们可以运用替代的后备架构,从而免除上述的许多权衡折衷。
电池与电容器的比较
依靠电池提供后备电源的系统要求始终有满充电电池可供使用,电池需要具备合适的容量以在电源恢复之前使易失性存储器 “保活” 抑或保持报警声响不断。通常,采用电池后备的系统会在主电源失效时进入一种低功率待机状态,此时只有关键的易失性存储器或系统的报警部分处于受电状态。由于电源故障的持续时间不可预知,因而此类系统需要采用超大的电池以消除在断电时间过长的情况下发生数据丢失的可能性。
基于电容器的后备系统运用了一种不同的方法。与基于电池的系统在整个后备期间连续供电不同,基于电容器的系统仅需要短期后备电源,以便将易失性数据转移至闪存器,或者在最短的必要时间里提供 “电源濒临崩溃” 报警操作。一旦所需数据得到保存或电源故障报警信号正确地发出,电源恢复时间就不重要了。
这种方法拥有多项优势。首先,与电池有关的诸多折衷可以全部避免。而且,也不再需要针对最差的后备持续时间选择过大的电能储存元件。虽然基于电容器的系统其后备功率要求通常远高于基于电池的系统,但后备电能要求则往往低得多。由于后备解决方案的成本和尺寸常常主要取决于储存元件,因此电容器型解决方案通常较小且较便宜。随着能够储存大量电能的小型、较廉价超级电容器的涌现,可以用电容器取代电池来满足不间断供电要求的后备应用大大增加了。
后备系统要求
所有基于电容器的后备系统都采用了很多常见的元件。为了从正确的电源给负载供电以及在从正常操作模式转换至后备模式时向系统发出警示信号,需要电源通路 (PowerPathTM) 控制和电源故障检测功能。存储电容器需要充电,而且最理想的是以快速高效的方式完成这一充电过程。由于需在后备电容器上存储了足够的电能之后才能实现正确的后备供电,所以许多应用要求在系统启动并处于操作就绪状态之前完成充电。因此,通常需要很高的充电电流,而由于超级电容器一般具有 2.7V 的最大工作电压,所以常常有必要将多个超级电容器串联堆叠起来使用。在这种场合中,必须在电容器充电期间为其提供平衡和保护,以避免由于过压而导致其受损或使用寿命缩短。
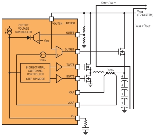
图 1 示出了 LTC3350 的简化原理图,其为一款专为适应电容器后备应用而特别设计的电容器充电器和后备控制器 IC。LTC3350 包括了提供面向需要电容器后备之应用的完整、独立后备控制器必需的所有特性。该器件能够为最多 4 个串联的电容器提供充电、平衡和保护。输入电源故障门限、电容器充电电压和稳定的最小后备电压均可利用外部电阻器来设置。此外,该器件还包含一个非常准确的 14 位内部测量 ADC,其负责监视输入、输出以及电容器电压和电流。内部测量系统还监测与后备电容器本身有关的参数,包括电容器组电压、电容和电容器组 ESR (等效串联电阻)。可通过一根两线式 I2C 总线回读所有的系统参数和故障状态,并且设定合适的报警电平以在任何上述测量参数发生突变时向系统发出警示信号。

图1:高电流超级电容器充电器和后备控制器
超级电容器充电基础知识
超级电容器的充电与电池的充电很相似,只有几个要点例外。首先,完全放电的电容器在整个充电周期中都能以满电流进行充电,而电池则需要实施涓流充电直到电池达到一个规定的最小电压为止。第二点是对于电容器来说不需要充电终止定时器。当达到最终的 “浮动” 电压时,电容器就不能存储更多的电荷了,充电必须停止。如果有两个或更多的超级电容器串联充电,那么各单元之间的任何电容失配都将在电容器组充电的过程中导致每个电容器两端的电压上升速率不同。必须布设额外的安全功能电路以确保所有电容器在充电周期中都不会超过其最大电压额定值。此外还必须采用一种平衡系统,以保证当电容器组充电完成时各个单元都被强制处于相同的电压,并且不会随着时间的推移而出现由于自放电差异而导致的漂离。这种单元间平衡处理可确保最大的电容器使用寿命。
LTC3350 中的充电电路包括一个高电流、同步降压型控制器,其具有可利用一个电阻设置的最大充电电流和最大电容器组电压 (图 2)。由于充电器的供电电源与负载的供电电源是相同的,因此 LTC3350 还包含一个单独的可编程输入电流限制电路,其在重 VOUT 负载条件下将自动地减小电容器的充电电流。内部的低电流平衡器 (图 2 中未示出) 强制所有单元彼此之间的电压差异不超过 10mV (每个单元的最大电压达 5V)。内部保护分流器 (图中也未示出) 将自动减小充电电流,并把任何已经达到 2.7V 默认值或用户设置的最大单元电压之电容器周围的剩余充电电流分流。此外,还可以通过软件控制来减低电容器组充电电压,以针对某种给定的后备电能要求优化电容器的使用寿命。有关该主题的更多内容如下。

图2:正常操作期间的功率流
后备模式
一旦后备电容器组完成充电,系统就能提供后备电源了。充电模式和后备模式由 PFI (电源故障输入) 引脚上的电压来决定。如果 VIN 电压下降以至 PFI 比较器发生低电平跳变,则器件将立即进入后备模式 (图 3)。VOUT 将随着VIN 的下降而走低,而且一旦 VOUT 降至低于电容器组电压,OUTFET 理想二极管将导通以阻止 VOUT 进一步下降。当 VOUT 降到一个由 OUTFB 引脚上的电阻分压器设置的电压时,电容器充电器将作为一个同步升压后备 DC/DC 转换器反向运作,其采用 VCAP 电容器组作为其输入电源,并把 VOUT 作为其稳定输出。升压后备转换器将继续运行,直到它不再能够支持 VOUT 负载条件且 VOUT 上的电压下降至低于 4.5V UVLO 点为止。这可以使超级电容器组中几乎所有的可用能量在后备期间转移至负载,因为当电容器组电压远远低于 4.5V 时升压电路将继续运行。图 3 中还示出了一种典型的后备情形。在该实例中,由 4 个串联电容器构成的电容器组被充电至 10V,而且在后备模式中 VOUT 被调节至 8V 的最小值,直到后备电容器中的所有电能耗尽为止。


图 3:后备模式中的 PowerPath 操作
“健康” 监测确保了可靠性并优化了性能
在需要短期后备电源的高可靠性系统中,必须储存并可提供足够的电能以在发生主电源故障之后立即执行关键的功能。后备能量源输送必要后备功率的能力是不可或缺的。超级电容器因其极高的单位体积电容和非常低的 ESR 而成为此类应用的绝佳选择。不过和电池一样,其性能也会随着时间的推移而下降。电容器使用寿命通常 (而多少有些随意) 被定义为电容下降 30% 和 / 或 ESR 增加 100% 所需的时间。如图 4 所示,电容器性能的劣化会由于高工作电压和高温而加快。由于电容和电容器 ESR 对于确保系统执行可靠后备的能力均非常关键,因此系统应能够监视和报告后备电容器老化过程中的 “健康状况”,这一点是很重要。

图 4:典型超级电容器使用寿命与温度和电压的关系
当电容器组满充电时,LTC3350 可自动地以一种由用户选择的时间频率对电容器组的电容和 ESR 进行监测。该器件采用一个精准的电流源、精准的定时电路及其内部 14 位 ADC 来准确地监视电容器组的电容。在充电器被强制关断的同时从电容器组的顶端获取一个精确的编程电流。精确地测量电容器组下降 200mV 所需的时间,并利用这些参数计算电容器组的电容。一旦电容测试完成,随即通过在高电流充电器运行 (以对电容器组进行再充电) 及不运行的情况下测量电容器组电压来实施 ESR 测试。采用充电器来完成此项测试可免除增设一个外部高功率测试负载的需要。充电器启用时电容器组电压的瞬间上升相当于实测充电电流 x 电容器组 ESR。最新的电容和电容器 ESR 数值可以随时通过I2C回读。
一旦获知了电容器组的电容和 ESR 值,确保给定应用之可靠后备所需的最小电容器组电压之计算就十分简单了。由于大多数后备系统在设计时都留有内置裕量,所以把电容器组电压从其标称值降低往往是安全的,由此可最大限度地延长电容器的寿命。这可以通过 LTC3350 VCAP 反馈 DAC 电压的软件控制轻松地实现。
结论
超级电容器兼具非常高的电容和非常低的 ESR,因而使其能够为应对诸如后备电源解决方案等常见问题提供全新的方法。然而,性能的大幅跃升往往伴随着权衡取舍。为了有效地利用超级电容器常常必需进行电容器单元的串接,这反过来又需要保护和平衡电路。虽然超级电容器的循环寿命和使用寿命总体而言可能远远超过同类竞争的电池技术,但是电容器电压和温度的小幅变化均有可能导致系统性能在其运作期间发生巨大的波动。为此,在任何基于电容器的后备系统中,“健康” 监测通常都是一种必需具备的功能。LTC3350 等新型产品旨在解决诸如此类与超级电容器后备应用尤为相关的问题,并为开发可靠、灵活、高性能的后备解决方案提供了尽可能简单的方法。
电容 电容器 电流 电压 电阻 ADC 总线 电路 比较器 二极管 DAC 相关文章:
- 电源设计小贴士 1:为您的电源选择正确的工作频率(12-25)
- 用于电压或电流调节的新调节器架构(07-19)
- 超低静态电流电源管理IC延长便携应用工作时间(04-14)
- 电源设计小贴士 2:驾驭噪声电源(01-01)
- 负载点降压稳压器及其稳定性检查方法(07-19)
- 电源设计小贴士 3:阻尼输入滤波器(第一部分)(01-16)
