高功因多段式线性 LED 驱动方案
时间:12-17
来源:互联网
点击:
Richtek Multi-string Linear power solution for LED Lamp
【方案介绍】
RT7321 work for 220Vac input, RT7322 work for 110Vac input
No electrolytic capacitor and transformer required
High Power Factor >0.9
Programmable LED current (WQFN-20L 5x5 Package)
Easy EMI Solution
Minimized BOM cost and space required
【方案特色】
Unique 2 Parallels and 2 Series driving method to achieve better LED utilization, 16% greater than 4 Series driving method
Gain more lumen with the same LED, or Save LED chip for the same lumen
High efficiency : around 80%
High Power Factor: >0.9
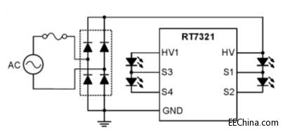
【系统方块图】
【規格說明】
RT7321 for 220V Light bulb
RT7322 for 110V Light bulb
本方案来自大联大云端
【方案介绍】
RT7321 work for 220Vac input, RT7322 work for 110Vac input
No electrolytic capacitor and transformer required
High Power Factor >0.9
Programmable LED current (WQFN-20L 5x5 Package)
Easy EMI Solution
Minimized BOM cost and space required
【方案特色】
Unique 2 Parallels and 2 Series driving method to achieve better LED utilization, 16% greater than 4 Series driving method
Gain more lumen with the same LED, or Save LED chip for the same lumen
High efficiency : around 80%
High Power Factor: >0.9
【系统方块图】
【規格說明】
RT7321 for 220V Light bulb
RT7322 for 110V Light bulb
本方案来自大联大云端
- 超低静态电流电源管理IC延长便携应用工作时间(04-14)
- 电源SOC:或许好用的“疯狂”创意(07-24)
- 驱动HB LED的分立元件降压变换器(08-04)
- 几种实用的低电压冗余电源方案设计(01-26)
- 轻松从PoE过渡至PoE+的设计方案(12-09)
- 新型的笔记本电脑电源管理技术(07-22)
