功率P-FET控制器LTC4414
时间:08-19
来源:互联网
点击:
LTC4414是一种功率P-EFT控制器,主要用于控制电源的通、断及自动切换,也可用作高端功率开关。该器件主要特点:工作电压范围宽,为3.5~36V;电路简单,外围元器件少;静态电流小,典型值为30μA;能驱动大电流P沟道功率MOSFET;有电池反极性保护及外接P-MOSFET的栅极箝位保护;可采用微控制器进行控制或采用手动控制;节省空间的8引脚MSOP封装;工作温度范围-40℃~ 125℃。
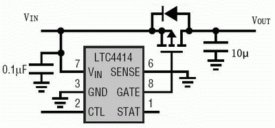
图1 LTC4414的引脚排列
引脚排列及功能
LTC4414的引脚排列如图1所示,各引脚功能如表1所示。
图2 LTC4414结构及外围器件框图
基本工作原理
这里通过内部结构框图及外接元器件组成的电源自动切换电路来说明其工作原理。内部结构框图及外围元器件组成的电路如图2所示。其内部结构是由放大器A1、电压/电流转换电路、电源选择器(可由VIN端或SENSE端给内部电路供电)、模拟控制器、比较器C1、基准电压源(0.5V)、线性栅极驱动器和栅极电压箝位保护电路、开漏输出FET及在CTL内部有3.5μA的下拉电流源等组成。外围元器件有P沟道功率MOSFET、肖特基二极管D1、上拉电阻RPU、输入电容CIN及输出电容COUT。
图2中有两个可向负载供电的电源(主电源及辅电源),可以由主电源单独供电,也可以接上辅电源,根据主、辅电源的电压由LTC4414控制实现自动切换。这两种供电情况分别如下。
1 主电源单独供电
主电源单独供电时,电流从LTC4414的VIN端输入到电源选择器,给内部供电。放大器A1将VIN和VSENSE的差值电压放大,并经过电压/电流转换,输出与VIN-VSESNSE之值成比例的电流输入到模拟控制器。当VIN-VSESNE>20mV时,模拟控制器通过线性栅极驱动器及箝位保护电路将GATE端的电压降到地电平或到栅极箝位电压(保证-VGS≤8.5V),使外接P-MOSFET导通。与此同时,VSESNE被调节到VSESNE=VIN-20mV,即外接P-MOSFET的VDS=20mV。P-MOSFET的损耗为ILOAD×20mV。在P-MOSFET导通时,模拟控制器给内部FET的栅极送低电平,FET截止,STAT端呈高电平(表示P-MOSFET导通)。
2 加上辅电源
当加上辅电源(如交流适配器)后,如果VSESNE> VIN 20mV,则内部电源选择器由SENSE端向内部电路供电。模拟控制器使GATE端电压升高到VSENSE,则P-MOSFET截止,辅电源通过肖特基二极管D1向负载供电。这种电源切换是自动完成的。
在辅电源向负载供电时,模拟控制器给内部FET的栅极送高电平,FET导通,STAT端呈低电平(表示辅电源供电)。上拉电阻RPU的阻值要足够大,使流过FET的电流小于5mA。
在上述两种供电方式时,CTL端是接地或悬空的。CTL的控制功能将在下面的应用电路介绍。
典型应用电路
1 主、辅电源自动切换电路
图3是一种减少功耗的主、辅电源自动切换电路,其功能与图2电路相同,不同之处是用一只辅P-MOSFET(Q2)替代了 图2中的D1,可减少电压降及损耗。其工作原理与图2完全相同。
图3 主、畏电源自动切换电路
图4 由微控制器控制的电源切换电路
2 由微控制器控制的电源切换电路
由微控制器(μC)控制的电源切换电路如图4所示。此图中的主、辅P-MOSFET都采用了两个背对背的P-MOSFET组成,其目的是主电源或辅电源中的P-MOSFET截止时,均不会通过P-MOSFET内部的二极管向负载供电。其缺点是电源要通过两个P-MOSFET才能向负载供电,损耗增加一倍,并增加成本。
图4虚线框中的稳压二极管(一般取8~10V)连接在辅P-MOSFET的极限-VGSS时,由于稳压二极管的击穿电压GS,稳压 二极管被击穿使P-MOSFET的-VGS箝位于8~10V,从而进行保护。
主、辅电源的电压若等于或小于 μC的工作电压时,主、辅电源可直接连接μC的ADC接口;若主、辅电源的电压大于μC的工作电压时,则电源电压要经过电阻分压器分压后才能输入 μC的ADC(图4中,主辅电源直接与μC接口)。
μC的I/O口与LTC4414的CTL端连接。当在CTL端施加逻辑低电平时(低于0.35V)时,主电源向负载供电(不管辅电源的电压高低);当μC向CTL端施加高电平(高于0.9V)时,则由辅电源向负载供电(也不管其电压比主电源高还是低)。一旦辅电源供电,主电源可移去。只有当主电源高于辅电源并且在CTL端置低电平时才能使主电源恢复供电。为了在切换的瞬间使输出电压变化较小,输出电容COUT要有足够的电容量。
这电路切换的过程是:CTL=H时,GATE端的电压与SENSE端的电压相等,使主P-MOSFET的-VGS=0而截止;与此同时STAT端为低电平,使辅P-MOSFET的-VGS≈Vout而导通。
在实际使用时,主电源往往由电池供电,主电源低阈值电压(切换电压)先设定好并存入μC中,μC检测主要电源的电压,一旦主电源的电压低于设定的低阈值电压,μC向CTL端输出高电平,则主P-MOSFET截止;STAT端输出低电平,辅P-MOSFET导通,电源切换成辅电源供电。此时可移去主电源的电池,更换充好电的电池再装入。μC可检查主电源的电压,若VIN>VSENEN超过20mV,μC会自动切换到主电源供电。μC还可以通过I/O口驱动不同颜色的LED,显示主、辅电源的供电状态。
图5 高端功率开关
3 高端功率开关
图5 是由LTC4414组成的高端功率开关电路。由CTL端施加逻辑电平来控制P-MOSFET的通、断。该电路可由μC控制、电路控制或手动控制。CTL=L时,开关导通;CTL=H时,开关关断。
外围元器件的选择
LTC4414的主要外围元器件是P-MOSFET、输入、输电容器CIN和COUT。
1 P-MOSFET的选择
为满足电路工作的可靠性,要选VDSS>VIN(max)及RDS(on)小的P-MOSFET。在VIN低、ILOAD大时,要保证ID>ILOAD(max)及RDS(on) ×I LOAD(max) ≤20mV。
2 C IN及C OUT的选择
为保证在电源切换及负载有较大变化时输出电压稳定,选择合适的CIN及COUT很重要。
C IN一般在0.1~10μF范围内选择,C OUT在1~47μF范围内选取。C IN及C OUT可选用多层陶瓷电容器(MLCC),其电容量大小是否合适最好通过实验来调整。
在使用MLCC电容器时,因其ESR低,自身谐振频率及Q值高,有可能在AC适配器供电插拔瞬单间生高压脉冲而损坏LTC4414。因此,凌特公司建议在输入电容中串联几个Ω的电阻以降值Q值以防止瞬态高压的产生。在实验过程中可看V IN及S ENSE端的电压波形来调整电容量及增减串联在C IN电路中的各电阻值。
应用领域
该器件主要应用于大电流功率通路开关、工业控制及汽车、不间断电源(UPS)、逻辑电平控制的功率开关和带有备用电池的应急系统。
图1 LTC4414的引脚排列
引脚排列及功能
LTC4414的引脚排列如图1所示,各引脚功能如表1所示。
图2 LTC4414结构及外围器件框图
基本工作原理
这里通过内部结构框图及外接元器件组成的电源自动切换电路来说明其工作原理。内部结构框图及外围元器件组成的电路如图2所示。其内部结构是由放大器A1、电压/电流转换电路、电源选择器(可由VIN端或SENSE端给内部电路供电)、模拟控制器、比较器C1、基准电压源(0.5V)、线性栅极驱动器和栅极电压箝位保护电路、开漏输出FET及在CTL内部有3.5μA的下拉电流源等组成。外围元器件有P沟道功率MOSFET、肖特基二极管D1、上拉电阻RPU、输入电容CIN及输出电容COUT。
图2中有两个可向负载供电的电源(主电源及辅电源),可以由主电源单独供电,也可以接上辅电源,根据主、辅电源的电压由LTC4414控制实现自动切换。这两种供电情况分别如下。
1 主电源单独供电
主电源单独供电时,电流从LTC4414的VIN端输入到电源选择器,给内部供电。放大器A1将VIN和VSENSE的差值电压放大,并经过电压/电流转换,输出与VIN-VSESNSE之值成比例的电流输入到模拟控制器。当VIN-VSESNE>20mV时,模拟控制器通过线性栅极驱动器及箝位保护电路将GATE端的电压降到地电平或到栅极箝位电压(保证-VGS≤8.5V),使外接P-MOSFET导通。与此同时,VSESNE被调节到VSESNE=VIN-20mV,即外接P-MOSFET的VDS=20mV。P-MOSFET的损耗为ILOAD×20mV。在P-MOSFET导通时,模拟控制器给内部FET的栅极送低电平,FET截止,STAT端呈高电平(表示P-MOSFET导通)。
2 加上辅电源
当加上辅电源(如交流适配器)后,如果VSESNE> VIN 20mV,则内部电源选择器由SENSE端向内部电路供电。模拟控制器使GATE端电压升高到VSENSE,则P-MOSFET截止,辅电源通过肖特基二极管D1向负载供电。这种电源切换是自动完成的。
在辅电源向负载供电时,模拟控制器给内部FET的栅极送高电平,FET导通,STAT端呈低电平(表示辅电源供电)。上拉电阻RPU的阻值要足够大,使流过FET的电流小于5mA。
在上述两种供电方式时,CTL端是接地或悬空的。CTL的控制功能将在下面的应用电路介绍。
典型应用电路
1 主、辅电源自动切换电路
图3是一种减少功耗的主、辅电源自动切换电路,其功能与图2电路相同,不同之处是用一只辅P-MOSFET(Q2)替代了 图2中的D1,可减少电压降及损耗。其工作原理与图2完全相同。
图3 主、畏电源自动切换电路
图4 由微控制器控制的电源切换电路
2 由微控制器控制的电源切换电路
由微控制器(μC)控制的电源切换电路如图4所示。此图中的主、辅P-MOSFET都采用了两个背对背的P-MOSFET组成,其目的是主电源或辅电源中的P-MOSFET截止时,均不会通过P-MOSFET内部的二极管向负载供电。其缺点是电源要通过两个P-MOSFET才能向负载供电,损耗增加一倍,并增加成本。
图4虚线框中的稳压二极管(一般取8~10V)连接在辅P-MOSFET的极限-VGSS时,由于稳压二极管的击穿电压GS,稳压 二极管被击穿使P-MOSFET的-VGS箝位于8~10V,从而进行保护。
主、辅电源的电压若等于或小于 μC的工作电压时,主、辅电源可直接连接μC的ADC接口;若主、辅电源的电压大于μC的工作电压时,则电源电压要经过电阻分压器分压后才能输入 μC的ADC(图4中,主辅电源直接与μC接口)。
μC的I/O口与LTC4414的CTL端连接。当在CTL端施加逻辑低电平时(低于0.35V)时,主电源向负载供电(不管辅电源的电压高低);当μC向CTL端施加高电平(高于0.9V)时,则由辅电源向负载供电(也不管其电压比主电源高还是低)。一旦辅电源供电,主电源可移去。只有当主电源高于辅电源并且在CTL端置低电平时才能使主电源恢复供电。为了在切换的瞬间使输出电压变化较小,输出电容COUT要有足够的电容量。
这电路切换的过程是:CTL=H时,GATE端的电压与SENSE端的电压相等,使主P-MOSFET的-VGS=0而截止;与此同时STAT端为低电平,使辅P-MOSFET的-VGS≈Vout而导通。
在实际使用时,主电源往往由电池供电,主电源低阈值电压(切换电压)先设定好并存入μC中,μC检测主要电源的电压,一旦主电源的电压低于设定的低阈值电压,μC向CTL端输出高电平,则主P-MOSFET截止;STAT端输出低电平,辅P-MOSFET导通,电源切换成辅电源供电。此时可移去主电源的电池,更换充好电的电池再装入。μC可检查主电源的电压,若VIN>VSENEN超过20mV,μC会自动切换到主电源供电。μC还可以通过I/O口驱动不同颜色的LED,显示主、辅电源的供电状态。
图5 高端功率开关
3 高端功率开关
图5 是由LTC4414组成的高端功率开关电路。由CTL端施加逻辑电平来控制P-MOSFET的通、断。该电路可由μC控制、电路控制或手动控制。CTL=L时,开关导通;CTL=H时,开关关断。
外围元器件的选择
LTC4414的主要外围元器件是P-MOSFET、输入、输电容器CIN和COUT。
1 P-MOSFET的选择
为满足电路工作的可靠性,要选VDSS>VIN(max)及RDS(on)小的P-MOSFET。在VIN低、ILOAD大时,要保证ID>ILOAD(max)及RDS(on) ×I LOAD(max) ≤20mV。
2 C IN及C OUT的选择
为保证在电源切换及负载有较大变化时输出电压稳定,选择合适的CIN及COUT很重要。
C IN一般在0.1~10μF范围内选择,C OUT在1~47μF范围内选取。C IN及C OUT可选用多层陶瓷电容器(MLCC),其电容量大小是否合适最好通过实验来调整。
在使用MLCC电容器时,因其ESR低,自身谐振频率及Q值高,有可能在AC适配器供电插拔瞬单间生高压脉冲而损坏LTC4414。因此,凌特公司建议在输入电容中串联几个Ω的电阻以降值Q值以防止瞬态高压的产生。在实验过程中可看V IN及S ENSE端的电压波形来调整电容量及增减串联在C IN电路中的各电阻值。
应用领域
该器件主要应用于大电流功率通路开关、工业控制及汽车、不间断电源(UPS)、逻辑电平控制的功率开关和带有备用电池的应急系统。
电压 电路 电流 MOSFET 放大器 比较器 二极管 电阻 电容 ADC LED 电容器 相关文章:
- 用于电压或电流调节的新调节器架构(07-19)
- 超低静态电流电源管理IC延长便携应用工作时间(04-14)
- 电源设计小贴士 2:驾驭噪声电源(01-01)
- 负载点降压稳压器及其稳定性检查方法(07-19)
- 电源设计小贴士 3:阻尼输入滤波器(第一部分)(01-16)
- 高效地驱动LED(04-23)
