PLC编程应用举例
PLC控制运料小车
控制工艺
PLC控制运料小车示意图如图6-1所示。
图6-1 PLC控制运料小车示意图
起动按钮SB1用来开启运料小车,停止按钮SB2用来手动停止运料小车。按SB1,小车从原点启动,KM1接触器吸合,使小车向前运行,直到碰到SQ2开关而停止运行,KM2接触器吸合,使甲料斗装料5s,然后小车继续向前运行,直到碰到SQ3开关而停止,此时KM3接触器吸合,使乙料斗装料3s,随后KM4接触器吸合,小车返回原点,直到碰到SQ1开关而停止,KM5接触器吸合,使小车卸料5s后完成一次循环工作过程。
工作方式
(1)方式A:小车连续循环与单次循环可通过按S07自锁按钮来进行选择。当S07为“0”时,小车连续循环;当S07为“1”时,小车单次循环。
(2)方式B:小车连续循环,按停止按钮SB2,小车完成当前运行环节后立即返回原点,直到碰到SQ1开关立即停止;再次按启动按钮SB1,小车重新运行。
(3)方式C:连续进行三次循环后自动停止,中途按停止按钮SB2,则小车完成一次循环后才能停止。
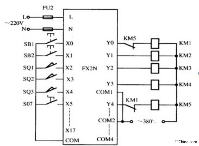
I/O分配与PLC接线图
PLC控制运料小车的输入/输出端口配置见表6-1。
表6-1 I/O分配表
根据I/O分配表确定的PLC接线图,如图6-2所示。
图6-2 PLC接线图
PLC编程
根据要求,控制方式有A、B、C三种,可根据不同的控制方式分别画出对应的状态转移图、梯形图和指令语句表。
(1)A方式编程
根据控制要求,小车的连续循环与单次循环可按S07自锁按钮进行选择。当S07为“0”时,小车连续循环;当S07为“1”时,小车单次循环。其状态转移图如图6-3a所示,对应的梯形图如图6-3b所示,对应的指令语句表如图6-3c所示。
(a)状态转移图
(b)梯形图 (c)指令语句表
图6-3 A方式状态转移图、梯形图和指令语句表
(2)B方式编程
根据B方式的控制要求,小车连续循环,按停止按钮S02,小车完成当前运行环节后立即返回原点,直到碰到SQ1开关立即停止;再次按启动按钮S01,小车重新运行。其状态转移图如图6-4a所示,对应的梯形图如图6-9b所示,对应的指令语句表如图6-4c所示。
(a)状态转移图
(b)梯形图 (c)指令语句表
图6-4 B方式状态转移图、梯形图和指令语句表
(3)C方式编程
根据C方式的控制要求,连续作三次循环后自动停止;中途按停止按钮SB2,则小车完成以次循环后才能停止。其状态转移图如图6-5a所示,对应的梯形图如图6-5b所示,对应的指令语句表如6-5c所示。
(a)状态转移图
(b)梯形图 (c)指令语句表
图6-5 C方式状态转移图、梯形图和指令语句表
摘自《就是要轻松:看图学PLC和变频器》,机械工业出版社E视界
手机扫描二维码即可在手机上浏览!
PLC 相关文章:
- 家居安防无线监控报警系统(04-02)
- 提高实时系统数据采集质量的研究(04-09)
- 基于MSP430及PROFIBUS的监测子站设计(06-12)
- LED开始成为街道照明应用的最佳选择(07-13)
- 一种变频调速系统的SVPWM控制设计(02-03)
- 智能路灯控制系统设计与应用研究(03-24)
