Σ-Δ调制器提高运动控制效率
时间:12-25
来源:互联网
点击:
工业运动控制涵盖一系列应用,包括基于逆变器的风扇或泵控制、具有更为复杂的交流驱动控制的工厂自动化以及高级自动化应用(如具有高级伺服控制的机器人)。这些系统需要检测多个变量,例如电机绕组电流或电压、直流链路电流或电压、转子位置和速度。变量的选择和所需的测量精度取决于终端应用需求、系统架构、目标系统成本或系统复杂度。还有其他考虑因素,例如状态监控等增值特性。据报道,电机占全球总能耗的40%,国际法规越来越注重全体工业运动应用的系统效率(参见图1)。

图1: 工业驱动应用图谱
各种电机控制信号链拓扑中的电流和电压检测技术会因电机额定功率、系统性能要求和终端应用而有所差异。 由于这个原因,不同的传感器选择、电流隔离要求、模数转换器选择、系统集成度和系统电源/接地划分,导致电机控制信号链实现方案也不相同。 虽然隔离要求通常对最终电路拓扑和架构有着重要影响,但本文关注的重点是如何改善电流检测(作为一个影响因素)来实现更高效的电机控制系统。
电流和电压测量
图2所示为一个通用电机控制信号链。为实现高保真测量而进行的信号调理并非易事。相位电流检测尤其困难,因为该节点连接的电路节点与逆变器模块核心中的栅极驱动器输出的节点相同,因此在隔离电压和开关瞬变方面的需求也相同。

图2: 通用电机控制信号链
电机控制中最常用的电流传感器为分流电阻、霍尔效应(HE)传感器以及电流互感器(CT)。虽然分流电阻不具有隔离功能且会引起损耗,但它是所有传感器中最具线性、成本最低且同时适用于交流和直流测量的传感器。为限制分流电阻功率损耗的信号电平衰减通常将分流应用损耗限制为50 A或更低。 电流互感器和霍尔效应传感器可提供固有的隔离,因此能够用于电流较高的系统,但它们的成本更高,并且在精度上不及采用分流电阻的解决方案,这是由于此类传感器本身的初始精度较差或者在温度方面的精度较差。与传感器类型不同,电机电流测量节点有很多选择,如图3所示,其中以直接同相绕组电流测量最为理想,可用于高性能系统。

图3: 隔离式和非隔离式电机电流反馈
有许多拓扑可用来检测电机电流,并需考虑多种因素,例如成本、功耗以及性能水平,但对大多数系统设计人员而言,一个重要目标是在成本控制范围内提高效率。
从霍尔效应传感器到分流电阻
与隔离式Σ-Δ调制器耦合的分流电阻可提供最优质的电流反馈,其中的电流电平足够低。目前,系统设计人员明显倾向于从霍尔效应传感器转移到分流电阻,并且与隔离式放大器方案相比,设计人员更倾向于采用隔离式调制器方案。将霍尔效应传感器替换为分流电阻的系统设计人员往往会选择隔离式放大器,并继续使用之前在基于霍尔效应传感器的设计中使用的模数转换器(ADC)。这种情况下,无论ADC性能如何,设计性能都会受到隔离式放大器的限制。
将隔离式放大器和ADC替换为隔离式Σ-Δ调制器可消除性能瓶颈,并大大改善设计,通常可将其从9到10位的优质反馈提升到12位水平。 此外,还可配置处理Σ-Δ调制器输出所需的数字滤波器,以实现快速过流保护(OCP)环路,从而无需模拟过流保护电路。
现有Σ-Δ调制器可提供±250 mV(±320 mV满量程用于OCP)的差分输入范围,特别适合阻性分流器测量。 模拟调制器对模拟输入持续采样,而输入信息则包含在数字输出流内,其数据速率最高可达20 MHz。通过适当的数字滤波器可重构原始信息。由于转换性能可与带宽或滤波器群延迟进行交换,因此更粗略、更快速的滤波器能够以大约2 μs的时间提供快速OCP响应,非常适合IGBT保护。
缩小分流电阻尺寸
从信号测量方面来看,一些主要难题与分流电阻的选择有关,因为需要实现灵敏度和功耗之间的平衡。电阻自身的发热效应导致的非线性情况也会是使用较大电阻所面临的挑战。因此,设计人员必须做出权衡取舍,而更棘手的是,他们往往需要选择一个适当大小的分流电阻,以满足不同电流电平下各种型号和电机的需求。如果面对数倍于电机额定电流的峰值电流,并需要可靠捕获两者的值,则保持动态范围也是一个难题。
面对这些难题,系统设计人员非常需要具有更宽动态范围或更高信噪比和信纳比(SINAD)的优异Σ-Δ调制器。最新的隔离式Σ-Δ调制器产品具有16位分辨率,并可确保高达12位有效位数(ENOB)的性能。

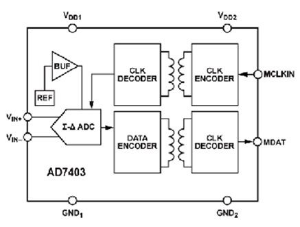
图4: 高性能二阶Σ-Δ调制器AD7403
高性能隔离式Σ-Δ调制器
更高性能的隔离式Σ-Δ调制器可满足工业电机控制设计中的多种需求,并可通过缩小分流电阻尺寸来提高电机驱动器的功效。ADI公司的调制器AD7403就是一个很好的工业应用实例(参见图4)。它是AD7401A的新一代产品,可在相同的20 MHz外部时钟速率下提供更宽的动态范围。 这使设计人员可以更为灵活地选择分流电阻大小,并能够在更高电流电平下使用分流电阻替换霍尔效应传感器。该芯片的ENOB典型值为14.2位。此外,还可通过缩短测量延迟改善动态响应。这款器件的隔离方案支持比上一代产品更高的连续工作电压(VIORM),从而可通过使用更高的直流总线电压和更低的电流来提高系统效率。
采用ADSP-CM40x混合信号控制处理器的系统解决方案
如前所述,实施Σ-Δ调制器需要使用数字滤波器,这通常使用FPGA或ASIC来实现。ADI公司混合信号控制处理器ADSP-CM408F的出现将改变这种设计方式,因为它包含Sinc滤波器硬件,可直接连接调制器。这有望加快运用阻性分流器和Σ-Δ调制器的电流检测技术的普及。
逆变器 自动化 机器人 电流 电压 传感器 电路 电阻 霍尔效应 放大器 ADC 滤波器 IGBT ADI 总线 DSP FPGA 相关文章:
- 基于DSP的工业缝纫机控制系统设计(09-23)
- 高效的500W太阳能逆变器设计(12-22)
- 直面风力发电设计挑战(12-22)
- 一种变频调速系统的SVPWM控制设计(02-03)
- 基于FPGA的SPWM变频系统设计(03-05)
- 永磁同步直线电机硬件在环实时仿真平台(05-11)
