霍尔效应传感器可测量磁场和检测位置
时间:12-25
来源:互联网
点击:
霍尔效应开关和仪器级传感器在工业应用中正变得越来越普及,如今产品和制造工艺设计师可以选用高度集成的各种霍尔效应器件。虽然在需要哪些规范以及磁场测量方面总的来说仍有许多困惑,但这些器件已被证明应用起来相当简便。
在使用数量上只有温度传感器略胜一筹,但霍尔效应传感器亦已被用于国内和商业应用中种类广泛的设备,包括DVD、CD、内存驱动器、自动玩具、手机、汽车罗盘以及汽车点火系统。你还可以在线性、工业旋转设备、位置检测器以及军事/航空设备中见到它们的身影。
制造和测试工程师使用各种类型的分立霍尔效应传感器与仪器提供产品信息并监视制造工艺步骤。虽然在测量功能上与其它类型的传感与仪器可能有些重叠,但对于某些类型的测量来说霍尔效应传感器明显是最佳选择,甚至有些情况下没有其它类型的测试设备能够提供所需的数据,其中就包括对直流电流值、旋转位置、间隙、表面或泄漏磁场值的测量。霍尔效应传感器历史部分提供了有关这些传感器的一些背景知识。
霍尔效应传感器的工作原理
当以一定角度穿过一片材料的磁场影响到在此材料中流动的电流时就会产生霍尔电压。霍尔片通常是一片矩形的半导体材料,作为有源元件或“有源区域”产生霍尔电压(图1)。霍尔片有给定的长度l、宽度w和厚度t。

图1:可以用直流磁场产生和测量霍尔电压。
测量霍尔电压
对于与霍尔片正交的磁通量矢量来说,最大霍尔电压VH就是霍尔片磁场灵敏度γB 与磁场通量密度B的乘积,即:
VH = γBB
这是在霍尔片上可以测得的最大霍尔电压。当霍尔片表面与磁通量矢量不是正交而是呈一个角度θ时,霍尔电压VH等于:
VH = γBB × sinθ
电流I流经长度为l的霍尔片。电流是在触点Ic(+)和Ic(-)之间流动的。磁场处于z方向,也就是说正交于霍尔片平面。由磁场施加的力被称为洛伦兹力,它迫使电荷载体(空穴或电子)沿着图示线条曲线向霍尔片边缘移动。这个力是载流子速度和磁场强度的一个系数。最终在宽度为w的材料的触点VH(+)和VH(-)之间测到的霍尔电压正比于磁场的通量密度。
仪器配置
霍尔效应传感器的支持设备包括用于提供电流Ic的电流源和用于测试触点VH(+)和VH(-)之间霍尔电压的电压表。有些方案还采用负载电阻RL用于电压测量,如图2所示。许多类型的霍尔效应仪器提供这种支持电路的某个部分作为测量系统的有机组成部分。来自触点VH(+)和VH(-)的电压引线可以直接连接到高阻电压表进行读数,或连接到其它电路进行放大、调整和处理。(使用交流源和锁相放大器的更复杂系统也可以用,但不在本文讨论范围内)

图2:仪器中使用的霍尔发生器的典型配置。
应用
在工业环境中,霍尔效应器件一般服务于以下两种主要应用之一:
● 测量磁场强度
● 检测移动物体的接近、位置和旋转参数
下文将讨论每种应用,并提供了高效使用霍尔效应器件的一些技巧。
用于磁场测量的仪器级传感器
当一种工业应用要求精确或经认证的磁场测量时,经常会采用仪器级霍尔效应器件。比较常见的一些仪器级应用包括电磁场控制、半导体离子注入束控制、磁体或磁性零件的受入检查、在线磁化确认、磁场制图、电流检测以及连续磁场暴露监视等。作为这许多测量的替代方法,可以使用商用的高斯计。然而在实际应用中,物理或成本约束经常要求使用分立的霍尔传感器和商用的电子设备。
仪器级霍尔器件用户通常希望得到一个空间或空隙中或来自表面的磁场精确值。根据测量的空间特征,需要使用合适的安装方法来安置和保持检测元件。
典型的霍尔效应传感器通常有横向或轴向两种配置(图3)。横向传感器一般是很薄的矩形,设计用于磁路间隙测量、表面测量和开放磁场测量。轴向传感器一般是圆柱体,用于环形磁铁中心孔测量、螺线管磁场测量、表面磁场检测和普通磁场检测。

图3:横向和轴向霍尔传感器的基本几何形状。
实用化考虑
高质量的传感器可以提供高精度、卓越的线性度和低温度系数。通常可以买到用于特定测量和仪器的合适探头,而且制造商会提供经认证的校准数据。
仪器级霍尔效应传感器的一些较为重要的实用化考虑因素有:
精度。设计师必须确定特定测量所需的精度。在没有信号调节的条件下可以达到1.0%至2.0%的读取精度。在许多应用中使用微处理器校正后可以达到0.4%的精度。
角度。如前所述,霍尔传感器输出是霍尔板与磁场矢量之间夹角θ的正弦函数。当磁场矢量垂直于器件平面(sin90°=1.0)时输出达最大值,当磁场矢量与传感器平面平等时输出为最小值(接近0)。制造商会在最大输出时校准霍尔传感器,因此需要考虑测试夹具或探头的角度误差。
温度。许多种传感器方案都可以支持宽的温度和磁场范围。仪器级传感器支持从1.5K (-271°C)至448K (+175°C)的温度范围和从0.1高斯至30万高斯的磁场范围。霍尔传感器有两种温度系数:一种是用于磁场灵敏度(校准)的温度系数,另一种与偏差(零)变化有关。温度对校准的影响是读数误差的一个百分数,零效应则是取决于温度的一个固定磁场值误差。偏差变化在低磁场读数(小于100高斯)时更为重要。技术人员应该仔细研究制造商给出的两种温度系数指标,然后判断某个特定应用是否能在目标温度范围内保持想要的精度。
输入电流限制。建议设计师了解所要求的输入电流值,并注意不要超过规定的最大值。记住,正常情况下霍尔效应器件是在某个电流值进行校准的。任何偏离校准电流的变化都会改变传感器的输出。然而,这也是一个可以利用的特性。只要不超过最大电流值,电流翻倍输出也会跟着翻倍。
如前所述,基本的仪器级霍尔传感器是一片具有4个电气触点的低阻材料。输入和输出电路彼此间是不隔离的,因此你必须避免使用输入和输出电路中的公共连接。为了满足这个要求,你可以使用隔离式电流源或输出的差分输入放大。
传感器安装替代方案
在一些测量应用中,使用标准探头是不切实际的或不合意的。相反,霍尔效应传感器被直接安装在机械组件上。定制化的传感器安装方式设计超出了本文的讨论范围。以下是在定制方式下有用的一些通用指南:
易碎性。霍尔传感器特别脆弱,很容易因弯曲应力而受损。因此要避免霍尔片接触施加直接压力的表面或器件。在一些应用中,使用非导电的陶瓷或其它绝缘材料作为接口片。
绑定。必须仔细选择绑定粘合剂,以便不给传感器增加应力。当温度变化不超出室温±10℃时,普通环氧(如5分钟风干类型)就很好了。一般不建议罐封,除非是在腐蚀性很高的环境条件下。还可以用其它一些绑定方法来减轻传感器引线的应力,比如将它们绑定在安装基板上。
加工的腔体。这些腔体可以用于轴向或横向霍尔传感器,传感器顶部凹陷在表面下,有助于防止压力接触或磨损。
试管安装。试管安装方式(图4)可以用于保护轴向霍尔传感器。
推荐方法是为任何定制安装应用选择最具鲁棒性的传感器。采用陶瓷或笨酚封装的单元一般来说最耐用。

图4:轴向传感器可以安装在试管内,其中的传感器可以暴露或凹陷在腔体内得到保护。横向传感器一般安装在凹陷处。
集成的接近与旋转传感器
霍尔效应传感器已被广泛用于各种线性接近检测设备,对接近设备的磁场变化进行响应。例如,检测到的磁极可能接近与霍尔片垂直的传感器,或者磁体经过传感器的平面。这种运动将导致产生的电压发生变化。附加的集成电路将霍尔电压转换成显著更大的数字兼容信号。
角度检测、旋转和速度检测使用相同的霍尔效应原理测试位置的重复性物理性变化。对于旋转、速度或角度传感器来说,磁极连接在旋转物体上,比如电机轴,霍尔片是静止的。众所周知的角坐标应用包括检测无刷直流电机的换向和发动机曲柄轴的旋转角度。
用于接近、旋转和电流检测的各种类型设备都是某种形式的霍尔效应“开关”,由霍尔效应输出触发,然后馈送进其它集成电子电路。这种开关根据检测到的磁场值或最近的磁场值和极性提供二元的高低输出。当与载流线圈结合在一起时,霍尔效应开关还可以为过流电路断路器提供电流值检测。
开关工作模式
共有三种主要的工作类型:
双极霍尔开关:要求南极和北极同时高于规定的幅值才能改变状态,也被称为闭锁型开关。
单极正向霍尔开关:要求一个极。根据正向通量密度大于某个幅值或小于最小值(通常没有磁场)改变状态(低或高)。
单极负向霍尔开关:要求一个极。根据负向能量密度幅值大于某个值或小于最小值(即没有磁场)改变状态(高或低)。
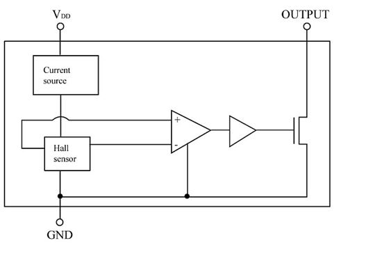
霍尔片所处的磁场决定了输出状态。来自霍尔效应检测器的信号被检测、放大,然后用于控制输出端的固态开关元件。到外部逻辑和控制元件(如CMOS或TTL电路)的连接是标准连接,带有外部上拉电阻。由于大批量生产的原因,集成式霍尔效应器件(图5)通常成本很低。

图5:集成式霍尔效应器件的简化原理图。
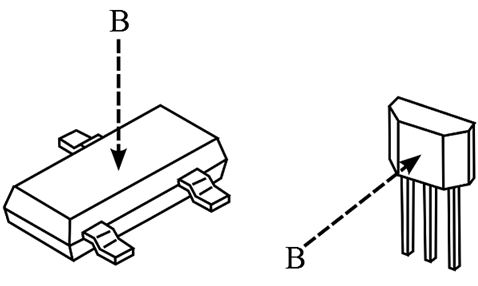
最常用的封装类型是表贴或兼容印刷线路板的引线类型(图6)。与传感器封装有关的正负磁场方向在制造商提供的规格书中有定义。

图6:霍尔效应传感器的封装类型。
为了使得这些器件在应用中更加有用,请记住:
● 当需要精确的磁场读数时要选择仪器级器件。接近检测(角度或线性)最好选用集成式“开关”。
● 了解重要的参数,如磁场幅值,交流或直流磁场,交流频率,温度范围,以及外部噪声(磁性或电气噪声)
● 尽可能选择更具鲁棒性的封装
● 如果准备使用永久磁铁,请向磁铁制造商寻求帮助。
霍尔效应传感器历史
自从1879年Edwin H.Hall博士用一片金箔做实验时出现这种行为后,霍尔效应的知识就被广泛流传开来。虽然现代传感器的开发花去了全球科学家和工程师大量的时间和精力,但霍金的开发起到了抛砖引玉的作用。选取合适的材料是导致延迟的部分原因。在20世纪50年代中期之前,铋是用于传感器开发的最好实用材料。虽然仍然不理想,但铋可以提供足够的霍尔电压和稳定性,完全可以在诸如电磁场控制器等设备中用作传感器。
在20世纪40年代期间材料科学终于迎来了突破性进展,当时III-V族半导体是苏联的主要研究课题。德国西门子公司的科学家则首先认识到,新发现的这些化合物特性可以做出优异的霍尔效应器件(霍尔发电机)。
这类半导体具有霍尔效应应用所需的高载流子迁移率和高电阻率,并且在可变温度条件下具有卓越的稳定性。到20世纪50年代晚期,美国俄亥俄州的研究人员发掘出砷化铟和锑化铟的独特性能,并因此诞生了多家生产基于霍尔效应的产品的公司。作为仪器级传感器,砷化铟器件在稳定性、低噪声和最小温度系统等方面的性能至今还未被其它材料超越。
许多年来,集成电路制造商一直在致力于向市场提供硅霍尔效应器件。它们的大批量生产设施和向传感器增加其它电路的能力为低成本高度通用的器件带来了希望。到20世纪70年代晚期,硅霍尔效应开关得到了长足发展。施密特触发器和输出晶体管的加入给业界带来了极有影响力的器件,这种器件可以提供与磁场存在或消失有关的大输出变化。但获得精确和可重复的结果还存在一些问题。测量的结果通常会受到高温度系数和可变开关校准的影响。直到20世纪80年代,现代校准和补偿电路才使得当今的集成式传感器达到了相当高的性能水平。
霍尔效应 传感器 温度传感器 电流 电压 半导体 电子 电阻 电路 放大器 霍尔传感器 集成电路 CMOS 相关文章:
- 风力涡轮机设计中的旋转编码器(08-14)
- 用FPGA平台实现工业电机最大效率(12-24)
- ACS706实验分析及在低成本伺服驱动器中的应用(06-30)
- 利用先进的电机控制产品实现节能(07-01)
- 霍尔传感元器件及其应用(连载一)(07-27)
- 功率模块中传感器的应用(08-06)
