基于单片机的车载火灾报警器设计
时间:12-16
来源:互联网
点击:
为了避免因机动车自燃带来的人身和财产损害,文章设计了车载火灾报警器,其用单片机做主控制芯片,采用K型热电偶和MAX6675芯片对机动车上的易燃点和基准点的温度进行实时检测,当比较到易燃点温度和基准点温度超过设定的允许温差值时,发出报警。进行了车载火灾报警器运行和测试实验,获得了预期的结果,检测到了机动车易燃点与基准点的温度差值,据此实现了对机动车自燃火灾的预报警。
本文设计的车载火灾报警器主要是针对机动车自燃现象,对机动车易燃点进行温度监控,接近自燃临界点温度时报警,避免机动车自燃现象的发生。
1 方案设计
美国国家火灾调查协会(NAFI)火灾及爆炸鉴定调查中心(CFEI)专业工程师理Richard H.Schulze解读汽车自燃的最大的原因是因为有众多易燃液体(助燃液)存在。在很多情况下,这些易燃液体都提前预热,而且承受一定作用力,这些易燃液体包括(当然或许还有其他)汽油、柴油燃料、自动变速箱专用油、动力转向器油、发动机润滑油、传动装置油、齿轮润滑油、(液压器的)刹车油、防冻油、空调制冷用油(掺杂冷却剂)等。所有这些易燃液体(助燃液)本身都有一个自燃温度,一旦达到这一温度就会点燃,无需任何火花或火焰去激发。所以,对相关自燃点的温度进行监控,就可有效地防止汽车自燃。
现有的报警器主要是烟雾报警器,是通过监测烟雾的浓度来实现火灾防范;通常采用烟雾传感器来探测现场已发生的燃烧物产生的烟雾浓度,并把浓度大小反馈给控制器,经控制器判断后发出声光报警,其最大的缺点是,现场己出现燃烧物,即火灾已发生。因此,为了克服这样的缺点,本文设计在机动车还未发生燃烧时,即通过其温度的变化提前报警,以避免汽车自燃。
温度火灾报警器中有两种温度传感方式,一种是温升式温度传感方式,另一种是温差温度传感方式。按UL标准(美国电器工会标准),其中,温差式温度火灾报警器指当环境温度在1min内上升到比原来的环境温度相差22℃时,也就是指当出现警情时温度突然上升应及时报警。本文设计的车载火灾报警器属于温差式温度火灾报警器。
车载火灾报警器由测试车辆指定部位的温度传感器A、B和作为基准点的温度传感器C组成。当A点与C点或B点与C点的温差在5s内大于设定值时,即由设置于驾驶室内的警报器对驾乘人员发出声光警报,提示驾驶员立即停车检查,避免人身伤亡和财产损失;
硬件结构框图如图1所示,选用温度传感器并行监测A、B、C三点的温度值,采用单片机作为主控制器,控制温度值采样和比较,如果在一定时间内A与C或B与C的温差超限,则输出报警信号,启动报警驱动电路,蜂鸣器鸣叫,发光二极管闪烁报警,直到手动复位。电源电路将车载24V直流电转换成5V直流供报警器使用。

图1 温度报警器硬件结构框图
2 电路设计
本报警器的控制器选用常用单片机芯片AT89C51。
2.1 电源电路
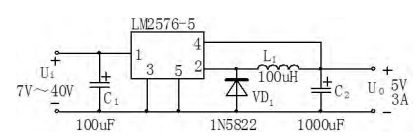
本文采用LM2576-5芯片为核心元器件构成报警器的电源电路,把车载电瓶的12V或24V直流电转换成电压为5V,最大电流为3A的直流稳压电源供使用。LM2576-5芯片是美国国家半导体公司生产的降压开关型集成稳压电路,它内含固定频率振荡器(52kHz)和基准稳压器(1.23V),并具有完善的保护电路,包括电流限制及热关断电路等,利用该器件只需极少的外围器件便可构成高效稳压电路。
LM2756-5芯片的各引脚功能如下:
1脚:Vi,7~40V电源输入。
2脚:OUTPUT,输出端。
3脚:GND(PWRGND),电源地。
4脚:FB,电压反馈输入。
5脚:

,TTL电乎低功耗/正常两种模式控制。
车载电源转换电路如图2所示。

图2 车载电源转换电路
输出电压U0经过LM2756~5的电压反馈输入端送入与基准电压比较,脉冲控制电路根据比较结果产生可控的脉冲信号控制开关管VT的导通与截止,通过电感L的储能,经电容C滤波后得到稳定的输出电压U0,二极管VD在开关管VT截止时为电感L提供了续流通路。
2.2 温度采集电路
考虑到机动车所处的可能的环境温度和需要检测的燃烧临界点温度值,采用K型热电偶和MAX6675芯片进行温度采集,热电偶属于自发电型传感器,测量温度时不需要外加电源、结构简单、使用方便,其电极不受大小和形状的限制。MAX6675是一种带有线性校正、热电偶断线检测、冷端补偿的串行K型热电偶模数转换芯片。温度采集电路如图3所示。

图3 温度采集电路
3个K型热电偶分别安装在测温点A、B、C,采集到的热电势经MAX6675温度补偿后转换成数字信号送给单片机,形成了3个数据采集通道。MAX6675的输入端T+、T-和K型热电偶连接,3个通道的温度数据通过串行输出端SO分别接单片机的P1.0、P1.5、P1.6,片选端

分别由单片机的P1.2、P1.3、P1.4,时钟端SCK由单片机的P1.1控制。
2.4 人机接口电路
本报警器的人机接口电路见图4所示,用数码管显示A、B、C三点的温度值和温差设定值,数码管采用动态扫描显示的控制方式,单片机的P0口经过74LS245芯片接到数码管的段选线,P2.0~P2.3口接位选线:74LS245S是8路同相三态双向总线收发器,可双向传输数据,用于驱动数码管。从单片机的P3口接了3个独立式按键作为温差设定输入设备,从P2.7接了三极管驱动蜂鸣器,从P2.7接了发光二极管,作为温差异常时的声光报警。

图4 人机接口电路
3 程序设计
软件设计采用结构化程序设计思路,由主程序和若干子程序构成。
主程序:温差设定,设定温度采集时间间隔,启动温度采集。
读出温度子程序:读取从MAX6675转换来的热电势的二进制代码值,取出有效的温度数据,并依据K型热电偶分度表,查询读到的热电势对应的温度值,并转换成相应的BCD码温度值。
温度比较子程序:分别将A、B点温度值与C点比较,如果超限,在设定时间范围内持续检测和判断,确实超限,输出软件中断信号。
中断服务子程序:驱动报警电路。
4 报警器运行及测试
本文设计的报警器反复运行多次,功能都能满足设计要求,并进行了温度检测性能和报警器精度测试。
4.1 报警器运行
上电后,每隔5s轮流采集C、A、B三点的温度,测温范围为-55~+125℃,分别显示为“C***““A***””B***”,若超出测温范围,温度值将显示为零。
在温度显示期间,可进行温差范围设定,开机默认温差为20℃。用按键K1、K2、K3进行其他温差值的设定,按下K1短于0.5s,进入温差设定状态,显示为"EC20",按下K2一次温差值加1,按下K3一次温差值减1,调整到需要的温差值后,长按K1大于0.5s,温差值设定为调整值,退出设定状态。
若A点与C点温差大于设定值,发出声光报警,显示两点的温差值为"AC**",若实际温差值大于99,温差值每位分别显示为单字节十六进制,如实际温差为108℃,将显示为A8。报警持续60s,进入下一轮温度值采集,若温差超出范围,报警,直到两点温差值小于设定值,解除报警。
B、C两点温差报警,显示温差值为"BC**",其他与A、C两点类似。
4.2 温度检测性能测试
(1)测试方法。将基准点(C点)的传感器置于20℃(±1℃)的温水中,另将测试点(A点)的传感器置于约20℃的空气中,并设置一处约50℃的空气热源。各处传感器的输出稳定后,将测试点(A点)的传感器移动到50℃的空气热源并记录传感器A的输出达到90%空气热源温度的时间。同样条件测试3次。
(2)测试结果。经过3次测试,A点测试值从20℃上升到45℃(=50℃×90%)的时间(s)均小于30s。
4.3 报警器精度测试
(1)测试方法。将基准点(C点)的传感器置于设定的水中(0、20、50℃),并将报警温差设定为30℃。另将测试点(A点)的传感器置于逐渐加温的水中,记录报警时的温度。不同条件各测试3次。
(2)测试结果。经过9次测试,实测报警温度(℃)值均与由温差设定的报警温度值相差±10%以内。
5 结论
本文设计的车载火灾报警器能检测,并根据易燃点与基准点的温度差值,实现对机动车自燃火灾的预报警,产品的实际运行和测试证明,本方法是可行并可靠的,检测点数目能根据需要进行扩展。
单片机 传感器 温度传感器 电路 二极管 电压 电流 稳压电源 半导体 振荡器 电感 电容 总线 收发器 三极管 发光二极管 相关文章:
- 基于nRF2401智能无线火灾监控系统设计(04-01)
- 家居安防无线监控报警系统(04-02)
- 高精度压力测控系统的试验研究(04-08)
- 提高实时系统数据采集质量的研究(04-09)
- 基于MSP430的低功耗便携式测温仪设计(06-18)
- 以超低功耗微处理器MSP430为核心的热计量表设计(06-18)
