基于PLC控制器的矿井副井提升信号系统的设计
时间:10-26
来源:互联网
点击:
河南省是一个资源大省,平顶山市的煤炭资源尤为丰富,改造传统煤炭工业,改变煤炭工业形象,提高企业现代管理水平,提高煤矿安全,从而能在市场竞争中处于优势地位。计算机控制技术和网络技术在煤炭行业的应用,改变了煤炭行业的技术和产业结构,提高了煤炭的产量和煤炭生产的安全性,提高了企业的自动化和管理水平。
副井提升信号系统是副井提升电控系统的重要组成部分,该系统性能的好坏将直接影响到副井提升机的安全运行。随着计算机技术和电子元器件的发展,产生了一种专门为在工业环境下应用而设计的数字运算操作的电子装置——可编程逻辑控制器。它采用可以编制程序的存储器,用来存储执行逻辑运算、顺序运算、计时、计数和算术运算等操作的指令,并能通过数字式或模拟式的输入和输出,控制各种类型的机械或生产过程。由于PLC及其有关的外围设备易于与工业控制系统形成一个整体、扩展其功能,已成为当今应用场合最为广泛的工业控制装置,成为机电控制不可缺少的核心控制部件,随着工业生产自动化程度要求的不断提高,更加可靠的可编程控制器(PLC)已应用到煤炭行业的各个系统中。本文提出了一种以PLC为核心的矿井副井提升信号系统的设计方案。
1 总体设计
以PLC为核心的矿井副并提升信号系统设计框图如图1所示。本系统主要由PLC控制器、信号输入、信号输出、井口信号箱、井底信号箱、绞车房信号箱、保护系统等几部分组成。
PLC控制器是整个系统的核心部分。具有功能变化灵活、编程简单,自动检测故障点,噪音低,可靠性高,抗干扰能力强,硬件配套齐全,功能完善,适用性强,系统的设计、安装、调试工作量小,维护方便,容易改造,体积小,重量轻,能耗低等优点。
信号输入主要包含提升机去向、提升机位置、功能信号等部分。其中提升机信号包括提矿、提物、提人、上行、下行等信号。
信号输出主要包含下行音响、显示信号,上行音响、显示信号,提物、提矿、提人计数信号和电视显示器信号等。
井口信号箱主要包括各种提升信号的汉字显示及声音提示,各种信号的按钮检测。完成对本水平各种信号的闭锁功能及对井下信号的闭锁功能,同时完成向绞车房发送相应的信号。
井底信号箱主要包括各种提升信号的汉字显示及声音提示,各种信号的按钮检测。完成向井口发相应的信号,同时完成对本水平各种信号的闭锁功能。
绞车房信号箱主要完成井口、井底提升信号的数字和汉字显示及声音提示,前一次或前几次信号的存储记忆和显示。完成急停信号对安全回路的闭锁,换程信号的发出,停车信号的闭锁等功能。
保护系统主要包含故障信号预报、事故停车信号、紧急停车信号等。当提升机控制系统发生故障时由保护系统发送信号到,然后由PLC控制器发出信号到绞车房,并进行相应的操作,对煤矿的安全起到很重要的作用。
2 系统分析
2.1 系统功能
设计出的以PLC为核心的矿井副井提升信号系统可以实现以下功能:1)提升信号有数字显示功能;2)提升指令有汉字显示功能;3)急停报警功能和急停扩展功能;4)井上下信号必须一致方可开车;5)井下信号只能通过井上信号才能传至绞车房,不能直接传至绞车房;6)事故点个停车点,均由井上、下直接传至绞车房,停止绞车运行;7)实现方向闭锁功能;8)实现快慢连锁功能。
2.2 系统工作原理
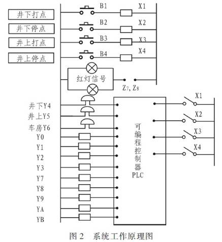
该系统的工作原理图如图2所示,其打点信号的分配见表1。
系统的工作过程如下:
提升机到位后,井口电磁传感器通过信号输入向PLC控制器传送1个到位信号。经PLC控制器处理后向绞车房发出操作指令,信号工此时可进行操车作业,打开安全门,落下摇台,开启阻车器。发信号顺序:下井口→上井口→绞车房。提升机装载完毕后,解除井口所有闭锁:关闭安全门,抬起摇台,关闭前阻车器。
1)提升机快上
下井口先打点2次,经PLC控制器的作用后输出,X1动作2次,移位寄存器左移2位,内部继电器R20接通,X1触发“Y8”2次,在下井口显示器上显示本次信号点数“2”,上井口、下井口电铃同时打铃2次;上井口接到打点信号后,开始打点。上井口打点器X3打点“2”,左移指令也向左移2位,Y0接通,电机做“正上”快速运动;同时,由于Y0互锁,电路Y7接通,红色指示灯亮。
上井口打点时,Y4、Y5、Y6继电器接通,下井口、上井口、提升机房电铃晌,响铃次数与打点数相同,此时Y9接通,触发上井口显示电路显示“2”;当达到井面时,停车开关地X4打点寄存器复位,线圈失电,提升机停车、显示器复位。
2)提升机快下
下井口先打点3次,经PLC控制器的作用后,移位寄存器移位至R2,R0~R2接通,R1、R20失电,R21带电,其相应的触点动作闭合,上井口、下井口电铃响,下井显示“3”。上井听到指示后开始打点,过程与上相同,提升机开动。
3)提升机慢上
即正方向开慢车,下井打点“4”为慢车,经PLC控制器处理后在显示器显示为“4”,通过R4的互锁作用,使其余继电器不工作,通过ZJ3所接外部触点来转换电路工作。
4)提升机慢下
即反方向开慢车,下井打点“4”为慢车,经PLC控制器处理后在显示器显示为“4”。通过R4的互锁作用,使其余继电器不工作,通过ZJ3所接外部触点来转换电路工作。
3 结束语
该系统设计出之后,已经在平顶山市部分煤矿初步试用,试用以来,系统运行正常,性能稳定,信号发送准确,显示屏显示可靠,有力地保障了提升安全的可靠性,为煤矿安全生产奠定了坚实的基础。
电子设计工程 孙振伟 袁珪玲
副井提升信号系统是副井提升电控系统的重要组成部分,该系统性能的好坏将直接影响到副井提升机的安全运行。随着计算机技术和电子元器件的发展,产生了一种专门为在工业环境下应用而设计的数字运算操作的电子装置——可编程逻辑控制器。它采用可以编制程序的存储器,用来存储执行逻辑运算、顺序运算、计时、计数和算术运算等操作的指令,并能通过数字式或模拟式的输入和输出,控制各种类型的机械或生产过程。由于PLC及其有关的外围设备易于与工业控制系统形成一个整体、扩展其功能,已成为当今应用场合最为广泛的工业控制装置,成为机电控制不可缺少的核心控制部件,随着工业生产自动化程度要求的不断提高,更加可靠的可编程控制器(PLC)已应用到煤炭行业的各个系统中。本文提出了一种以PLC为核心的矿井副井提升信号系统的设计方案。
1 总体设计
以PLC为核心的矿井副并提升信号系统设计框图如图1所示。本系统主要由PLC控制器、信号输入、信号输出、井口信号箱、井底信号箱、绞车房信号箱、保护系统等几部分组成。
PLC控制器是整个系统的核心部分。具有功能变化灵活、编程简单,自动检测故障点,噪音低,可靠性高,抗干扰能力强,硬件配套齐全,功能完善,适用性强,系统的设计、安装、调试工作量小,维护方便,容易改造,体积小,重量轻,能耗低等优点。
信号输入主要包含提升机去向、提升机位置、功能信号等部分。其中提升机信号包括提矿、提物、提人、上行、下行等信号。
信号输出主要包含下行音响、显示信号,上行音响、显示信号,提物、提矿、提人计数信号和电视显示器信号等。
井口信号箱主要包括各种提升信号的汉字显示及声音提示,各种信号的按钮检测。完成对本水平各种信号的闭锁功能及对井下信号的闭锁功能,同时完成向绞车房发送相应的信号。
井底信号箱主要包括各种提升信号的汉字显示及声音提示,各种信号的按钮检测。完成向井口发相应的信号,同时完成对本水平各种信号的闭锁功能。
绞车房信号箱主要完成井口、井底提升信号的数字和汉字显示及声音提示,前一次或前几次信号的存储记忆和显示。完成急停信号对安全回路的闭锁,换程信号的发出,停车信号的闭锁等功能。
保护系统主要包含故障信号预报、事故停车信号、紧急停车信号等。当提升机控制系统发生故障时由保护系统发送信号到,然后由PLC控制器发出信号到绞车房,并进行相应的操作,对煤矿的安全起到很重要的作用。
2 系统分析
2.1 系统功能
设计出的以PLC为核心的矿井副井提升信号系统可以实现以下功能:1)提升信号有数字显示功能;2)提升指令有汉字显示功能;3)急停报警功能和急停扩展功能;4)井上下信号必须一致方可开车;5)井下信号只能通过井上信号才能传至绞车房,不能直接传至绞车房;6)事故点个停车点,均由井上、下直接传至绞车房,停止绞车运行;7)实现方向闭锁功能;8)实现快慢连锁功能。
2.2 系统工作原理
该系统的工作原理图如图2所示,其打点信号的分配见表1。
系统的工作过程如下:
提升机到位后,井口电磁传感器通过信号输入向PLC控制器传送1个到位信号。经PLC控制器处理后向绞车房发出操作指令,信号工此时可进行操车作业,打开安全门,落下摇台,开启阻车器。发信号顺序:下井口→上井口→绞车房。提升机装载完毕后,解除井口所有闭锁:关闭安全门,抬起摇台,关闭前阻车器。
1)提升机快上
下井口先打点2次,经PLC控制器的作用后输出,X1动作2次,移位寄存器左移2位,内部继电器R20接通,X1触发“Y8”2次,在下井口显示器上显示本次信号点数“2”,上井口、下井口电铃同时打铃2次;上井口接到打点信号后,开始打点。上井口打点器X3打点“2”,左移指令也向左移2位,Y0接通,电机做“正上”快速运动;同时,由于Y0互锁,电路Y7接通,红色指示灯亮。
上井口打点时,Y4、Y5、Y6继电器接通,下井口、上井口、提升机房电铃晌,响铃次数与打点数相同,此时Y9接通,触发上井口显示电路显示“2”;当达到井面时,停车开关地X4打点寄存器复位,线圈失电,提升机停车、显示器复位。
2)提升机快下
下井口先打点3次,经PLC控制器的作用后,移位寄存器移位至R2,R0~R2接通,R1、R20失电,R21带电,其相应的触点动作闭合,上井口、下井口电铃响,下井显示“3”。上井听到指示后开始打点,过程与上相同,提升机开动。
3)提升机慢上
即正方向开慢车,下井打点“4”为慢车,经PLC控制器处理后在显示器显示为“4”,通过R4的互锁作用,使其余继电器不工作,通过ZJ3所接外部触点来转换电路工作。
4)提升机慢下
即反方向开慢车,下井打点“4”为慢车,经PLC控制器处理后在显示器显示为“4”。通过R4的互锁作用,使其余继电器不工作,通过ZJ3所接外部触点来转换电路工作。
3 结束语
该系统设计出之后,已经在平顶山市部分煤矿初步试用,试用以来,系统运行正常,性能稳定,信号发送准确,显示屏显示可靠,有力地保障了提升安全的可靠性,为煤矿安全生产奠定了坚实的基础。
电子设计工程 孙振伟 袁珪玲
自动化 电子 PLC 显示器 传感器 继电器 电路 相关文章:
- 基于ARM与DSP的嵌入式运动控制器设计(04-25)
- 多核及虚拟化技术在工业和安全领域的应用(05-23)
- 基于nRF2401智能小区无线抄表系统集中器设计(04-30)
- 解密波音747飞机中的Sperry垂直陀螺仪(05-06)
- lns构架智能小区安防及关键技术应用研究(06-09)
- 基于MSP430及PROFIBUS的监测子站设计(06-12)
