Silabs Si86xx六路超低功耗数字隔离解决方案
时间:08-04
来源:互联网
点击:
Silabs公司的Si86xx系列是六路超低功耗数字隔离器,工作速率从DC到150Mbps,高达5000V VRMS绝缘,工作电压2.5V-5.5V,通过的安全认证如 UL 1577 ,IEC 60950-1, 61010-1, 60601-1等,应用在工业自动化系统,医疗设备,混合动力汽车(HEV),绝缘开关电源,绝缘的ADC和DAC,马达控制,电源逆变器和通信系统.本文介绍了Si86xx主要特性,通路框图,以及Si86XXISO 评估板电路图和材料清单.
LOW POWER SIX-CHANNEL DIGITAL ISOLATOR
Silicon Lab’s family of ultra-low-power digital isolators are CMOS devices offering substantial data rate, propagation delay, power, size, reliability, and external BOM advantages over legacy isolation technologies. The operating parameters of these products remain stable across wide temperature ranges and throughout device service life for ease of design and highly uniform performance. All device versions have Schmitt trigger inputs for high noise immunity and only require VDD bypass capacitors.
Data rates up to 150 Mbps are supported, and all devices achieve propagation delays of less than 10 ns. Ordering options include a choice of isolation ratings (3.75 and 5 kV) and a selectable fail-safe operating mode to control the default output state during power loss. All products >1 kVRMS are safety certified by UL, CSA, and VDE, and products in wide-body packages support reinforced insulation withstanding up to 5 kVRMS
Si86xx主要特性:
High-speed operation
DC to 150 Mbps
No start-up initialization required
Wide Operating Supply Voltage
2.5–5.5 V
Up to 5000 VRMS isolation
60-year life at rated working voltage
High electromagnetic immunity
Ultra low power (typical)
5 V Operation
1.6 mA per channel at 1 Mbps
5.5 mA per channel at 100 Mbps
2.5 V Operation
1.5 mA per channel at 1 Mbps
3.5 mA per channel at 100 Mbps
Schmitt trigger inputs
Selectable fail-safe mode
Default high or low output (ordering option)
Precise timing (typical)
10 ns propagation delay
1.5 ns pulse width distortion
0.5 ns channel-channel skew
2 ns propagation delay skew
5 ns minimum pulse width
Transient Immunity 50 kV/μs
AEC-Q100 qualification
Wide temperature range
–40 to 125 °C
RoHS-compliant packages
SOIC-16 wide body
SOIC-16 narrow body
Si86xx应用:
Industrial automation systems
Medical electronics
Hybrid electric vehicles
Isolated switch mode supplies
Isolated ADC, DAC
Motor control
Power inverters
Communication systems
通过的安全认证:
Safety Regulatory Approvals
UL 1577 recognized
Up to 5000 VRMS for 1 minute
CSA component notice 5A approval
IEC 60950-1, 61010-1, 60601-1 (reinforced insulation)
VDE certification conformity
IEC 60747-5-2(VDE0884 Part 2)
EN60950-1(reinforced insulation)
图1.Si86xx简化通路框图
Si86XXISO 评估板
The Si86xxISO evaluation board allows designers to evaluate Silicon Lab’s family of CMOS ultra-low-power isolators. These isolators are CMOS devices employing RF coupler technology to transmit digital information across an isolation barrier. Very high speed operation at low power levels is achieved. These products are based on Silicon Laboratories’ proprietary RF isolation technology and offer shorter propagation delays, lower power consumption, improved noise immunity, smaller installed size, and more stable operation with temperature and age versus opto couplers. The Si861x/2x/3x/4x/5x/6x include up to six unidirectional isolated channels, permitting data transmission up to 150 Mbps. The Si860x isolator series consists of single-package galvanic isolation solutions for I2C, SMBus, and PMBus serial port applications.
The Si86xxISO Evaluation Kit contains the following items:
Si86xxISO based evaluation board (Si86xxISO-EVB)
Si8600, Si8605, Si8621, Si8655, and Si8663 CMOS digital isolators installed on the evaluation board
图2.Si86XXISO评估板外形图
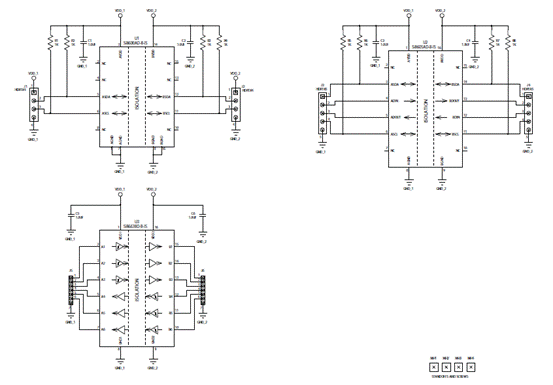
图3.Si86XXISO评估板电路图(1)
图4.Si86XXISO评估板电路图(2)
Si86XXISO评估板材料清单:
详情请见:
http://www.silabs.com/products/power/isolators/Pages/Si86xx-Digital-Isolators.aspx
LOW POWER SIX-CHANNEL DIGITAL ISOLATOR
Silicon Lab’s family of ultra-low-power digital isolators are CMOS devices offering substantial data rate, propagation delay, power, size, reliability, and external BOM advantages over legacy isolation technologies. The operating parameters of these products remain stable across wide temperature ranges and throughout device service life for ease of design and highly uniform performance. All device versions have Schmitt trigger inputs for high noise immunity and only require VDD bypass capacitors.
Data rates up to 150 Mbps are supported, and all devices achieve propagation delays of less than 10 ns. Ordering options include a choice of isolation ratings (3.75 and 5 kV) and a selectable fail-safe operating mode to control the default output state during power loss. All products >1 kVRMS are safety certified by UL, CSA, and VDE, and products in wide-body packages support reinforced insulation withstanding up to 5 kVRMS
Si86xx主要特性:
High-speed operation
DC to 150 Mbps
No start-up initialization required
Wide Operating Supply Voltage
2.5–5.5 V
Up to 5000 VRMS isolation
60-year life at rated working voltage
High electromagnetic immunity
Ultra low power (typical)
5 V Operation
1.6 mA per channel at 1 Mbps
5.5 mA per channel at 100 Mbps
2.5 V Operation
1.5 mA per channel at 1 Mbps
3.5 mA per channel at 100 Mbps
Schmitt trigger inputs
Selectable fail-safe mode
Default high or low output (ordering option)
Precise timing (typical)
10 ns propagation delay
1.5 ns pulse width distortion
0.5 ns channel-channel skew
2 ns propagation delay skew
5 ns minimum pulse width
Transient Immunity 50 kV/μs
AEC-Q100 qualification
Wide temperature range
–40 to 125 °C
RoHS-compliant packages
SOIC-16 wide body
SOIC-16 narrow body
Si86xx应用:
Industrial automation systems
Medical electronics
Hybrid electric vehicles
Isolated switch mode supplies
Isolated ADC, DAC
Motor control
Power inverters
Communication systems
通过的安全认证:
Safety Regulatory Approvals
UL 1577 recognized
Up to 5000 VRMS for 1 minute
CSA component notice 5A approval
IEC 60950-1, 61010-1, 60601-1 (reinforced insulation)
VDE certification conformity
IEC 60747-5-2(VDE0884 Part 2)
EN60950-1(reinforced insulation)
图1.Si86xx简化通路框图
Si86XXISO 评估板
The Si86xxISO evaluation board allows designers to evaluate Silicon Lab’s family of CMOS ultra-low-power isolators. These isolators are CMOS devices employing RF coupler technology to transmit digital information across an isolation barrier. Very high speed operation at low power levels is achieved. These products are based on Silicon Laboratories’ proprietary RF isolation technology and offer shorter propagation delays, lower power consumption, improved noise immunity, smaller installed size, and more stable operation with temperature and age versus opto couplers. The Si861x/2x/3x/4x/5x/6x include up to six unidirectional isolated channels, permitting data transmission up to 150 Mbps. The Si860x isolator series consists of single-package galvanic isolation solutions for I2C, SMBus, and PMBus serial port applications.
The Si86xxISO Evaluation Kit contains the following items:
Si86xxISO based evaluation board (Si86xxISO-EVB)
Si8600, Si8605, Si8621, Si8655, and Si8663 CMOS digital isolators installed on the evaluation board
图2.Si86XXISO评估板外形图
图3.Si86XXISO评估板电路图(1)
图4.Si86XXISO评估板电路图(2)
Si86XXISO评估板材料清单:
详情请见:
http://www.silabs.com/products/power/isolators/Pages/Si86xx-Digital-Isolators.aspx
电压 自动化 开关电源 ADC DAC 逆变器 电路图 CMOS 电路 相关文章:
- 航天器DC/DC变换器的可靠性设计(02-12)
- 基于nRF2401智能小区无线抄表系统集中器设计(04-30)
- 卫星电源分系统可靠性设计与研究(02-12)
- 安全标准61010标准解析(05-05)
- 采用信号调理IC驱动应变片电桥传感器(05-26)
- 解密波音747飞机中的Sperry垂直陀螺仪(05-06)
