基于单片机的生活废(污)水处理系统设计
时间:11-10
来源:互联网
点击:
1 引言
中国是全球人均水资源最贫乏的国家之一,然而在我国,水资源短缺与严重浪费现象长期并存。未来 15 年是我国建设节水型社会的关键时期,国五部委联合发布的《中国节水技术政策大纲》中,对建设节水型社会的规划之一是推广先进实用的节水技术。
学生公寓盥洗室生活用水量大,水池的排水方式普遍为直排式,使具有再次利用价值的生活废水被排入下水道,造成水资源的浪费。本课题设计的是生活废水二次利用装置的控制系统,这一系统地完成有利于推进节水技术的推广,用单片机控制废水处理的设备,从而实现现场的自动化控制。
2 系统总体设计
系统节水装置如图 1 所示,本生活废水处理控制系统主要分为以下几个模块,通过检测浮子开关量来检测水位,如图中的 K1,K2,K3,分别检测过滤水箱,净水箱,储水箱的水位,即输入单元模块,此模块主要用于为控制器提供各输入量的逻辑组合值;驱动电气箱内的电机停转以控制水位的输出控制单元模块;及状态显示,声光报警,数码显示流量总计和手动自动控制切换单元模块。
图 1 节水装置示意图
2.1 控制系统输入模块设计
对输入量的检测要实时准确,本系统使用浮子来检测水位是处于高水位状态或低水位状态,其输出为开关量,所以可以直接将开关量的值检测到单片机内。对开关输入量的检测主要有以下两种典型的方案:一是通过光电耦合器件检测开关量,实现电气隔离,这样处理可以使输入端的波动不至于影响控制电路的正常工作,如图 2 中左侧电路图所示,另一种方案是直接检测,通过简单的电路将开关量检测进来,如图 2 中右侧电路图所示。
图 2 开关量输入检测方法比较
2.2 输出控制单元设计
在本系统中,输出控制主要是控制电机的停转来控制水位,使各个水箱的水位保持在一定的允许的变化范围内,不允许水箱内水位过低以至干涸,也不允许水箱内水位过高以至无法向水箱内充水造成水浪费。
由于单片机系统是弱电系统,而电机回路是强电系统,这就需要解决弱电控制强电的问题,要实现弱电与强电的隔离,所以利用继电器控制电机,实现强弱电的隔离,这样就不会造成强电系统对弱电系统的冲击使系统不稳定。如图3 所示。
图3 电机驱动控制电路
由图3 可知,当单片机输出高电平时,使三极管处于饱和导通状态,继电器线圈得电吸合开关触点接通强电回路,使电机回路导通;当单片机输出低电平时,三极管处于截至断开状态,线圈失电,通过反向续流二极管反向续流放电,开关触点断开,强电回路断开,电机停转。这样就实现了对电机的控制。
2.3 状态显示及数码显示单元
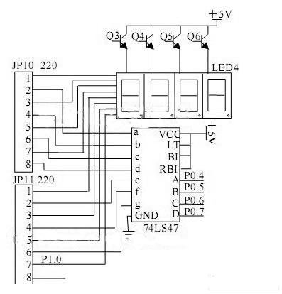
状态显示功能,使用发光二极管来指示系统所处的状态,驱动发光二极管采用灌电流的方式,通过程序控制相应的端口来控制发光二极管的亮灭。数码管显示单元,主要是用于显示流量总计,统计所处理废水的总量。我们采用四位数码管来显示流量总计。如图 4 所示。
图 4 数码管显示单元
在本系统中,我们采用共阳极数码管,通过三极管来控制其通断,因为 74LS47 具有译码功能,所以利用此芯片来控制数码管的显示,对数码管显示的控制采用循环扫描的动态方式显示。
至此,系统的各个功能模块基本完成,那么系统的总体设计功能图如图5 所示。
图 5 系统总体功能模块图
系统主要由单片机扩展若干外围不同功能的模块,来构成一个单片机控制系统。本系统主要由输入模块,输出控制电机模块,状态显示模块及数码显示流量模块。
3 系统调试与结论
本系统通过仿真调试及在现场的调试测试,能够很好的控制系统正常运转,对于浮子开关量的检测快速准确,对电机的停转的控制迅速可靠,能够比较准确的显示所处理的废水的总量,系统各种状态的指示实时准确,能够很好的满足系统控制要求。
中国是全球人均水资源最贫乏的国家之一,然而在我国,水资源短缺与严重浪费现象长期并存。未来 15 年是我国建设节水型社会的关键时期,国五部委联合发布的《中国节水技术政策大纲》中,对建设节水型社会的规划之一是推广先进实用的节水技术。
学生公寓盥洗室生活用水量大,水池的排水方式普遍为直排式,使具有再次利用价值的生活废水被排入下水道,造成水资源的浪费。本课题设计的是生活废水二次利用装置的控制系统,这一系统地完成有利于推进节水技术的推广,用单片机控制废水处理的设备,从而实现现场的自动化控制。
2 系统总体设计
系统节水装置如图 1 所示,本生活废水处理控制系统主要分为以下几个模块,通过检测浮子开关量来检测水位,如图中的 K1,K2,K3,分别检测过滤水箱,净水箱,储水箱的水位,即输入单元模块,此模块主要用于为控制器提供各输入量的逻辑组合值;驱动电气箱内的电机停转以控制水位的输出控制单元模块;及状态显示,声光报警,数码显示流量总计和手动自动控制切换单元模块。
图 1 节水装置示意图
2.1 控制系统输入模块设计
对输入量的检测要实时准确,本系统使用浮子来检测水位是处于高水位状态或低水位状态,其输出为开关量,所以可以直接将开关量的值检测到单片机内。对开关输入量的检测主要有以下两种典型的方案:一是通过光电耦合器件检测开关量,实现电气隔离,这样处理可以使输入端的波动不至于影响控制电路的正常工作,如图 2 中左侧电路图所示,另一种方案是直接检测,通过简单的电路将开关量检测进来,如图 2 中右侧电路图所示。
图 2 开关量输入检测方法比较
在本系统中,由于浮子的开关量的电气干扰比较小无需使用光电耦合器件来进行电气隔离,对输入量的瞬间抖动可以利用软件技术来实现准确的检测,如可在检测输入量时做一下延时,所以在本系统中采用第二种方案。
2.2 输出控制单元设计
在本系统中,输出控制主要是控制电机的停转来控制水位,使各个水箱的水位保持在一定的允许的变化范围内,不允许水箱内水位过低以至干涸,也不允许水箱内水位过高以至无法向水箱内充水造成水浪费。
由于单片机系统是弱电系统,而电机回路是强电系统,这就需要解决弱电控制强电的问题,要实现弱电与强电的隔离,所以利用继电器控制电机,实现强弱电的隔离,这样就不会造成强电系统对弱电系统的冲击使系统不稳定。如图3 所示。
图3 电机驱动控制电路
由图3 可知,当单片机输出高电平时,使三极管处于饱和导通状态,继电器线圈得电吸合开关触点接通强电回路,使电机回路导通;当单片机输出低电平时,三极管处于截至断开状态,线圈失电,通过反向续流二极管反向续流放电,开关触点断开,强电回路断开,电机停转。这样就实现了对电机的控制。
2.3 状态显示及数码显示单元
状态显示功能,使用发光二极管来指示系统所处的状态,驱动发光二极管采用灌电流的方式,通过程序控制相应的端口来控制发光二极管的亮灭。数码管显示单元,主要是用于显示流量总计,统计所处理废水的总量。我们采用四位数码管来显示流量总计。如图 4 所示。
图 4 数码管显示单元
在本系统中,我们采用共阳极数码管,通过三极管来控制其通断,因为 74LS47 具有译码功能,所以利用此芯片来控制数码管的显示,对数码管显示的控制采用循环扫描的动态方式显示。
至此,系统的各个功能模块基本完成,那么系统的总体设计功能图如图5 所示。
图 5 系统总体功能模块图
系统主要由单片机扩展若干外围不同功能的模块,来构成一个单片机控制系统。本系统主要由输入模块,输出控制电机模块,状态显示模块及数码显示流量模块。
3 系统调试与结论
本系统通过仿真调试及在现场的调试测试,能够很好的控制系统正常运转,对于浮子开关量的检测快速准确,对电机的停转的控制迅速可靠,能够比较准确的显示所处理的废水的总量,系统各种状态的指示实时准确,能够很好的满足系统控制要求。
单片机 自动化 电路 电路图 继电器 三极管 二极管 发光二极管 电流 仿真 相关文章:
- 基于nRF2401智能无线火灾监控系统设计(04-01)
- 家居安防无线监控报警系统(04-02)
- 高精度压力测控系统的试验研究(04-08)
- 提高实时系统数据采集质量的研究(04-09)
- 基于MSP430的低功耗便携式测温仪设计(06-18)
- 以超低功耗微处理器MSP430为核心的热计量表设计(06-18)
