四路智能温度测控仪的设计
时间:08-13
来源:互联网
点击:
1 引言
温度是表征物体冷热程度的物理量。针对生产中常遇到的多路温度测控问题,提出以单片机系统为核心的4路温度测控仪表的设计方案。该系统可监控4路温度,同时输出控制信号直接作用于对象,而无需经变换器,节省大量成本,同时该系统设计还具有结构紧凑,测量精度高,抗干扰能力强.测温范围广。LCD中文界面友好,可远程通讯等特点。
2 系统硬件设计
2.1 系统设计分析
温度控制仪的硬件设计主要由电加热炉温度检测、环境温度检测、A/D转换、外部晶闸管调功、人机交互以及与PC机通信等部分组成。该系统仪表以单片机为核心,读取计算由测量输入通道进入的被测信号,再通过一定的算法计算控制量,送至控制输出通道至控制信号。同时,单片机通过通信模块与PC机数据通信,以及通过人机交互模块实现与操作者的信息交互。图1为该系统硬件设计框图。

4个通道先通过热电偶测到的电压值经CD405l的八选一模拟选择开关,再经MD转换电路送至单片机P89V5lRD2,将测得的温度值与由按键或RS-485接口通信接收的设定值相比较,计算控制量以控制晶闸管输出,调整电加热炉温度值。液晶显示模块FYDl2864则将单片机测得的4路温度与设定值予以显示。RS-485接口通信模块除由PC向单片机发送设定值外,还负责单片机通过MAX487向PC发送所测的温度值,再传输至上位机进行管理和绘图。
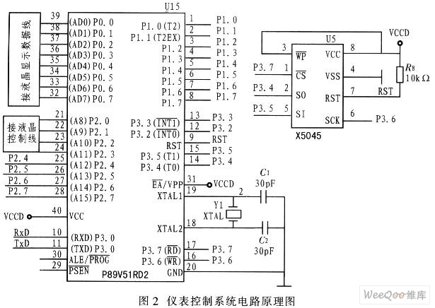
2.2 仪表控制系统
仪表控制系统主要包括单片机P89V51RD2和看门狗X5045,它是系统的核心,用于系统控制和计算。

图2中,振荡器电路中晶体振荡器频率为11.059 2 MHz,电容C1和C2都是30 pF。单片机P89V51RD2的PO.O~P0.7用于连接液晶模块的数据线,P2.0~P.3用于连接液晶模块的控制线。P89V51RD2型单片机的Flash程序存储器支持并行和串行在系统编程(ISP)。并行编程方式提供高速的分组编程方式,可节省编程花费和开发时间。ISP允许在软件控制下重复编程最终产品,其内存容量大,4路温控存取的数据较大,并具有较丰富的外设功能。X5045是一种在单片机系统中广泛应用的看门狗,内置上电复位、看门狗定时器、电压监控和EEPROM等4种常用功能。其看门狗定时器和电源电压监控功能可对系统起到保护作用;512x8位的EEPROM用于存储单片机系统的重要数据。X5045与MCU采用SPI总线接口,可与任意一款单片机的I/O端口直接连接。该器件内部含有一个位指令移位寄存器,该寄存器可通过SI进行访问。数据在SCK的上升沿由时钟同步输入,在其整个工作期间,西必须是低电平且丽必须是高电平。如果在看门狗定时器预置的溢出时间内无总线活动,说明西引脚电平发生变化,X5045将提供复位信号输出以保证系统可靠运行。X5045内部有一个“写使能”锁存器,在执行写操作之前该锁存器必须置位,在写周期完成后,该锁存器自动复位。X5045还有一个状态寄存器,用于提供其状态信息以及设置块保护和看门狗的定时周期。
3 系统软件设计
上位机采用VC++6.0编程实现,一次完整的通信过程分为3个阶段:主机询问、从机应答和链路释放。系统中温控仪为下位机。系统通信采用主从方式,即通信过程由上位机向下位机发送数据包,从而发起一个通信过程:下位机在接收到该数据包并完成相应操作后向上位机回送一个数据包,从而结束该通信过程。这种方式称为呼叫应答式通信。其中下传方向为PC机向温控仪传送数据,上传方向为温控仪向PC机传送数据。
仪表软件设计流程图如图3所示,系统上电后,首先进行初始化,包括看门狗和液晶显示的初始化,使系统进入正常工作环境。在进入系统前,要将工作经验值录入初始的PID控制参数和控温要求。系统开始工作时,需要判断上位PC机有无发送数据,如果有,进行接收并处理设计值,如果无,则直接处理设定值。根据采样模块,采样4通道的温度值后送到液晶显示,单片机根据4路测量的温度值与设定的4路温度值比较,计算出4路的偏差量,根据PID控制参数分别计算四路的控制量,单片机根据4路的控制量分别控制晶闸管的导通与关闭,从而实现4路的温度控制。在计算偏差量的同时。如果超过设定的偏差限幅,则温高报警,关断该回路的晶闸管控制,进行故障检修,避免危险发生。单片机根据测得的各个回路的温度值及时发送至上位机,实现温度保存和曲线绘制,并根据测得的温度值修改PID参数。在整个测控过程中.还要判断有无按键按下,如果有,根据键盘操作程序判断是停止测量还是参数修改,从而实现系统实时控制。
4 结论
4路温度测控系统是以P89V51单片机为核心。采用CD4051为温度测量电路,以数模转换器ICL7135为输出电路,完成4台电加热炉的温度测控实验,取得较好实验结果:利用串口实现仪表与上位机的通信,并用VC++编写PC端的应用程序。实际调试结果证明系统各项技术指标均达到工业生产的要求,完成4路智能温控仪产品样机设计。
温度是表征物体冷热程度的物理量。针对生产中常遇到的多路温度测控问题,提出以单片机系统为核心的4路温度测控仪表的设计方案。该系统可监控4路温度,同时输出控制信号直接作用于对象,而无需经变换器,节省大量成本,同时该系统设计还具有结构紧凑,测量精度高,抗干扰能力强.测温范围广。LCD中文界面友好,可远程通讯等特点。
2 系统硬件设计
2.1 系统设计分析
温度控制仪的硬件设计主要由电加热炉温度检测、环境温度检测、A/D转换、外部晶闸管调功、人机交互以及与PC机通信等部分组成。该系统仪表以单片机为核心,读取计算由测量输入通道进入的被测信号,再通过一定的算法计算控制量,送至控制输出通道至控制信号。同时,单片机通过通信模块与PC机数据通信,以及通过人机交互模块实现与操作者的信息交互。图1为该系统硬件设计框图。

4个通道先通过热电偶测到的电压值经CD405l的八选一模拟选择开关,再经MD转换电路送至单片机P89V5lRD2,将测得的温度值与由按键或RS-485接口通信接收的设定值相比较,计算控制量以控制晶闸管输出,调整电加热炉温度值。液晶显示模块FYDl2864则将单片机测得的4路温度与设定值予以显示。RS-485接口通信模块除由PC向单片机发送设定值外,还负责单片机通过MAX487向PC发送所测的温度值,再传输至上位机进行管理和绘图。
2.2 仪表控制系统
仪表控制系统主要包括单片机P89V51RD2和看门狗X5045,它是系统的核心,用于系统控制和计算。

图2中,振荡器电路中晶体振荡器频率为11.059 2 MHz,电容C1和C2都是30 pF。单片机P89V51RD2的PO.O~P0.7用于连接液晶模块的数据线,P2.0~P.3用于连接液晶模块的控制线。P89V51RD2型单片机的Flash程序存储器支持并行和串行在系统编程(ISP)。并行编程方式提供高速的分组编程方式,可节省编程花费和开发时间。ISP允许在软件控制下重复编程最终产品,其内存容量大,4路温控存取的数据较大,并具有较丰富的外设功能。X5045是一种在单片机系统中广泛应用的看门狗,内置上电复位、看门狗定时器、电压监控和EEPROM等4种常用功能。其看门狗定时器和电源电压监控功能可对系统起到保护作用;512x8位的EEPROM用于存储单片机系统的重要数据。X5045与MCU采用SPI总线接口,可与任意一款单片机的I/O端口直接连接。该器件内部含有一个位指令移位寄存器,该寄存器可通过SI进行访问。数据在SCK的上升沿由时钟同步输入,在其整个工作期间,西必须是低电平且丽必须是高电平。如果在看门狗定时器预置的溢出时间内无总线活动,说明西引脚电平发生变化,X5045将提供复位信号输出以保证系统可靠运行。X5045内部有一个“写使能”锁存器,在执行写操作之前该锁存器必须置位,在写周期完成后,该锁存器自动复位。X5045还有一个状态寄存器,用于提供其状态信息以及设置块保护和看门狗的定时周期。
3 系统软件设计
上位机采用VC++6.0编程实现,一次完整的通信过程分为3个阶段:主机询问、从机应答和链路释放。系统中温控仪为下位机。系统通信采用主从方式,即通信过程由上位机向下位机发送数据包,从而发起一个通信过程:下位机在接收到该数据包并完成相应操作后向上位机回送一个数据包,从而结束该通信过程。这种方式称为呼叫应答式通信。其中下传方向为PC机向温控仪传送数据,上传方向为温控仪向PC机传送数据。
仪表软件设计流程图如图3所示,系统上电后,首先进行初始化,包括看门狗和液晶显示的初始化,使系统进入正常工作环境。在进入系统前,要将工作经验值录入初始的PID控制参数和控温要求。系统开始工作时,需要判断上位PC机有无发送数据,如果有,进行接收并处理设计值,如果无,则直接处理设定值。根据采样模块,采样4通道的温度值后送到液晶显示,单片机根据4路测量的温度值与设定的4路温度值比较,计算出4路的偏差量,根据PID控制参数分别计算四路的控制量,单片机根据4路的控制量分别控制晶闸管的导通与关闭,从而实现4路的温度控制。在计算偏差量的同时。如果超过设定的偏差限幅,则温高报警,关断该回路的晶闸管控制,进行故障检修,避免危险发生。单片机根据测得的各个回路的温度值及时发送至上位机,实现温度保存和曲线绘制,并根据测得的温度值修改PID参数。在整个测控过程中.还要判断有无按键按下,如果有,根据键盘操作程序判断是停止测量还是参数修改,从而实现系统实时控制。
4 结论
4路温度测控系统是以P89V51单片机为核心。采用CD4051为温度测量电路,以数模转换器ICL7135为输出电路,完成4台电加热炉的温度测控实验,取得较好实验结果:利用串口实现仪表与上位机的通信,并用VC++编写PC端的应用程序。实际调试结果证明系统各项技术指标均达到工业生产的要求,完成4路智能温控仪产品样机设计。
单片机 LCD 电压 电路 看门狗 振荡器 电容 MCU 总线 51单片机 相关文章:
- 基于nRF2401智能无线火灾监控系统设计(04-01)
- 家居安防无线监控报警系统(04-02)
- 高精度压力测控系统的试验研究(04-08)
- 提高实时系统数据采集质量的研究(04-09)
- 基于MSP430的低功耗便携式测温仪设计(06-18)
- 以超低功耗微处理器MSP430为核心的热计量表设计(06-18)
