基于串行A/D转换器LTC1286的数据采集系统
时间:06-08
来源:互联网
点击:
基于串行A/D转换器LTC1286的模拟数据采集系统具有较好的灵活性和实用性,可实现对电压、电流、温度、压力、湿度等多种电量与非电量的采集与处理。
数据采集系统广泛应用于测量仪器仪表及工业控制设备等测控装置与测控系统中,其核心器件是A/D转换器。
基于LTC1286的通用数据采集系统通过选用不同的传感器件和信号调理电路,可实现对电压、电流、温度、压力、湿度等多种信息的采集与处理。该系统具有误差小、精度高、电路构成简单、通用性强的特点。
LTC1286的特性、引脚功能及时序
● 主要特点
LTC1286是低功耗、中速、12位逐次比较型串行输出通用A/D转换器,它采用5~9V单电源供电,其主要特性包括:具有12位分辨率;最大非线性误差为±3/4LSB;转换时间为60μs;双极性或单极性模拟输入;12位三态串行输出。
● 引脚排列及功能
LTC1286的引脚排列如图1所示。

图1:LTC1286的引脚排列及功能
各引出脚功能如下。
脚1为基准电压输入端;脚2为正极性模拟信号输入端;脚3为负极性模拟信号输入端;脚4为公共端;脚5为片选端,CS由高电平跳变到低电平将复位内部计数器,并控制和使能DATA OUT端和CLOCK端,CS由低电平跳变到高电平将在一个设置时间内禁止CLOCK;脚6为A/D转换结果三态输出端(数字信号输出端),在CS为高电平时,该脚处于高阻状态,当CS为低电平时,该脚由前一次转换结果的MSB值置成相应的逻辑电平;脚7为时钟信号输入端;脚8为电源正极性端。
● 接口时序
LTC1286的接口时序如图2所示。由时序图可知,LTC1286每次转换和传送数据使用15个时钟周期,在每次传送周期之间插入CS的时序,从CS信号由高电平变为低电平时,转换和传送过程开始,到CS为高电平时,转换和传送周期结束,CLOCK被禁止,DATA OUT变为高阻态。

图2:LTC1286时序图
系统设计
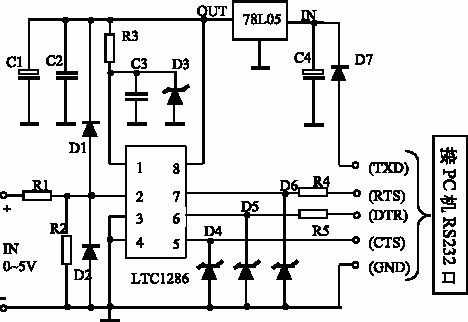
该系统采用LTC1286作为A/D转换器件,采用PC机作为处理机对采集的数据进行处理,并把处理结果输出到屏幕进行实时显示,或作为记录保存到硬盘中。系统硬件电路如图3所示:

图3:系统硬件电路
● 电源与基准电压源
系统电源取自PC机串行接口的TXD脚,经D7、C4、78L05、C1、C2处理向电路提供+5V平滑稳定的直流电压。
D3、C3、R3构成LTC1286外部基准电压源,D3选用REF25Z作为2.5V基准电压输出。
● 信号输入电路
系统输入端分压电阻R1和R2构成模拟信号输入电路,输入信号电压变化范围为0~+5V,R1和R2的取值须考虑LTC1286的输入特性及外接传感器或调理电路的输出特性,其取值范围为33~100kΩ,且R1=R2。二极管D1和D2构成输入端双向限幅电路。
● LTC1286与PC的接口电路
LTC1286与PC采用四线制通信方式,如图3所示。PCRS-232口的电平为12V,为了解决与LTC1286的直接连接问题,在LTC1286的数字信号输入/输出端加了三只4.7V稳压管D4、D5、D6和两只限流电阻R4、R5。系统中数据的采集与控制由PC编程完成。数据的采集与更新通过LTC1286第5脚的控制信号CS实现。在CS信号低电平期间,LTC1286完成数据的更新采集,同时把前一次采集的数据通过6脚(DATA OUT)串行移出,在CS信号高电平期间,时钟信号CLOCK被禁止,输出端为高阻态。
● 接口程序设计
系统软件主要包括初始化模块、A/D转换控制模块、数据处理模块、屏幕输出显示模块和磁盘文件输出模块。限于篇幅,这里只给出对应于PC串行口COM1(3F8h)的接口程序。
10 REM --- 12BTIS ---
20 KEY OFF:CLS
30 B=&H3F8:REM COM1:
40 N=12:REM 12BITS
50 OUT B+4,1
60 FOR T=0 TO 100 NEXT T
70 OUT B+3,64
80 FOR T=0 TO 500 : NEXT T
90 OUT B+4,0:D=0:REM ACQUISITION
100 OUT B+4,2:OUT B+4,0
102 OUT B+4,2:OUT B+4,0
103 OUT B+4,2:OUT B+4,0
110 FOR F=0 TO N-1
120 OUT B+4,2
130 E=INP(B+6) AND 16
140 OUT B+4,0
150 IF E=16 THEN D=D+2^(N-1-F)
160 NEXT F
170 D=5*D/(2^N-1)
180 OUT B+4,1
190 RETURN
选用不同的传感器件和信号调理电路,该数据采集系统可实现对多种电量与非电量的采集与处理,运行稳定可靠,采样精度高,能满足多数测控系统的测控要求与精度要求。
数据采集系统广泛应用于测量仪器仪表及工业控制设备等测控装置与测控系统中,其核心器件是A/D转换器。
基于LTC1286的通用数据采集系统通过选用不同的传感器件和信号调理电路,可实现对电压、电流、温度、压力、湿度等多种信息的采集与处理。该系统具有误差小、精度高、电路构成简单、通用性强的特点。
LTC1286的特性、引脚功能及时序
● 主要特点
LTC1286是低功耗、中速、12位逐次比较型串行输出通用A/D转换器,它采用5~9V单电源供电,其主要特性包括:具有12位分辨率;最大非线性误差为±3/4LSB;转换时间为60μs;双极性或单极性模拟输入;12位三态串行输出。
● 引脚排列及功能
LTC1286的引脚排列如图1所示。

图1:LTC1286的引脚排列及功能
各引出脚功能如下。
脚1为基准电压输入端;脚2为正极性模拟信号输入端;脚3为负极性模拟信号输入端;脚4为公共端;脚5为片选端,CS由高电平跳变到低电平将复位内部计数器,并控制和使能DATA OUT端和CLOCK端,CS由低电平跳变到高电平将在一个设置时间内禁止CLOCK;脚6为A/D转换结果三态输出端(数字信号输出端),在CS为高电平时,该脚处于高阻状态,当CS为低电平时,该脚由前一次转换结果的MSB值置成相应的逻辑电平;脚7为时钟信号输入端;脚8为电源正极性端。
● 接口时序
LTC1286的接口时序如图2所示。由时序图可知,LTC1286每次转换和传送数据使用15个时钟周期,在每次传送周期之间插入CS的时序,从CS信号由高电平变为低电平时,转换和传送过程开始,到CS为高电平时,转换和传送周期结束,CLOCK被禁止,DATA OUT变为高阻态。

图2:LTC1286时序图
系统设计
该系统采用LTC1286作为A/D转换器件,采用PC机作为处理机对采集的数据进行处理,并把处理结果输出到屏幕进行实时显示,或作为记录保存到硬盘中。系统硬件电路如图3所示:

图3:系统硬件电路
● 电源与基准电压源
系统电源取自PC机串行接口的TXD脚,经D7、C4、78L05、C1、C2处理向电路提供+5V平滑稳定的直流电压。
D3、C3、R3构成LTC1286外部基准电压源,D3选用REF25Z作为2.5V基准电压输出。
● 信号输入电路
系统输入端分压电阻R1和R2构成模拟信号输入电路,输入信号电压变化范围为0~+5V,R1和R2的取值须考虑LTC1286的输入特性及外接传感器或调理电路的输出特性,其取值范围为33~100kΩ,且R1=R2。二极管D1和D2构成输入端双向限幅电路。
● LTC1286与PC的接口电路
LTC1286与PC采用四线制通信方式,如图3所示。PCRS-232口的电平为12V,为了解决与LTC1286的直接连接问题,在LTC1286的数字信号输入/输出端加了三只4.7V稳压管D4、D5、D6和两只限流电阻R4、R5。系统中数据的采集与控制由PC编程完成。数据的采集与更新通过LTC1286第5脚的控制信号CS实现。在CS信号低电平期间,LTC1286完成数据的更新采集,同时把前一次采集的数据通过6脚(DATA OUT)串行移出,在CS信号高电平期间,时钟信号CLOCK被禁止,输出端为高阻态。
● 接口程序设计
系统软件主要包括初始化模块、A/D转换控制模块、数据处理模块、屏幕输出显示模块和磁盘文件输出模块。限于篇幅,这里只给出对应于PC串行口COM1(3F8h)的接口程序。
10 REM --- 12BTIS ---
20 KEY OFF:CLS
30 B=&H3F8:REM COM1:
40 N=12:REM 12BITS
50 OUT B+4,1
60 FOR T=0 TO 100 NEXT T
70 OUT B+3,64
80 FOR T=0 TO 500 : NEXT T
90 OUT B+4,0:D=0:REM ACQUISITION
100 OUT B+4,2:OUT B+4,0
102 OUT B+4,2:OUT B+4,0
103 OUT B+4,2:OUT B+4,0
110 FOR F=0 TO N-1
120 OUT B+4,2
130 E=INP(B+6) AND 16
140 OUT B+4,0
150 IF E=16 THEN D=D+2^(N-1-F)
160 NEXT F
170 D=5*D/(2^N-1)
180 OUT B+4,1
190 RETURN
选用不同的传感器件和信号调理电路,该数据采集系统可实现对多种电量与非电量的采集与处理,运行稳定可靠,采样精度高,能满足多数测控系统的测控要求与精度要求。
- 航天器DC/DC变换器的可靠性设计(02-12)
- 基于nRF2401智能小区无线抄表系统集中器设计(04-30)
- 卫星电源分系统可靠性设计与研究(02-12)
- 安全标准61010标准解析(05-05)
- 采用信号调理IC驱动应变片电桥传感器(05-26)
- 解密波音747飞机中的Sperry垂直陀螺仪(05-06)
