S3C2440-蜂鸣器
时间:03-25
来源:互联网
点击:
ARM驱动蜂鸣器的方式有两种:一种是PWM输出口直接驱动,另一种是利用IO定时翻转电平产生驱动波形对蜂鸣器进行驱动。PWM输出口直接驱动是利用PWM输出口本身可以输出一定的方波来进行驱动。在ARM中可以用几个特殊功能寄存器对占空比和周期进行设置。通过设置这些寄存器产生符合蜂鸣器要求的方波后,这个时候利用这个方波就可以对蜂鸣器进行驱动了。使用PWM时,通过TCMPn可以决定脉宽,TCNTn决定频率,TCMPn/TCNTn决定占空比。使用IO口电平翻转时,需要使用定时器来做定时,通过定时翻转产生符合要求频率的波形。由于蜂鸣器一般的工作电流比较大,以至于IO口无法驱动,一般使用放大电路来驱动,一般使用三极管来放大电流就可以了。

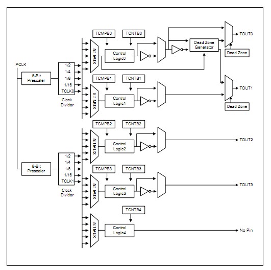
使用PWM控制蜂鸣器:
rTCFG0用来设置预分频值,rTCFG1用来设置多路选择器MUX的分频值,TCNTB0也起到分频作用。使用PWM控制蜂鸣器注意设置GPB0为TOUT0。这里设置PWM频率为1HZ,占空比50%,也就是半秒响一次。S3C2440定时器中有双缓冲rTCNTBn,rTCMPBn,他们是可以通过编程访问的,他们会将数据自动装入rTCNTn,rTCMPn,这两个16位计数器对程序员来说是透明的。
一般启动定时器的步骤如下:
#define rGPBCON (*(volatile unsigned *)0x56000010)
#define rGPBDAT (*(volatile unsigned *)0x56000014)
#define rGPBUP (*(volatile unsigned *)0x56000018)
#define rTCFG0 (*(volatile unsigned *)0x51000000)
#define rTCFG1 (*(volatile unsigned *)0x51000004)
#define rTCNTB0 (*(volatile unsigned *)0x5100000C)
#define rTCMPB0 (*(volatile unsigned *)0x51000010)
#define rTCON (*(volatile unsigned *)0x51000008)
int Main(){
rGPBCON &= 0xfffffc;
rGPBCON |= 0x2;
rTCFG0 &= "0xff;
rTCFG0 |= 0x64;
rTCFG1 &= "0xf;
rTCFG1 |= 0x3;
rTCNTB0 = 0x7530;
rTCMPB0 = rTCNTB0>>1;
rTCON &= "0x1f;
rTCON |= (0x1)|(0x1<<1)|(0x1<<3);
rTCON &= "2;
while(1);
return 0;
}
使用定时器产生中断使IO电平翻转,控制蜂鸣器:
定时器注意设置rINTMSK开中断,并在中断处理程序中清除中断请求位。rSRCPND |= 0x1<<10;rINTPND |= 0x1<<10;清除rINTPND通过设置相应为1进行清除。rSTCPND是向相应位写数据清除。如果不清除,会一直响应这个中断。在Main函数中清一下是为了防止以前这个位申请中断,所以清一下,以防万一。定时器接在APB总线上,所以用PCLK时钟。在这里我设预分频为0x64,除法器为16,rTCNTB0为0x7a12,所以 50M/0x64/16/0x7a12为1HZ,所以中断周期为1s,所以每一秒蜂鸣器响一下,然后隔一秒,然后再响。
#define rGPBCON (*(volatile unsigned *)0x56000010)
#define rGPBDAT (*(volatile unsigned *)0x56000014)
#define rGPBUP (*(volatile unsigned *)0x56000018)
#define rSRCPND (*(volatile unsigned *)0x4A000000)
#define rINTPND (*(volatile unsigned *)0x4A000010)
#define rTCFG0 (*(volatile unsigned *)0x51000000)
#define rTCFG1 (*(volatile unsigned *)0x51000004)
#define rTCNTB0 (*(volatile unsigned *)0x5100000C)
#define rTCON (*(volatile unsigned *)0x51000008)
#define rINTMSK (*(volatile unsigned *)0x4A000008)
#define U32 unsigned int
#define _ISR_STARTADDRESS 0x33ffff00
#define pISR_TIMER0 (*(unsigned *)(_ISR_STARTADDRESS+0x48))
int count;
void __irq Timer0_ISR(void){
rSRCPND |= 0x1<<10;
rINTPND |= 0x1<<10;
count++;
if(count %2 == 1)
rGPBDAT |= 0x01;
else
rGPBDAT &= 0xfe;
if(count == 1000)
count = 0;
}
int Main(){
count = 0;
rGPBCON &= 0xfffffc;
rGPBCON |= 0x1;
rGPBDAT &= 0xffe;
rGPBUP &= 0xfe;
pISR_TIMER0 = (U32)Timer0_ISR;
rSRCPND |= 0x1<<10;
rINTPND |= 0x1<<10;
rINTMSK &= "(0x1<<10);
rTCFG0 &= "0xff;
rTCFG0 |= 0x64;
rTCFG1 &= "0xf;
rTCFG1 |= 0x3;
rTCNTB0 = 0x7a12;
rTCON &= "0x1f;
rTCON |= 0xb;
rTCON &= "0x2;
while(1);
return 0;
}
李万鹏

使用PWM控制蜂鸣器:
rTCFG0用来设置预分频值,rTCFG1用来设置多路选择器MUX的分频值,TCNTB0也起到分频作用。使用PWM控制蜂鸣器注意设置GPB0为TOUT0。这里设置PWM频率为1HZ,占空比50%,也就是半秒响一次。S3C2440定时器中有双缓冲rTCNTBn,rTCMPBn,他们是可以通过编程访问的,他们会将数据自动装入rTCNTn,rTCMPn,这两个16位计数器对程序员来说是透明的。
一般启动定时器的步骤如下:
- 将初始值写入到rTCNTn,rTCMPn
- 设置对应定时器的手动更新位,自动装载
- 启动定时器,并关闭手动更新位
#define rGPBCON (*(volatile unsigned *)0x56000010)
#define rGPBDAT (*(volatile unsigned *)0x56000014)
#define rGPBUP (*(volatile unsigned *)0x56000018)
#define rTCFG0 (*(volatile unsigned *)0x51000000)
#define rTCFG1 (*(volatile unsigned *)0x51000004)
#define rTCNTB0 (*(volatile unsigned *)0x5100000C)
#define rTCMPB0 (*(volatile unsigned *)0x51000010)
#define rTCON (*(volatile unsigned *)0x51000008)
int Main(){
rGPBCON &= 0xfffffc;
rGPBCON |= 0x2;
rTCFG0 &= "0xff;
rTCFG0 |= 0x64;
rTCFG1 &= "0xf;
rTCFG1 |= 0x3;
rTCNTB0 = 0x7530;
rTCMPB0 = rTCNTB0>>1;
rTCON &= "0x1f;
rTCON |= (0x1)|(0x1<<1)|(0x1<<3);
rTCON &= "2;
while(1);
return 0;
}
使用定时器产生中断使IO电平翻转,控制蜂鸣器:
定时器注意设置rINTMSK开中断,并在中断处理程序中清除中断请求位。rSRCPND |= 0x1<<10;rINTPND |= 0x1<<10;清除rINTPND通过设置相应为1进行清除。rSTCPND是向相应位写数据清除。如果不清除,会一直响应这个中断。在Main函数中清一下是为了防止以前这个位申请中断,所以清一下,以防万一。定时器接在APB总线上,所以用PCLK时钟。在这里我设预分频为0x64,除法器为16,rTCNTB0为0x7a12,所以 50M/0x64/16/0x7a12为1HZ,所以中断周期为1s,所以每一秒蜂鸣器响一下,然后隔一秒,然后再响。
#define rGPBCON (*(volatile unsigned *)0x56000010)
#define rGPBDAT (*(volatile unsigned *)0x56000014)
#define rGPBUP (*(volatile unsigned *)0x56000018)
#define rSRCPND (*(volatile unsigned *)0x4A000000)
#define rINTPND (*(volatile unsigned *)0x4A000010)
#define rTCFG0 (*(volatile unsigned *)0x51000000)
#define rTCFG1 (*(volatile unsigned *)0x51000004)
#define rTCNTB0 (*(volatile unsigned *)0x5100000C)
#define rTCON (*(volatile unsigned *)0x51000008)
#define rINTMSK (*(volatile unsigned *)0x4A000008)
#define U32 unsigned int
#define _ISR_STARTADDRESS 0x33ffff00
#define pISR_TIMER0 (*(unsigned *)(_ISR_STARTADDRESS+0x48))
int count;
void __irq Timer0_ISR(void){
rSRCPND |= 0x1<<10;
rINTPND |= 0x1<<10;
count++;
if(count %2 == 1)
rGPBDAT |= 0x01;
else
rGPBDAT &= 0xfe;
if(count == 1000)
count = 0;
}
int Main(){
count = 0;
rGPBCON &= 0xfffffc;
rGPBCON |= 0x1;
rGPBDAT &= 0xffe;
rGPBUP &= 0xfe;
pISR_TIMER0 = (U32)Timer0_ISR;
rSRCPND |= 0x1<<10;
rINTPND |= 0x1<<10;
rINTMSK &= "(0x1<<10);
rTCFG0 &= "0xff;
rTCFG0 |= 0x64;
rTCFG1 &= "0xf;
rTCFG1 |= 0x3;
rTCNTB0 = 0x7a12;
rTCON &= "0x1f;
rTCON |= 0xb;
rTCON &= "0x2;
while(1);
return 0;
}
李万鹏
- 基于ARM的除法运算优化策略(01-14)
- 基于ARM的CAN总线智能节点的设计(01-24)
- ARM基础知识教程五 (02-08)
- ARM基础知识教程六(02-08)
- ARM基础知识教程七(02-08)
- ARM基础知识教程八(02-08)
